所屬科目:台電◆基本電學
2.如【圖 1】所示之電路,電壓 V1為 ________ 伏特(V)。
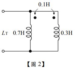
3.如【圖 2】所示,總電感(LT)為 ________ 亨利(H)。
4.如【圖 3】所示為一導線,若此導線之長、寬、高各變為原有導線之兩倍,則電阻值將變為原有電阻值之 ________ 倍。
5.如【圖 4】所示,電流 I 之值為 ________ 安培(A)。
6.如【圖 5】所示有一電阻 RS及電抗 XS串聯組成 RC 電路,將其轉換成電阻 RP及電抗 XP並聯等效電路,其 RP 為 ________ 歐姆(Ω)。
8.有一 200 匝的線圈通以 20 安培電流,於未飽和情況下,產生的磁力線為 4✕105線,則此線圈之電感量為 ________ 亨利(H)。
9.如【圖 6】所示之電路,總電流 I 為 ________ 安培(A)。
10.如【圖 7】所示之電路,電流 IS為 ________ 安培(A)。
13.如【圖 8】所示之電路,若,則電路總電流 i(t)為 ________ 安培(A)。
14.如【圖 9】所示之電路,R1= 3 Ω、R2= 5 Ω、R3= 3 Ω,則節點 Vy之電壓為 ________ 伏特(V)。
15.如【圖 10】所示之電路,在直流且電路穩態條件下,欲使電容器內的儲能等於電感器內的儲能,則電阻(R)為 ________ 歐姆(Ω)。
18.如【圖 11】所示之電路,a、b 兩端電壓 Vab為 ________ 伏特(V)。
19.如【圖 12】所示之三相電路,已知電壓有效值ܸ,若三相電源以正相序供電給負載,則線電流為 ________ 安培(A)。(請以相量式表示)
(1)電路時間常數為多少秒?(5 分)
(1)由負載ܼ兩端看入之戴維寧等效電壓(4 分)及戴維寧等效阻抗(4 分)。
(2)為使負載ܼ得到最大功率,ܼ需調整為多少歐姆(Ω)(3分)?此時負載所消耗之最大功率為多少瓦特(W)(4 分)?