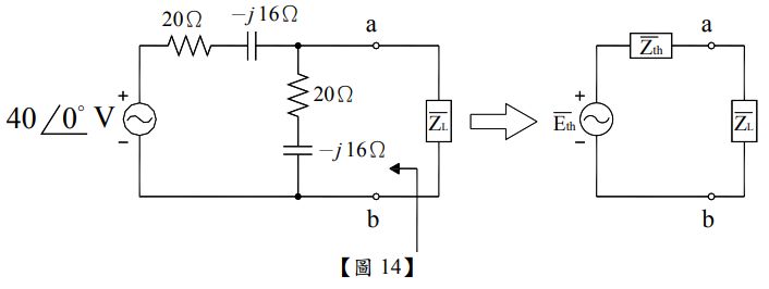
題組內容
2.如【圖 14】所示,試求:(15 分)
(2)為使負載ܼ
得到最大功率,ܼ
需調整為多少歐姆(Ω)(3分)?此時負載所消耗之最大功率為多少瓦特(W)(4 分)?
詳解 (共 2 筆)
詳解
10+j8
10
