阿摩線上測驗
登入
首頁
>
電子學
> 101年 - 101 臺灣菸酒股份有限公司_從業職員及從業評價職位人員甄試_電氣技術員、電子電機人員:電子學#26744
101年 - 101 臺灣菸酒股份有限公司_從業職員及從業評價職位人員甄試_電氣技術員、電子電機人員:電子學#26744
科目:
電子學 |
年份:
101年 |
選擇題數:
40 |
申論題數:
0
試卷資訊
所屬科目:
電子學
選擇題 (40)
1. PN 二極體空乏區內 P 型半導體具有下列何者? (A)電洞 (B)電子 (C)正離子(D)負離子
2.有關「電子伏特」之敘述,下列何者正確? (A)為能量單位 (B)為電壓單位 (C)為電流單位(D)為功率單位
3.半導體之本質為ni ,電子濃度為n ,電洞濃度為 p ,則下列敘述何者正確? (A) n
i
= p + n (B) n
i
= p - n (C)
(D)
4.二極體之順向直流工作點電壓及電流分別為 0.7V 及 2mA,熱當電壓為 25mV,其交流動態電阻為何? (A)0O (B)12. 5O (C) 28O(D) 350O
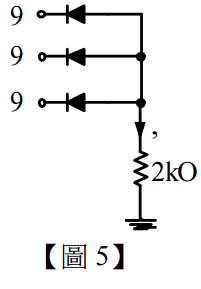
5.如【圖 5】所示之理想二極體電路,I 為何? (A) -2mA (B) -1mA (C) 1mA(D) 2mA
6.若 BJT 工作於順向主動區,則下列敘述何者正確? (A)基射極接面逆向偏壓且基集極接面逆向偏壓 (B)基射極接面逆向偏壓且基集極接面順向偏壓 (C)基射極接面順向偏壓且基集極接面逆向偏壓 (D)基射極接面順向偏壓且基集極接面順向偏壓
7. BJT 工作於作用區且α= 0.98,基極電流為 0.06mA,則射極電流為何? (A) 3mA (B) 5mA (C) 7mA(D) 8mA
8.下列何者為 BJT 射極隨耦器之特性? (A)電流增益約為 1 (B)電壓增益約為 1 (C)輸出阻抗甚高(D)輸入阻抗甚低
9.如【圖 9】所示之電路,BJT 之β = 100, 切入電壓為 0.7V,則 V
CE
約為何? (A) 9.5V (B) 8.2V (C) 5.8V (D) 4.3V
10.如【圖 10】所示之電路,BJT 之β= 100, 切入電壓為 0.7 V,則 V
CE
約為何? (A) 2.2V (B) 3.52V (C) 5.62V(D) 6.4V
11.有關共集極放大電路之敘述,下列何者正確? (A)電壓增益甚高 (B)輸入阻抗甚低 (C)輸出端為射極(D)又稱為集極隨耦器
12. BJT 共射極放大電路中,與射極回授電阻並聯的旁路電容器,其功用為何? (A)提昇電壓增益 (B)阻隔直流電流 (C)濾波(D)防止短路
13. JFET 在歐姆區工作模式時,若汲源極電壓 V
DS
很小,則其通道電阻為何? (A)0 (B) ∞ (C)為非線性電阻特性(D)為線性電阻特性
14.下列敘述何者正確? (A)空乏型 MOSFET 可具有增強型特性 (B)空乏型 MOSFET 沒有預置通道 (C)增強型 MOSFET 有預置通道(D)增強型N 通道 MOSFET 之閘源極電壓為負才能控制電流
15.如【圖 15】所示之電路,JFET 之 I
DSS
= 4 mA,V
GS(OFF)
= -4 V,則 I
D
約為何? (A) 0A (B) 2mA (C) 3mA(D) 4mA
16.某放大電路之電壓增益為 100,電流增益為 10,則其功率增益為何? (A) 10 dB (B) 20 dB (C) 30 dB(D) 60 dB
17.有關達靈頓放大電路之敘述,下列何者錯誤? (A)電流增益約為 1 (B)輸出阻抗很小 (C)可用來作阻抗匹配(D)輸入與輸出同相位
18.積體電路中,常用的串級放大電路耦合型態為何? (A)變壓器耦合 (B)直接耦合 (C)電容耦合(D)電感耦合
19.如【圖 19】所示之電路,V
o
為何? (A)-4 V (B) -2 V (C)2 V (D) 4 V
20.如【圖 20】所示,此為何種電路? (A)施密特觸發電路 (B)減法器電路 (C)非反相放大電路 (D)反相放大電路
21.若要使二極體導通,電壓源 E 至少需要多大? (A) IR
1
(B) IR
2
(C) 2IR
1
(D) 2IR
2
22. I=2mA,E=15V,R
1
=5kΩ ,R
2
=5kΩ ,則流經 R
1
的電流有多大? (A) 1mA (B) 2mA (C) 3mA(D) 4mA
23.本題之電流 I 為多大? (A) 0 (B) 1.7mA (C) 2mA(D) 2.5mA
24.本題之電路是正邏輯的何種閘電路? (A)及(AND)閘 (B)或(OR)閘 (C)反及(NAND)閘(D)反或(NOR)閘
25.如【圖 25】所示的電路,為由齊納二極體(Zener Diode)所構成的齊納穩壓器。 若齊納二極體的 V
Z
=5V,電源 V=10V,R=1kΩ ,R
L
=2.5kΩ ,則流經齊納二極 體的電流 I
Z
大約為多大? (A) 0 (B) 2mA (C) 3mA(D) 5mA
26.若其集極電流 I
C
=1mA,則其跨導 g
m
值約為多大? (A) 1mA/V (B) 40mA/V (C) 1A/V(D) 40A/V
27.若其β=100,當集極電流 I
C
=1mA 時,其小訊號 rπ 值約為多大? (A) 0.1kΩ (B) 0.25kΩ (C) 1kΩ(D) 2.5kΩ
28.若其爾利電壓(Early Voltage)為 30V,當集極電流 I
C
=1mA,其輸出電阻 r
o
值約為多大? (A) 10kΩ (B) 20kΩ (C) 30kΩ(D) ∞
29.如【圖 29】的電路,設電晶體操作在主動模式(active mode),其 I
C
=0.5mA,R
C
=10kΩ,R
L
=10kΩ, R
E
=0.2kΩ,C
E
及 C
C
均極大。此電路之小訊號電壓增益 A
v
=V
o
/V
i
大約為多大? (A) -20V/V (B) -40V/V (C) -100V/V (D) -200V/V
30.承上題,若電晶體的β=100,則此電路的小訊號輸入電阻 R
in
約為多大? (A) 50Ω (B) 250Ω (C) 5kΩ (D) 25kΩ
31.在【圖 31】的電路,電晶體操作在主動模式(active mode),其 V
BE
=0.7V,β=100。設電流源 I=5mA, R
B
=50kΩ ,R
C
=2kΩ ,則 V
E
約為多大? (A) -0.7V (B) -1.8V (C) -2.5V (D) -3.2V
32.一個 NMOSFET,其臨界電壓(Threshold Voltage)V
t
=1V。輸入端的電壓,V
GS
=2V 時,其汲極飽和電 流 I
D
=1mA。則當 V
GS
增至 3V 而電晶體仍處於飽和模式(Saturation mode)之 I
D
值約為多大? (A) 1mA (B) 2mA (C) 4mA(D) 9mA
33.一個 NMOSFET,其臨界電壓(Threshold Voltage)V
t
=1V。當輸出端的電壓 V
DS
=2V 時,其汲極飽和 電流 I
D
=1mA。則當 V
DS
增至 4V 時,其汲極飽和電流 I
D
值約為多大? (A) 1mA (B) 2mA (C) 4mA(D) 9mA
34.在【圖 34】的電路,NMOS 電晶體的臨界電壓(Threshold voltage)Vt=1V。電流源 I=1mA,V
DD
=5V, 若要使該電晶體操作在飽和模式(Saturation mode),則 R
D
的最大值為多大? (A) 4kΩ (B) 5kΩ (C) 6kΩ (D)無限制
35.在【圖 35】的共源(CS)放大器,設 NMOS 電晶體操作在飽和模式(偏壓電路略去未顯示),其臨 界電壓(Threshold voltage)V
t
=1V,爾利電壓(Early Voltage)V
A
= ∞,R
D
=10kΩ ,若輸入電壓之直流成分 V
I
=2V 時,汲極電流之直流成分 I
D
=1mA。此共源放大器的小訊號電壓增益約為多大? (A) -10V/V (B) -20V/V (C) -40V/V (D) -∞
36.在【圖 36】的電路為一疊接(Cascode)放大器,其偏壓電路略去未顯示。電晶體 Q
1
、Q
2
之跨導分別 為 g
m1
、g
m2
,輸出電阻 r
o1
、r
o2
均為∞。此疊接放大器之小訊號電壓增益 Av=vo/vi 為何? (A) -g
m1
R
D
(B) +g
m1
R
D
(C) -
gm2
R
D
(D) +g
m2
R
D
37.以 MOSFET 構成的各種放大器組態中,具有較低頻寬的是哪一種組態? (A)共源(CS)組態 (B)共閘(CG)組態 (C)共汲(CD)組態(D)疊接(Cascode)組態
38.在共源(CS)放大器的各級閘電容中,以何者的米勒效應(Miller’s Effect)最為明顯? (A) C
gs
(B) C
gd
(C) C
db
(D) C
sb
39.藉由何種組態的負回授,可以構成一電流放大器(Current Amplifer)? (A)並聯-並聯(Shunt-shunt) (B)並聯-串聯(Shunt-series) (C)串聯-並聯(Series-shunt)(D)串聯-串聯(Series-series)
40.藉由何種組態的負回授,可同時提高一個回授放大器的輸入電阻及輸出電阻? (A)並聯-並聯(Shunt-shunt) (B)並聯-串聯(Shunt-series) (C)串聯-並聯(Series-shunt)(D)串聯-串聯(Series-series)
申論題 (0)
相關試卷
115年 - 115-1 臺北市立大安高工教師甄選試題_電子/控制科:電子學#138452
115年 · #138452
115年 - 115 國營臺灣鐵路股份有限公司從業人員_甄試試題_第10階-助理技術員-電力、電務:電子學概要#138261
115年 · #138261
114年 - 114 地方政府公務特種考試_三等_電力工程、電子工程、電信工程:電子學#134800
114年 · #134800
114年 - 114 地方政府公務特種考試_四等_電力工程、電子工程、電信工程:電子學概要#134742
114年 · #134742
114年 - 114 專技高考_電子工程技師:電子學#133712
114年 · #133712
114年 - 114 公務升官等考試_薦任_電力工程、電子工程、電信工程:電子學#133247
114年 · #133247
114年 - 114 原住民族特種考試_四等_電子工程:電子學概要#130947
114年 · #130947
114年 - 114 專技高考_專利師(選試專業英文及電子學)、專利師(選試專業日文及電子學):電子學#130110
114年 · #130110
114年 - 114 普通考試_電力工程、電子工程、電信工程:電子學概要#128790
114年 · #128790
114年 - 114 高等考試_三級_電力工程、電子工程、電信工程:電子學#128768
114年 · #128768