阿摩線上測驗
登入
首頁
>
工程力學概要
> 101年 - 101 身心障礙特種考試_四等_土木工程:工程力學概要#26357
101年 - 101 身心障礙特種考試_四等_土木工程:工程力學概要#26357
科目:
工程力學概要 |
年份:
101年 |
選擇題數:
0 |
申論題數:
5
試卷資訊
所屬科目:
工程力學概要
選擇題 (0)
申論題 (5)
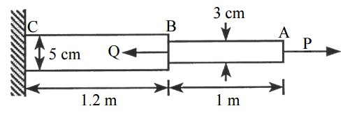
【已刪除】一、有一鋁質圓形斷面桿件 ABC 於 A 點及 B 點分別受水平力 P 及 Q 如圖所示,其中 AB 部分之直徑為 3 cm,BC 部分之直徑為 5 cm。如 P=5 kN,桿件楊氏係數為 70 GPa, 且 A 點水平位移為零,則 Q 力之值為何?B 點水平位移為何?AB 及 BC 中之應力 為何?(25 分)
【已刪除】二、求陰影面積對 x 軸及 y 軸的面積二次矩。(25 分)
【已刪除】三、如圖,已知一力 F 沿 AB 方向,其大小為 350 N,試表出此力在空間直角座標中之 向量式。(25 分)
⑴試問 x 值為多少時,全梁之正彎矩可達最大?(15 分)
⑵若 x=L/2 時,試問 M/P 值為多少時,梁中點處之彎矩為零,並繪製其剪力圖與 彎矩圖。(10 分)
相關試卷
113年 - 112 臺灣菸酒股份有限公司_從業職員及從業評價職位人員甄試_從業職員_機械(中區):工程力學#137422
113年 · #137422
113年 - 113 臺灣菸酒股份有限公司_從業職員及從業評價職位人員甄試_從業職員_機械(南二區):工程力學#137381
113年 · #137381
112年 - 112 地方政府特種考試_四等_建築工程:工程力學概要#118375
112年 · #118375
112年 - 112 原住民族特種考試_四等_土木工程:工程力學概要#116538
112年 · #116538
112年 - 112 普通考試_土木工程、建築工程:工程力學概要#115704
112年 · #115704
112年 - 112 鐵路特種考試_員級_建築工程:工程力學概要#114936
112年 · #114936
112年 - 112 身心障礙特種考試_四等_土木工程:工程力學概要#113902
112年 · #113902
111年 - 111 地方政府特種考試_四等_建築工程:工程力學概要#112370
111年 · #112370
111年 - 111 原住民族特種考試_四等_土木工程:工程力學概要#110673
111年 · #110673
111年 - 111 普通考試_土木工程、建築工程:工程力學概要#109649
111年 · #109649