所屬科目:一二三等大管輪◆電機電子與自動控制
1. 同步發電機在固定轉速N與激磁電流之下,電樞電流的變化對端電壓之影響,所繪出的曲線稱? (A) 複合特性曲線 (B) 伏安特性曲線 (C) 無載特性曲線 (D) 外部特性曲線
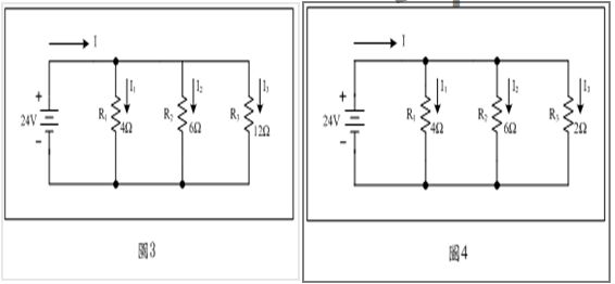
4. 在圖3中,若將R3之阻值改為2歐姆,如圖4,則電阻R3消耗功率。 (A) 144W (B) 96W (C) 288W (D) 528W
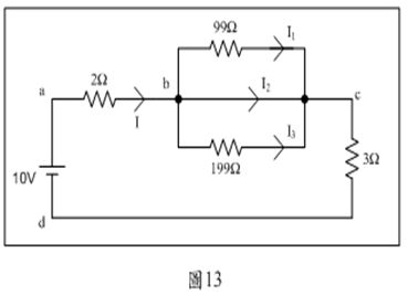
5. 如圖13試求I1。 (A) I1=0A (B) I1=1A (C) I1=2A (D) I1=3A
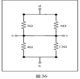
7. 如圖36試求Rca。 (A) 0歐姆 (B) 1歐姆 (C) 2歐姆 (D) 3歐姆
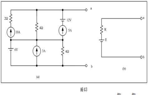
8. 如圖43,圖(a)與(b)為等效則E與R為若干? (A) E=66V,R=4歐姆 (B) E=60V,R=5歐姆 (C) E=76V,R=5歐姆 (D) E=56V,R=6歐姆
21. 負相序的三相電源若A相電壓為sin(120πt)V,則B相電壓為何? (A) sin(120πt)V (B) sin(120πt+120°)V (C) sin(120πt-120°)V (D) sin(120πt+240°)V
25. 若一交流電壓之方程式為:V(t) = ,其中Vm為電壓之峯值(peak value),f為頻率,則該電壓之有效值為: (A) (B) (C) (D)
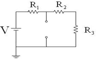
26. 下圖之電路,V=60伏特,R1=30Ω,R2=10Ω,R3=5Ω,其戴維寧等效電壓為: (A) 10伏特 (B) 20伏特 (C) 40伏特 (D) 60伏特
27. 下圖之電路,V=30伏特,R1=15Ω,R2=30Ω,R3=20Ω,其戴維寧等效電壓為: (A) 10伏特 (B) 15伏特 (C) 20伏特 (D) 30伏特
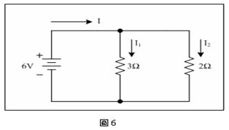
38. 試求圖6之I1。 (A) I1=1A (B) I1=2A (C) I1=3A (D) I1=4A