所屬科目:教甄◆物理科專業
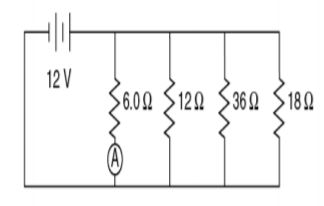
3. 一個電路設計如右圖,則安培計 A 所測得的電流以及 36 Ω電 阻所損失的功率各為多少? (A)4 A, 3 W (B) 2 A, 4 W (C)0.5 A, 18 W (D) 2 A, 3 W
4. 一混和氣體包括O2 (分子量為32原子單位)和N2(分子量為28原子單位)被放置在一定容及定 溫的容器中,則兩種分子速率的均方根值(root-mean-square)的比值, ,為多少? (A) (B) 8/7 (C) 7/8 (D)
8. 一個空瓶子其內容量為 1.31 x 10-4 m3 ,當它充滿空氣( ρ Air = 1.29 kg/m3 )時其總質量為 112g,且當它完全浸入水中時可排出 1.63 x 10-4 m3 的水,則此瓶子需要加入多少體積的水 銀( ρHg = 13.6 ✖ 103 kg/m 3 )方能使它剛好可以完全沈入水中? (A) 3.74 cm3 (B) 12.0 cm3 (C) 102 cm3 (D) 147 cm3
15. 一質量為 1 kg 的木塊受一定外力 P=2.0N 在平面上從 A 點運動 到 B 點如圖所示,若 A 到 B 的距離為 1.5 m,且木塊在 A 點和 B 點時的動能分別為 5.0 J 及 4.0 J。則此平面的動摩擦係數約為多 少? (A) 0.22 (B) 0.26 (C) 0.33 (D) 0.4
1. 如圖所示,一汽車在一彎道上行駛,速率為 v,彎道的水平半徑 為 R,路面外高內低,傾角為θ。若汽車輪胎與路面之間的靜摩 擦係數為μs,要確保汽車無側向滑動,汽車在此彎道上行駛的 速率 v 的範圍應是多少?
2. 如圖所示的電路中,兩安培計 的讀數分別為 5 安培和 4 安 培,當 R1 與 R2 交換位置後,安培計的讀數不變。設忽略電池和安 培計的內電阻,則通過電池的電流為幾安培?
3. 自斜角為 37°的斜坡底,向斜面上方拋出一物,若初速度方向與斜面夾角為θ,且落在斜面時之速度恰在水平方向,則 tanθ 為何?
5. 水波槽內有 S1 和 S2 兩同相點波源,相距 4λ(λ 為水波波長)。今沿 方向前進第一次遇見節線的位置離 S2 何?
7. 如右圖所示,在光滑的水平桌面上,置有一長度為 ,且質量可忽略的 細桿,其兩端各固結有一質量皆為m的質點,另一質量亦為m的質點沿 垂直於細桿的方向入射,以速度v撞擊一端的質點。若該入射的質點和 被撞擊的質點,在碰撞後合而為一,則當碰撞後的瞬間,細桿中點相對 於桌面的速度為何?
8. 如右圖所示,在一光滑的水平桌面上,有 一質量為m的長木塊,其長邊與x軸平 行。另有一質量為 2m的小銅塊置於長木 塊之上。起始時,長木塊以速率v向+x 方向運動,小銅塊位於長木塊的最右端,相對於長木塊以速度 v 向-x方向運動。小 銅塊與長木塊之間的動摩擦係數為 。假設木塊的長度足夠長,小銅塊不會滑出木塊的 表面,則為了避免銅塊滑落,木塊的長度不能小於多少? (以g代表重力加速度)
9. 如右圖所示,某一半徑為 R 的行星有一離地高度亦為 R 的衛星 A,以速率 v 環繞該行星轉動。假設行星本身沒有 自轉,今在該行星表面上沿水平方向發射一枚火箭 B,欲 與衛星 A 會合。若火箭發射後,即不再具有動力,則火 箭 B 在發射時的速率 v' 的最小值需為何?
10. 右圖中,以波長 λ 的單色光作雙狹縫 實驗,S1 與 S2 狹縫與光屏間距離是 r,若狹縫 S0 至 S1、S2的光程差是,則︰在光屏上與 O 點最近的一 暗紋與 O 點的距離何?
11. 如圖所示,在 x-y 平面內,有場強 E=12N/C,方向沿 x 軸正方向的勻強電場和磁感應強度大小為 B=2T、方向垂 直 x-y 平面指向紙裏的勻強磁場.一個質量 m=4×10- 5 kg,電量 q=2.5×10-5 C 帶正電的微粒,在 x-y 平面內做 勻速直線運動,運動到原點 O 時,撤去磁場,經一段時 間後,帶電微粒運動到了 x 軸上的 P 點.求: P 點到原 點 O 的距離
12. 現用電子顯微鏡觀測線度為 d 的某生物大分子的結構。為滿足測量要求,將顯微鏡工作 時電子的德布羅意波長設定為 ,其中 n>1。已知普朗克常量 h、電子質量 m 和電子 電荷量 e,電子的初速度不計,則顯微鏡工作時電子的加速電壓應為何?
13. 如圖所示,MN 是一條通過透明球體球心的直 線.在真空中波長為 λ0=560nm 的單色細光束 AB 平行 MN 射向球體,B 為入射點,若出射光線 CD 與 MN 的交點 P 到球心 O 的距離是球半徑的倍,且與 MN 所成的角 α=30°.求:透明體的折射率?
14. 一個傾斜角為 θ 的光滑無摩擦斜面固定在地面,上面放置兩個物 體: 有一個質量為 M 之平台,而平台上另有一質量為 m 之物體。 如果當平台自斜面頂自由滑下時,m 與 M 保持相對靜止。試求 M 給 m 之作用力大小為多少?(重力加速度請用 g 表示)
15. 一個傾斜角為 θ(θ < 45° )的斜面頂端,有一個物體以初速 0 v 與 鉛直線夾角為 2θ 拋出,若物體拋出後仍能落在斜面上(如右圖所 示),請問物體在空中的飛行時間為多少?(重力加速度請用 g 表 示)
1. 如圖所示,一質量為M的直角楔型木塊,高度為 h,斜角為 θ,起始時靜止在光滑的水平桌面上, 另一質量為m的小木塊,置於該楔形木塊斜面的 頂端,自靜止開始下滑。假設兩木塊接觸面之間 皆光滑,以g代表重力加速度,則小木塊從斜面頂端滑至其底端,所需的時間為何?