所屬科目:高中◆資優◆物理
3. 四條載流導線彼此平行,排在正方形的四個角上,如圖所示。已知每條導線上的電流均相同, 則欲使對角線交點處的磁場為零時,A、B、C 的電流方向可能為 (A) A、B、C (B) A、 B、C (C)A、B、C (D)A、B、C(E) A、B、C 。
6. 質量 3 公斤的架子 A 放在磅秤上,架上有一顆質量 1 公斤的小球 B,沿著支架下滑。若 B 下滑加速 A 度 6m/s2,且 g=10m/s2,則下滑過程中,磅秤的讀數為 (A)1.6 (B)3.0 (C)3.4 (D)4.0 (E)7.0 公斤 重。
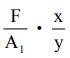
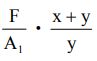
7. 帕斯卡原理是:對不易壓縮的密閉液體,所施的壓力﹐必可均勻的傳遞到液體中的任一部份及器壁上﹐其數值不改變。假設在封閉管路面積 A1 的活塞上施力 F1,該處增加壓力 會傳至管內各處,而對面積 A2 的活塞施力。 「油壓千斤頂」便是結合帕斯卡原理與槓桿原理。下圖是油壓千斤頂的示意圖。其中 B、C 為油缸內的活塞,V1、V2 為單向閥(V1 向左開,V2 向上開),V3 為洩油開關,而 A 為施力處。這個裝置的操作步驟如下:步驟 1:將 A 端拉起,活塞 B 向上移動使 V1 開啟,將油槽的油引入油管內。步驟 2:將 A 端下壓,活塞 B 向下移動使 V1 關閉而使 V2 開啟,將壓力傳至活塞 C,使重物向上抬起。 重複步驟 1、2,便能將重物由低處舉至高處。 已知 B、C 兩活塞的面積分別為 A1、A2 (A1<A2),O 點到 A、P 的距離分別為 x、y (x>y)。今施一外力 F 將槓桿上 的 A 端下壓,此時:(A)活塞 B 增加的壓力為 (B)活塞 B 增加的壓力為 (C)活塞 C 增加的壓力為 (D)活塞 C 增加的壓力為 (E)活塞 C 受力增加 F
8. 一光束由介質 A 入射,其行經的路徑如圖所示,則下列敘述哪些正確?(A)光在介質中的速率大 小為 A > B > C (B) 光在介質中的速率大小為 C > B > A (C) 光在介質中的波長大小為 C > B > A (D) 光在介質中的波長大小為 A > B > C (E) 光在介質中的頻率大小為 A > B > C。
9. 有甲、乙兩物體皆為實心圓柱體,乙吊在甲的下方並放入水中,如圖,連接甲乙之細繩重量及 體積皆可忽略,則 (A)甲物所受浮力大於甲物重量 (B)甲物所受浮力等於甲物重量 (C)乙物 所受浮力大於乙物重量 (D)乙物之密度必大於水 (E)甲、乙罐所受總浮力等於甲、乙罐總重量。
10. 體積很小的物體由靜止開始自高處 A 點沿著甲乙兩路徑回到地面上 B 點,其中甲為直線, A 乙為曲線,兩路徑均光滑無摩擦力。已知走甲路徑的時間大於乙路徑,則下列關於物體沿此 甲 二路徑由 A 移至 B 的敘述,正確的有哪些? (A)位移:乙大於甲 (B)平均速率:乙大於甲 (C) 平均速度大小:乙大於甲 (D)速度變化量的大小:乙大於甲 (E)平均加速度大小:乙大於甲。
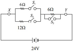
11. 如右圖所示,電路中所有的開關原本都是打開的, 則下列哪些選項可使 XY 間消耗電功率為 48 瓦特?(A)(B)(C)(D)(E)
12. 甲、乙兩車在同一車道上,當乙車通過甲車時,甲車開始運動。若以乙車通過甲車的時刻為 t = 0,兩車的速度-時間關係圖,如圖所示。根據此圖,考慮兩車在時間 t0 內的運動時,下 列敘述哪些正確? (A)甲車平均速度為乙車的 2 倍 (B)甲車位移為乙車的 4 倍 (C)甲車加 1 速度大小為乙車的 2 倍 (D)甲、乙兩車的加速度方向相同 (E)甲車於時追上乙車。
13. 如圖,雷射光束沿著 MO 方向入射到水面(O 為入射點),並在左邊屏幕上出現 PQ 兩紅色光點。則 M P 下列敘述正確的有哪些? (A)若入射點 O 的位置不變,欲使 P 點向上移動,需將雷射光束 MO 順 時針轉動 (B)若入射點 O 的位置不變,欲使 Q 點向上移動,需將雷射光束 MO 順時針轉動 (C)若 O 水 雷射光的方向不變,但讓水面位置變高,此時 P 點會向上移動 (D)若雷射光的方向不變,但讓水面 位置變高,此時 Q 點會向上移動 (E)若改用綠光雷射,但入射方向與水面高度均不變,此時 P 點位 Q 置不改變。 F
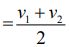
14. 物體自靜止開始受到方向固定不變的外力作用,外力隨時間變化的關係如圖示。令物體的起始位 2F0 置為座標原點,外力方向為+x 方向,在 t0、2t0 時刻,物體的位置座標分別為 x1、x2,速度大小分 F 別為 v1、v2。從施力開始到 t0 時刻,外力對物體作的功為 W1,物體的平均加速度為 a1;從 t0 到 2t0時刻,外力對物體作的功為 W2,物體的平均加速度為 a2。則下列敘述正確的有哪些?(A)x2=4x1 (B) v2=3v1 (C) a2=2a1 (D) W2=8W1 (E)全程的平均速度 = 。
15. 右圖電路中電源電壓保持不變,安培計 A1、A2 本身的電阻可不計。當可變電阻 R2 的接頭 P 向右移動時(電阻 R2 會變大),下列關於伏特計 V 與安培計 A1、A2 讀數的敘述,正確的 有哪些?(A) V 讀數變小 (B) A1 讀數變小 (C)A2 與 A1 讀數的差值變小 (D)V 與 A2 讀數的比值變大 (E)V 與 A1 讀數的乘積不變。
16. 水平桌面上有甲乙兩個柱狀容器,內裝有深度相同、密度分別為 d1、 d2 的液體,已知甲乙底面積比為 4:3,液體對容器底部的壓力比為 1:2。 ? 今將丙丁兩金屬球以細線懸掛,分別沒入液體中,但不與容器底部接 ? 觸,且液體均沒有溢出,此時兩容器底部受到的液體壓力相等。若丙丁的體積分別為 V1、V2,所受的浮力分別為 B1、B2,則下列敘述正確的有哪些?(A) d1<d2 (B) V1<V2 (C) V1>V2 (D) B1<B2 (E) B1>B2。
17. 已知接觸面間的摩擦力與摩擦係數的關係為: (1)最大靜摩擦力=靜摩擦係數×垂直於接觸面的作用力; (2)動摩擦力=動摩擦係數×垂直於接觸面的作用力 如圖甲~戊,在水平面上以不同的角度對相同物體施以等大小的外力 F,使其產生相同的位移,其中甲乙為光滑平 面,丙丁戊的粗糙程度相同。若 W 甲~W 戊分別表示圖甲~圖戊中 F 對物體所作的功,v 甲~v 戊分別為圖甲~圖戊中物 體的末速,則下列敘述正確的有哪些? (A) W 甲>W 乙 (B) W 甲>W 丙 (C) W 乙=W 丁 (D) v 丙>v 丁 (E) v 丁=v 戊 。
18. 右圖為一質點在平面上運動的軌跡,O 為出發點,則下列關於質點運動狀態的敘述,正確的有哪些? (A)在圖示的範圍內,質點平均速度的量值小於平均速率 北 (B)出發後質點的速率先增加後減少 (C)若質點往東的方向為等速度運動,則往北的速度先變慢後變快 (D)若質點往北的方向為等速度運動,則往東的速度先變慢後變快 (E)質點在圖示範圍內,沒有折返。
19. 繩上有一連續週期波,繩上某質點 P 其位置與時間的關係如圖(a),在 t=3 秒時,繩上的波形如圖(b)所示,則下列 關於此週期波的敘述,正確的有哪些? (A)波速為 50 cm/s (B)波速為 25 cm/s (C)此波向右傳播 (D)此波向左傳播 (E)圖(b)中,Q 點再經 0.5 秒會振動到最高點。
20. 金屬線圈 Q 靜置於水平桌面,其正上方有另一固定不動的線圈 P,兩線圈半徑相同、圈面平行,且圓心連線與圈 面垂直。P 線圈通有隨時間變化的電流 I,電流隨時間變化關係如圖(b)(令(a)圖中線圈 P 的電流方向為正)。若線圈 Q 的重量為 W,所受桌面的正向力為 N,則下列敘述正確的有哪些?(A)t1 時刻,N<W (B) t3 時刻,N<W (C) t4 時刻,N<W (D) t5 時刻,N=W (E) t3、t4 時刻,Q 線圈中的電流方向相反。