阿摩線上測驗
登入
首頁
>
工程力學概要
> 105年 - 105 普通考試_土木工程、建築工程:工程力學概要#54528
105年 - 105 普通考試_土木工程、建築工程:工程力學概要#54528
科目:
工程力學概要 |
年份:
105年 |
選擇題數:
0 |
申論題數:
4
試卷資訊
所屬科目:
工程力學概要
選擇題 (0)
申論題 (4)
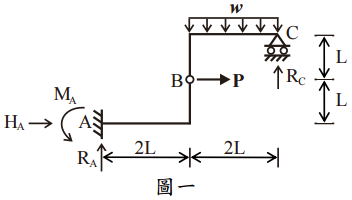
【已刪除】一、圖一為一剛架結構,A 點為固定端,B 點為鉸接,C 點為滾支承。均佈載重 w 與集 中載重 P 如圖所示。試求此外力作用下,支承 A 及 C 處反力 R
A
、H
A
、M
A
及 R
C
之 大小及方向為何?(25 分)
【已刪除】二、圖二為一桁架結構,A 點為鉸支承、B 點為滾支承,於頂端 C 點施加一水平外力 8P。 試求此桁架受力後 a、b、c、d、e 桿之內力 S
a
、S
b
、S
c
、S
d
、S
e
為何?(各內力需說 明為張力或壓力)(25 分)
【已刪除】三、圖三為一簡支梁,於 B 點施加一集中載重 P。試求受力後此梁之最大垂直位移 Δ
max
與其距離 A 點之位置為何?(25 分)
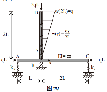
【已刪除】四、圖四為一剛體結構,A、C 點各設置一個具 ks 之線性彈簧。如圖中所示,於 BD 桿上 施加線性垂直載重 w(y),另亦於 A、C 及 D 端點上施載,試求此剛體結構挫屈時之 臨界載重 q
cr
為何?(25 分)