所屬科目:工程力學(含靜力學、動力學與材料力學)
6.如【圖 6】所示,已知 P、Q 兩力的夾角為 θ,其合力 R 與 Q 力的夾角為 α,請求 α 角為何?
(A) α= tan-1 (Psinθ / (Q + Pcosθ)) (B) α= tan-1 (Qsinθ / (P + Qcosθ)) (C) α= tan-1 (Pcosθ / (Q + Psinθ)) (D) α= tan-1 (Psinθ / (P + Qcosθ))
7.如【圖 7】所示,施加六個力於一個邊長為 a 的正六邊形,試問此六個力對六邊形之形心的合力矩為何? (A)順時針Pa (B)順時針 7 √3 Pa (C)逆時針 Pa (D)逆時針 7 √3 Pa
8.如【圖 8】所示為一固定於地面上的均質角鋼,已知此角鋼承受 2000 N 的作用力 F,請求作用力 F 對 A 點 的力臂為何? (A) 1.2 m (B) 3.0 m (C) 6.0 m (D) 6.6 m
9.如【圖 9】所示為一個懸掛式號誌系統,已知此號誌燈具對扣環產生 200 N 的重力,請問繩索 AC 與 BC 的 張力各為何?
(A) TAC = 100 √3 N;TBC = 100 N (B) TAC = 100 N;TBC = 100 √3 N (C) TAC = 100 N;TBC = 100 N (D) TAC = 50 √3 N;TBC = 100 N
0.如【圖 10】所示之結構系統,若不計繩索 BD 與樑 ABC 的自重,請分析繩索 BD 的張力為何? (A) 938 N (B) 1000 N (C) 1250 N (D) 1500 N
12.有木塊重 200 N 如【圖 12】所示,欲加壓 F 力使其固定於牆上,已知木塊與牆壁的摩擦係數為 0.25,請求 最小須施加 F 力為何? (A) 50 N (B) 200 N (C) 400 N (D) 800 N
13.如【圖 13】所示為一個單定滑輪懸掛兩物體,分別為 A 物體質量為 20 kg,B 物體質量為 50 kg,若不計繩 重與摩擦力,請求此繩所受張力為何(設重力加速度為 9.8 m/sec2)?
(A)50 N(B)140 N (C) 280 N (D) 420 N
14.將某物體置於一平板上緩緩升起成 30°的斜面,使其由靜止狀態轉為滑下,試問此物體與平板的摩擦係數為 何? (A) (B) (C) √ 3 (D) 2
25.某材料的蒲松比為 0.25,其彈性係數 E 與體積彈性係數(Bulk modulus)Ev的關係為何? (A) E = (B) E = (C) E = (D) E =
26.如【圖 26】所示有一重量為 W 的物體懸掛於 AC 與 BC 的鋼索上,欲使兩鋼索受荷重所產生應力相同,請 分析 AC 鋼索與 BC 鋼索的面積比為何?
(A) AAC:ABC = 4:3 (B) AAC:ABC = 3:4 (C) AAC:ABC = 5:3 (D) AAC:ABC = 5:4
27.如【圖 27】所示,由甲、乙兩種不同彈性材料組成之桿狀體。甲材料彈性係數 200 GPa,乙材料彈性係數 150 GPa,其斷面積皆為 150 mm²。在兩端加壓力 20 kN 之下,該彈性桿件之總縮短量為何? (A) 2.0 mm (B) 1.2 mm (C) 1.0 mm (D) 0.8 mm
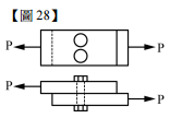
28.如【圖 28】所示有兩塊鋼板以兩支直徑 2 cm 的螺栓所接合,若所受外力 P 為 25 kN,請求每支螺栓的剪應 力為何? (A) 3.98 MPa (B) 7.96 MPa (C)29.90 MPa (D) 39.79 MPa
29.如【圖 29】所示,G 點為某物體斷面積的形心,已知此物體斷面積為 80 mm2其對 y1軸的慣性矩為 1400 mm4, 請求此斷面對 y2軸的慣性矩為何? (A) 120 mm4 (B) 440 mm4 (C) 2760 mm4 (D) 3000 mm4
37.有一均質簡支樑如【圖 37】所示,此樑受一集中負載 P 於中點,若已知此樑斷面的容許剪應力為 50 MPa, 請求容許最大載重 P 為何? (A) 10 kN (B) 50 kN (C) 56 kN (D) 100 kN
40.某電扇以 500 rpm 轉動時,所消耗的功率 700 W,請分析此風扇軸心所受的扭矩為何? (A) N-m (B) N-m (C) N-m (D) N-m
42.一正三角形各邊長為 a ,其形心必位於等角平分線上,且與底邊之距離為多少? (A) (B) (C) (D)
43.如【圖 43】所示,圖中的圓面積對 X 軸之慣性矩為多少? (A) (B) (C) (D)
48.如【圖 48】所示,一人向東走 8 m 轉向北走 6 m,共花了 10 秒鐘,請問該人的速率是多少 m/sec? (A) 1.4 (B) 1 (C) 0.8 (D) 0.6
49.如【圖 49】所示,有一物體其速度與時間關係為一直線,請問該物體的運動方式為何? (A)靜止 (B)等速運動 (C)變速度運動 (D)變加速度運動