所屬科目:捷運◆基本電學
11.若互斥-或(XOR) 以 來表示,下列敘述何者為真? (A)x 0=x’ (B)x x=1 (C)x x’=1 (D)x 1=x
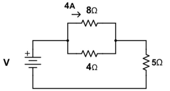
32.根據以下電路,若通過 8Ω 電阻的電流為 4A,直流電壓源應為多少伏特? (A) 64V (B) 74V (C) 86V (D) 92V
35.根據以下電路,兩個直流電壓源分別為 2V、3V,求解通過 4Ω 電阻的電流 I 為多少安培? (A)1A (B) 0.5A (C) 0.25A (D) 0.2A
38.根據以下電路,直流電壓源為 120V,則通過 90Ω 電阻的電流 I 為多少安培? (A) 1 A (B) 0.5 A (C) 0.3 A (D) 0.2 A
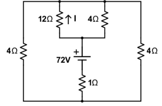
41.根據以下電路,直流電壓源為 72V,則電流 I 為多少安培? (A) 4A (B) 3A (C) 2A (D) 1A
42.根據以下電路,直流電壓源為 12V,則通過 2Ω 電阻的電流 I 為多少安培? (A) 2.5A (B) 2A (C) 1A (D) 0A
43.根據以下電壓波形,其電壓平均值為多少? (A) 40 V (B) 30 V (C) 15 V (D) 10 V
44.根據以下電路,電阻 R 值有最大功率消耗,求解在電阻 R 的消耗功率是多少? (A) 13.5W (B) 7.2W (C) 6.25W (D) 4.5W
45.根據以下穩態電路,直流電壓源為 12V,若開關 S 在 t=0 時,由位置 1 切換至位置 2,則該瞬 間(t=0 時)通過電容的電流 i 為多少安培? (A) 0A (B) -1A (C) 1A (D) -2A
46.根據以下穩態電路,開關 SW 原為閉合,若開關 SW 在 t=0 時打開,則該瞬間(t=0 時)跨過 2H 電感的電壓 VL為多少? (A) 40 V (B) 30 V (C) 20 V (D) 10 V
47.根據以下電路,交流電壓源為 v(t)= 141.4 Sin (377t) V,則電源輸出的平均功率為多少? (A) 1000W (B) 500W (C) 300W (D) 100W
48.根據以下電路,一個交流電源與電感、電容串聯連接,則電路的諧振頻率(Resonance Frequency) 為多少? (A) 19.90 Hz (B) 16.98 Hz (C) 14.54 Hz (D) 13.27 Hz
49.根據以下橋式電路,圖中 A、B 兩點之間的等效阻抗為多少? (A) 2+j1 (B) 1+j1 (C) 1+j2 (D) 2+j2
50.根據以下 RLC 電路,此濾波器電路屬於何種濾波器? (A) 帶通濾波器(Band-Pass Filter) (B) 帶拒濾波器(Band-Stop Filter) (C) 高通濾波器(High-Pass Filter) (D) 低通濾波器(Low-Pass Filter)