所屬科目:捷運◆基本電學
1. 有一100mH 電感器通過之電流為 5sin(200t)mA,試求此電感器的端電壓為何?(A) 100sin(200t) mV (B) 500sin(200t) mV (C) 100cos(200t) mV (D)1000cos(200t) mV。
2. 如圖電路,RAB為多少歐姆(Ω)? (A) 4 Ω (B) 8 Ω (C)12 Ω (D) 16 Ω
4. 如圖電路,其中的電流 I 為何? (A) 1 A (B) 1.5 A (C) 3 A (D) 0 A。
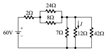
5. 如圖所示電路,其中的電流 I 為何?(A) 10A (B) 20A (C) 30A (D) 40A
6. 如圖所示電路中的 V1、V2 電壓為何? (A) V1 = 4.5、V2 = 0.5 V (B) V1 = 1.5 V、V2 = 3.5 V (C) V1 = 5 V、V2 = 5 V (D) V1 = 3.5 V、V2 = 1.5 V
7. 如圖所示,跨於 20Ω的電阻器兩端之電壓為多少? (A) 150V (B) 100V (C) 90V (D) 80V。
11. 如圖所示,為使電路中消耗的總功率為 2.5kW,電阻器 Rx 的值為何? (A) 12Ω (B) 15Ω (C) 32Ω (D) 38Ω。
12. 如圖所示,流經 2Ω電阻之電流為何? (A) 3.95A (B) 6.35A (C) 13.5A (D) 25.4A
13. 如圖所示,有一 40∠0oV,內部電阻為 20kΩ 的交流電源,通過一 匝數比為 20:1 之理想變壓器與負載 RL連接。試求最大功率傳輸 的負載電阻值? (A) 25Ω (B) 50Ω (C) 10Ω (D) 100Ω
17. 如圖所示,那些開關閉合後可使電阻性負載達到額定功率 40 瓦特 (W)? (A) S1、S2、S3 (B) S1、S2、S4 (C) S2、S3、S4 (D) S1、S3、S4
18. 如圖所示,L1=10 亨利(H),L2=15 亨利(H),M=2 亨利(H),則總電 感 LT 為多少亨利(H) (A) 7.5H (B) 15.5H (C) 29H (D)31H。
19. 某一 RLC 並聯電路,當頻率為 6 kHz 時,可求得電感器電抗= j144 Ω,電容器容抗= -j225Ω,則此電路的諧振頻率 f0 為多少kHz ? (A) 7.5kHz (B) 12.5kHz (C) 14.14kHz (D) 25kHz
20. 如圖所示,其中「×」表示磁通方向。若整體的磁通密度為 10 韋伯 /平方公尺(wb/m2)、導體長度為 2 公尺(m)、且導體以 5 公尺/秒 (m/s)速率朝左方向移動(如 v 方向),則該導體兩端感應電動勢為多少伏特(V)? (A) 25V (B) 50V (C) 70.7V (D) 88.6 V。
21. 如圖所示,則其戴維寧等效電壓()與戴維寧等效電阻()分別為何? (A) 2V,24Ω (B) 3V,12Ω (C) 4V,20Ω (D) 7V,21Ω
22. 有一電熱器額定為 100V/500W,若將設備內部電熱線裁剪掉 2/5 後,將此電熱器重新接至 60 伏特(V)之電源,則新電熱器消耗功率 為多少瓦特(W) ?(A) 100 W (B) 200W (C) 300W (D) 400W。
23. 如圖所示,則電流 I 為多少安培( A )? (A)2.5A (B)3.25A (C)1.5A (D)1.67A
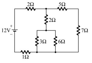
24. 如圖所示,則 a、b 兩點之電壓為何? (A) 3V (B) 6V (C) 12V (D) 18V
25. 如圖所示,則電壓與分別為何? (A) =4 V, = 10 V (B) =4 V, = 12 V (C) =6 V, =8 V (D) =6V, = 10 V。
26. 如圖所示,要讓負載有最大之消耗功率,則負載電阻可選擇為多少? (A)2Ω (B)10Ω (C)20Ω (D)30Ω。
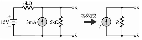
28. 如圖所示,求諾頓等效電流 I 為多少安培( A )? (A)5.5mA (B)7.5mA (C)10mA (D)12.5mA
29. 如圖所示,則 2μF 電容器的充電電量為多少庫倫( C )? (A) 20μC (B) 40μC (C) 60μC (D) 80μC
30. 如圖所示,求 a、b 兩端的總電感=? (A)3H (B)4H (C)5H (D)6H
31. 如圖所示,若 E=100V,R=10kΩ,C=50nF,且電容器的初始電壓為 30V,當開關 S 閉合之瞬間,流經電阻的電流為多少? (A)1.1mA (B)1.8mA (C)3.5mA (D)7.0mA
32. 如圖所示,開關閉合前,電容器沒有儲存能量。在開關閉合後的瞬間,電流 I 為多少安培( A )? (A)10A (B) 0A (C) 1A (D) 20A。
33. 如圖所示之交流電路,若將電路中之電容器 C 值調小,則下列敘 述何者錯誤? (A) 電容器容抗值變大 (B)值變小 (C)與間之相位角變大 (D)超前
34. 如圖所示之 RLC 串聯電路,其諧振角速率 ωo為 (A)500rad/s (B)2✕103rad/s (C)104rad/s (D)4✕105rad/s。
35. 如圖所示,當電源頻率可變時,該電路應為 (A) 帶通濾波電路 (B) 帶拒濾波電路 (C) 高通濾波電路 (D) 低通濾波電路。
37. 如圖電路,電壓,電流,求該元件的平均功率(W)? (A) 500W (B) 866W (C) 1000W (D) 2000W。
38. 如圖電路,S 打開時=24V、S 閉合時,I=4A。則當 a、c 短路 時,I 為多少安培( A )? (A) 2A (B) 3A (C) 4A (D) 6A。
39.兩電燈泡 B1 與 B2 之規格如圖所示,若該二燈泡之材質相同,則串聯時,下列敘述何者正確? (A) B1較亮,流經 B1的電流為 2.4A (B) B2較亮,流經B2的電流為 0.2A (C)B1較亮,流經 B1的電流為 2.4A (D) B2較亮,流經 B2 的電流為 0.2A (E)以上皆非
40. 如圖電路,流經 3Ω 電流為多少安培( A )? (A)4A (B)3A (C)2A (D)1A
41. 如圖電路,3Ω 電阻消耗之功率為何? (A)1.5W (B)3.0W (C)4.5W (D)6W
42. 如圖電路,試求流經 A、B 兩點間的電流 I 為何? (A)3A (B)4A (C)5A (D)6A
43. 如圖電路,電壓與分別為何? (A)=4V,=10V (B)=4V,=12V (C)=6V,=8V (D)=6V,=10V。
44. 如圖電路,開關 S 在 1 位置為穩定電路。若此時將開關位置由 1 切換到 2,則該瞬間電容器上之電流 i 為多少? (A)–2A (B)-1A (C) 1A (D) 2A。
45. 某電路的電源電壓v(t)與電流i(t)週期波形如圖所示,則該電路負載為 (A)純電阻 (B)純電感 (C)純電容 (D)阻抗
46. 如圖所示之交流電路,若,試求電源供給之平均功率為何? (A)300W (B)400W (C)500W (D)600W
47. 如圖所示之交流電路,若電壓v(t)=200cos(377t+45°)V,則下列有關 RLC 電路組合部分的敘述何者正確? (A) 電流均方根值 I=10A (B) 平均功率 P=867W (C) 功率因數 PF=0.5 (D) 視在功率 S=1000VA
50. 如圖電路,若開關 S 閉合前,電容器無能量。試求開關 S 閉合後,9kΩ 電阻所流過之穩態電流 I 為多少 mA? (A)0.33mA (B)0.67mA (C)1.0mA (D)2.5mA