所屬科目:捷運◆基本電學
1.有兩系統串聯運轉,輸入功率為1000W,總損失190W,已知一系統功率為90%,另一系統效率未知,求未知之系統效率為何?(A)95%(B)90%(C)80%(D)70%
2.如圖所示電路,試求電阻R為多少歐姆?(A)2Ω(B)4Ω(C)6Ω(D)8Ω
3.如圖所示之電路,求c點電壓為多少?(A)8V(B)48V(C)60V(D)68V
4.如圖所示之電路,a、b兩端的電壓應為多少?(A)3V(B)71V(C)93V(D)103V
5.在不考慮電池內阻的情形下,將兩個規格為12V/60AH的蓄電池並接,試問可供應120W燈泡運作的時間為何?(A)12hrs(B)24hrs(C)30hrs(D)60hrs
6.若有一個電子逆著電場方向移動,則其電子?(A)作正功且電位上升(B)作負功且電位上升(C)作正功且電位下降(D)作負功且電位下降
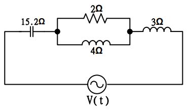
7.如圖所示電路,則電路中8V電源功率為多少?(A)40W(B)64W(C)72W(D)112W
8.如圖所示,假設電容C1為10uF充滿電後,把開關S由A移到B點,則電容C1之電壓降為75V後達到穩定。若電容C2之初始電壓值為零,試求電容C2之值為何?(A)10uF(B)12uF(C)14uF(D)24uF
9.有耦合的兩線圈L1與L2,假設L1的匝數100匝、L2的匝數是200匝,若將線圈L1加入5A電流時,產生5毫韋伯磁通,且其中有4毫韋伯磁通與L2交鏈,試問線圈L2的自感量為何?(A)0.4H(B)0.5H(C)0.6H(D)0.8H
10.有一帶電量為5庫侖的正電荷,由無窮遠處移動至a點需做功100焦耳,而由無窮遠處移動至b點需做功50焦耳,試求a、b兩點間的電位差為多少伏特?(A)40V(B)20V(C)10V(D)5V
11.v1(t)=100c??(377t−30°),v2(t)=100sin(60°−377?),求v1(t)與v2(t)之間的相位關係?(A)v2(t)領先v1(t)60°(B)v1(t)領先v2(t)60°(C)v2(t)滯後v1(t)60°(D)v2(t)領先v1(t)30°
12.有一厚約5公分、∈ᵣ=5的雲母片置於面積為0.2平方公尺的平行電板中,若將其兩端施加100V的電壓,試求電容器儲存的能量為何?(A)焦耳(B)焦耳(C)焦耳(D)焦耳
13.如圖所示之RLC串聯交流電路,已知電流i(t)=50√2 sin377tA,則下列敘述何者正確?(A)平均功率P=250kW(B)最大瞬間功率Pmax=450kW(C)虛功率Q=250kVAR(D)最小瞬間功率Pmin=-100kW
14.某R-L並聯電路中,當電源頻率為60Hz時,並聯電路之總組抗為30+j60Ω,若此時將電源頻率調升為120Hz時,試問此時並聯電路之總組抗為多少歐姆?(A)150+j150(B)150+j75(C)75+j150(D)75+j75
15.某工廠平均每小時耗電36仟瓦,功率因數為0.6滯後,若工程師欲將功率因數提高至0.8滯後,試求應加入並聯電容器之無效功率為多少?(A)5kVAR(B)14kVAR(C)21kVAR(D)24kVAR
16.如圖所示電路,若電源電壓V(t)=100cos(377t+60°)V,將電源頻率調整為多少時可達諧振?(A)60Hz(B)120Hz(C)240Hz(D)30Hz
17.如圖,設V₁=60sint,V₂=60sin(t+60°),V₃=80sin3t,試求5Ω電阻所消耗的平均功率為何?(A)1.36kW(B)6.8kW(C)2kW(D)1kW
18.如圖所示之電路,試求此諧振電路的頻寬為何?(A)300Hz(B)150Hz(C)30Hz(D)15Hz
19.如圖所示之電路,試求平均功率為何?(A)2600W(B)2800W(C)3000W(D)3200W
20.如圖所示電路,方塊內代表某些元件所組合之電路,設輸入電壓及電流:v(t)=100cos(100πt+π/12),i(t)=4cos(100πt−π/12),下列敘述何者正確?(A)電源供應到盒子平均功率100W(B)電源供應到盒子虛功率100VAR(C)電源從盒子吸收平均功率100W(D)電源從盒子吸收虛功率100VAR
21.將某一正電荷由A點移至B點,需做功20焦耳,已知電位差=5V,求此電荷帶電量為多少?(A)4C(B)6C(C)8C(D)10C
22.若有一台功率為1000W的烤箱,不考慮其它耗損,已知在某一時段使用時,換算其消耗的電能3.6×106J,試求此烤箱使用時間為多久?(A)40分鐘(B)60分鐘(C)80分鐘(D)100分鐘
23.有一加熱器,其內部電熱絲電阻值為30Ω,通以5A電流,若以此加熱器加熱1.2公升的水,由25℃加熱至100℃,不考慮其他散失、耗損等,則大約需花費多少時間?(A)420秒(B)500秒(C)625秒(D)900秒
24.有一材質為銅製成的線圈,此線圈在25.5℃時,電阻值為YΩ,而當機器運轉使線圈溫度升高到50.5℃時,此時線圈電阻值為14.25Ω,試問Y值為多少?(A)3Ω(B)13Ω(C)17Ω(D)19Ω
25.依照克希荷夫電壓定律(KVL),求下列V1值為多少?(A)1.2V(B)2.4V(C)4V(D)6.4V
26.如圖所示,求電阻8kΩ上的電壓值V為多少?(A)16V(B)14V(C)16V(D)14V
27.如下圖電路所示,若R1=2Ω,R2=6Ω,R3=2Ω,求出下列V1值為多少?(A)−3.6V(B)3.6V(C)6.4V(D)−6.4V
28.如下圖電路,若C1=4μF、C2=5μF、C3=10μF、C4=10μF,求C2所儲存能量為多少?(A)4mJ(B)6mJ(C)9mJ(D)15mJ
29.下圖電路由L1、L2與L3三個電感串聯所組成,已知L1=5H,L2=6H,L3=9H,若L1與L2的互感=1H,L2與L3的互感=2H,L1與L3的互感=3H,各電感間的互助或互消關係如圖所示,求A、B兩端總電感值為多少?(A)20H(B)12H(C)9H(D)2H
30.有一匝數為400匝的線圈,當有6A電流通過時,此時線圈產生磁通3×10−2Wb,請算出該線圈的自感量為多少?(A)18H(B)24H(C)6H(D)2H
31.如下圖電路所示,其中R=3kΩ,此電路的時間常數τ=5μs,求電感值L為多少?(A)20mH(B)15mH(C)10mH(D)5mH
32.有一最大值為Vm的正弦波,經過半波整流電路後,則下列敘述何者不正確?(A)平均值Vav=(B)有效值Vrms=(C)波形因數=1.571(D)波峰因數=2
33.有一部交流發電機,其極數P=8,若此發電機輸出電壓頻率f為50Hz,求其轉速為多少?(A)750rpm(B)600rpm(C)450rpm(D)300rpm
34.下圖電路所示,已知流經電容的電流I=4A,R=10Ω,C=500μF,v(t)=80sin ωt V,請求出ω值為多少rad/s?(A)157(B)200(C)314(D)400
35.如下圖所示,為RLC組合而成電路,R1=R2=3Ω,電容抗XC=4Ω,電感抗XL=4Ω,已知I=6A,求電壓源V值為何(A)60V(B)50V(C)25V(D)15V
36.有一元件,兩端接上電壓v(t)=100sin(314t+60°),則流過此元件的電流為i(t)=20sin(314t+30°),求此電路的平均功率?(A)200W(B)200√2W(C)500√3W(D)2000W
37.下列關於諧振電路敘述,何者不正確?(A)LC串聯電路中,若電源頻率小於諧振頻率,則電路呈電容性(B)LC並聯電路中,若電源頻率大於諧振頻率,則電路呈電容性(C)LC並聯電路中,當電路發生諧振時,電路總導納為無窮大,即總阻抗為零(D)RLC串聯電路中,當電路發生諧振時,功率因數PF=1
38.有一RLC並聯電路,已知接上一交流電源V̅=110∠0°V,其元件分別為R=2kΩ、L=400mH、C=160μF,若當電路發生諧振時,求此電路品質因數Q為多少?(A)40(B)50(C)60(D)72
39.關於交流電路特性,下列敘述何者正確?(A)諧振電路中,頻帶寬度(BW)越大,則品質因數(Q)越大(B)諧振電路中,頻帶寬度(BW)越寬,則選擇性越佳(C)收音機利用諧振電路原理篩選(選擇)想要收聽的電台(D)RLC串聯電路,當電路諧振時,電壓源V與電路的電流I關係為前者超前後者
40.某△型三相平衡負載電路,每一相的負載阻抗為5+j5Ω,負載的每一相的線電壓為100√2V,求此負載所消耗的總虛功率?T為多少VAR?(A)25k(B)20k(C)16k(D)6k