所屬科目:捷運◆基本電學
1.在RLC並聯電路中,若時,則電路的特性為 (A)純電阻電路 (B)電感性電路 (C)電容性電路 (D)純電感電路
2. 有關RC暫態電路在放電期間,下列敘述何者有誤? (A)於充、放電時電路電流方向相反 (B)穩態時,電阻壓降等於電源電壓 (C)開關閉合瞬間,電容壓降等於電源電壓 (D)電路電流由大至小變化
3. 利用重疊定理分析直流迴路,每次只單獨考慮一個電源作用,則其他的電源應如 何處理? (A)電壓源開路,電流源短路 (B)電壓源短路,電流源開路 (C)電壓源及電流源皆短路 (D)電壓源及電流源皆不變
4.有關RLC串聯諧振電路,下列敘述何者正確? (A)在諧振時電容的電壓大於電感的電壓 (B)在諧振時相當於純電容性 (C)諧振頻率與電阻的大小有關 (D)在諧振時電流最大
5.有關RLC並聯諧振電路,設f0為諧振頻率,下列敘述何者正確? (A)諧振時,電流最小 (B)諧振時,阻抗最小 (C)當f < f0時,則電路成為電容性電路 (D)諧振時,功率因數為0
6. RLC並聯電路中,當電源頻率由∞逐漸減至0時,電路之電流將 (A)先增後減 (B)先減後增 (C)逐漸增加 (D)逐漸減少
7.將110V/120W、110V/100W及110V/50W三燈泡並聯後加上110V電源,哪一個燈泡較亮? (A) 120W (B) 100W (C) 50W (D)一樣亮
8. Y型連接之平衡三相制中,相電壓的大小是線電壓的大小的 (A) √3 倍 (B)√ 2 倍 (C) 倍 (D) 1倍
9. RLC串聯諧振電路,其阻抗值為 (A)最小 (B)最大 (C)零 (D)依電源頻率大小而定
10.交流電壓 e t( ) 50sin(120 60 )V = +t ,其電壓頻率為 (A) 120Hz (B) 100Hz (C) 90Hz (D) 60Hz
11. 某一平衡三相△接負載,若線電壓為300V,相阻抗為 30 30 Ω ,則線電流為 (A) 10A (B) 14.14A (C) 17.32A (D) 30A
12.若RC串聯電路之R=3kΩ,C=103 μF,試求充電至穩態,需費時多久? (A) 120秒 (B) 60秒 (C) 30秒 (D) 15秒
13.有一個RLC串聯電路,其電阻為5Ω、電感抗為36Ω,若此電路為電容性,則電容抗可 能為多少? (A) 5Ω (B) 31Ω (C) 36Ω (D) 40Ω
14. 有一RLC串聯電路, R=10Ω,L=1H,C=25 F ,求其諧振時之品質因數(Quality Factor) 為多少? (A) 5 (B) 20 (C) 30 (D) 200
15.有兩電爐電熱線其長度相同,A電爐線之線徑為B電爐線之3倍,已知A電爐線之功率為 900瓦,則B電爐線的功率為多少? (A) 100W (B) 300W (C) 900W (D) 2700W
16. RLC串聯電路,若 R=8Ω,=16Ω , =10Ω ,線路電流I=20A,功率因數為 (A) 0 (B) 0.8 (C) 0.9 (D) 1.6
17.一根導線長10m,截面積5cm2,電導係數為 ,則該導線電阻值為多少? (A) 0.1Ω (B) 0.2Ω (C) 10Ω (D) 20Ω
18. 有兩個電容器,其電容量分別為C1=3μF、C2=6μF,並聯後其等效電容量為多少? (A) 2μF (B) 9μF (C) 18μF (D) 36μF
19. 若某電壓源的內部電動勢為100V,內阻為5Ω,試求出在此電壓源輸出端所能夠輸出的 最大電功率為多少? (A) 2500W (B) 2000W (C) 500W (D) 20W
20. 在RL串聯電路中,設R為2Ω,L為6H,則此電路之時間常數τ為多少? (A) 秒 (B) 3秒 (C) 8秒 (D) 12秒
21. 有一導體在2分鐘內流過1500C的電量。試求此導體的平均電流為多少A? (A) 7A (B) 10.4A (C) 12.5A (D) 50A
22.有關電壓表與電流表的量測特性,下列敘述何者錯誤? (A)電壓表又稱伏特計,一般以串聯方式連接 (B)理想電壓表內阻為∞歐姆 (C)電流表又稱安培計,一般以串聯方式連接 (D)理想電流表內阻為0歐姆
23.有一家庭每日平均用電量:130W電視用4小時、90W電腦用5小時、220W洗衣機用2小 時、1000W冷氣機用8小時、65W電燈5個用7小時。若電費每度4元,試求此家庭每月30 日消耗電費多少元?(以四捨五入法計算) (A) 375元 (B) 473元 (C) 1224元 (D) 1402元
24. 在20℃的環境,有一截面積為12mm2標準韌銅( ρ =1.724× Ω-m)導線,長度為800m。 試求此導線的電阻值為多少Ω?(以四捨五入法計算) (A) 0.367Ω (B) 0.973Ω (C) 1.149Ω (D) 2.028Ω
25.有關特殊電阻的特性,下列敘述何者錯誤? (A)熱阻器:溫度上升電阻值減小 (B)敏阻器:溫度上升電阻值增加 (C)光敏電阻:光強度增加電阻值減小 (D)電壓敏感電阻:電壓增加電阻值增加
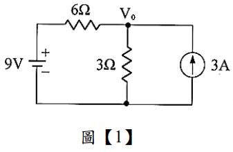
26. 如圖【1】所示,試求電壓V0為多少V?
(A) 17V (B) 11V (C) 9V (D) 3V
27.有關電源與解析電路網目數值的特性,下列敘述何者錯誤? (A)理想電壓源內部電阻為0Ω,理想電流源內部電阻∞Ω (B)當惠斯登電橋平衡時,通過檢流計的電流為0A (C)節點電壓法建立方程式時,依據理論為克希荷夫電流定律KCL (D)重疊定律適合解析線性系統之元件的電壓、電流與功率值
28. 如圖【2】所示,當電阻為多少Ω時,可從電源得最大功率,此時為多少W?
(A) =4Ω,=150W (B) =2Ω,=100W (C) =4Ω,=100W (D) =2Ω,=150W
29.如圖【3】所示,欲測量50kΩ兩端電壓,若電壓表的靈敏度為1kΩ/V,且將電壓表置於 DC50V檔。試求電壓表讀數值應接近多少V?
(A) 15V (B) 20V (C) 25V (D) 30V
30. 有關電容器的特性,下列敘述何者錯誤? (A)電容器有儲存電荷的特性,其絕緣電阻通常在數千Ω以上 (B)若電容器外觀標示250μF/35V,表示250μF電容量與35V工作電壓 (C)若電容器外觀標示475K,表示電容量為 0.475 μF ±5% (D)電容器儲存的電量與外加電壓成正比
31.有一8H的電感器,通以4A的電流時,產生的能量為多少J? (A) 64J (B) 52J (C) 128J (D) 32J
32. 有關磁能的特性,下列敘述何者錯誤? (A)磁力線由N極出發經由外部進入S極,在磁鐵內部回到N極,為一封閉曲線 (B)磁通量的MKS制單位為韋伯,CGS制單位為馬克士威 (C)材料中若磁阻愈大,則愈容易建立磁通,產生的磁通量較大 (D)相同的磁場強度加在不同的材質中,磁導率愈高的材質,建立的磁通密度愈大
33.有關材料之電阻溫度係數的特性,下列敘述何者錯誤? (A)一般的金屬導體材料,其電阻值會因溫度升高而減小 (B)半導體或絕緣材料,其電阻值會因溫度升高而減小 (C)電阻值隨溫度升高而增加之係數,稱為正電阻溫度係數 (D)軟銅材料在20℃的電阻溫度係數
34. 以我國電力公司供電系統而言,從二次變電所送至電力電線桿傳送至商業用戶或一般 電線桿的電壓為多少V? (A) 345 KV或161KV (B) 11KV或22KV (C) 69KV (D) 220V或110V
35.有一交流電路,純電阻特性,電阻值R為15Ω,電壓為120V、60Hz。試求瞬間功率的 頻率f為多少Hz與平均功率P為多少W? (A) f=60Hz、P=1920W (B) f=120Hz、P=1920W (C) f=60Hz、P=960W (D) f=120Hz、P=960W
36.有一交流電路= 100 ∠45° V ,= 6 ∠15° A 。下列敘述何者錯誤? (A)此電路為電感性電路,電壓超前電流 60°(B)此電路視在功率S=600VA (C)此電路平均功率 P= 300√3W = (D)此電路虛功率Q=300VAR
37. 有一阻抗Z=40+j30。試求功率因數為多少? (A) 0.5 (B) 0.6 (C) 0.8 (D) 1
38. 有一RLC串聯電路,當電源頻率小於諧振頻率時,此電路的特性為何? (A)電阻性 (B)電容性 (C)電感性 (D)電路性
39.有關單相三線式1Ф3W系統,下列敘述何者錯誤? (A)火線為紅色、中性線為綠色、接地線為白色 (B)若火線與中性線為AC110V,則兩火線間的電壓為AC220V (C)在相同的距離與導線,傳送相同功率時,1Ф3W的電流為1Ф2W的50% (D)在相同的距離與導線,傳送相同功率時,1Ф3W的電壓降為1Ф2W的50%
40.為防止感電意外危險,設備應加裝何種保護線? (A)火線 (B)活線 (C)中性線 (D)接地線