所屬科目:捷運◆基本電學
4. 如下圖所示之電路,若 V1=4 伏特,I=12 安培,則電阻 R 為何? (A)2 歐姆 (B)4 歐姆 (C)8 歐姆 (D)10 歐姆
5. 如下圖所示之電路,R3的電阻值為 (A)1Ω (B)2Ω (C)4Ω (D)8Ω
6. 如下圖所示之電路,若電流表之讀值為 2A,則 a、b 間的電壓為 (A)72V (B)90V (C)150V (D)60V
7. 如下圖所示之電路,流經 3Ω 的電流為 (A)1A (B)2A (C)3A (D)4A
8. 如下圖所示之電路,若 R 已達最大功率消耗,則此時 R 之消耗 功率為何? (A)2.5W (B)5W (C)10W (D)11.25W
9. 如下圖所示之電路,I =?,R=?
(A)I=5.5mA; R= kΩ (B) I=7.5mA;R= kΩ (C) I=10mA; R= kΩ (D) I=12.5mA;R= kΩ
11. 如下圖所示,若 C1上之電荷為 5000μC, C2 上之電荷為 3000μC, C1=30μF,C2=15μF,求 C3=? (A)5μF (B)10μF (C)15μF (D)20μF
13. 如下圖所示,磁通φ若在 0.15 秒內由 0.6 韋伯降至 0.3 韋伯(方 向不變),且線圈匝數為 100 匝,則線圈上所感應之電勢 e 為何? (A)-200V (B)-50V (C)50V (D)200V。
18. 如下圖所示之電路,求電流 I=? (A)7.5A (B)6.25A (C)5.0A (D)3.75A
19. 如下圖所示之電路,當開關 S 打開時 Vab=12V,S 接通時 I=2A, 則當 a、c 間短路時電流 I 為何? (A)12A (B)18A (C)7.2A (D)6A
21. 如下圖所示之電路,戴維寧等效電壓 Eth以及戴維寧等效電阻 Rth 分別為何? (A) Eth=20V; Rth=5Ω (B) Eth=15V; Rth=5Ω (C) Eth=12V; Rth=5Ω (D) Eth=20V; Rth=15Ω
23. 下圖中所示為穩定電路(開關 S 在 1 位置),若此時將開關位置 由 1 切換到 2,則該瞬間電容器上之電流 i 為多少? (A)–2A (B)2A (C)0A (D)無法決定。
34. 單相三線式電源系統,當 A(電流 )、B(電流 )兩側負載平 衡時,則中性線電流 =? (A)0 (B) (C) (D) 。
45. 如下圖所示之電路,開關 S 在接通瞬間,流經 2Ω 的電流為多少? (A)1A (B)2A (C)3A (D)4A。
46. 如下圖所示之電路,於 S 閉合之瞬間,則 I2 =? (A) 0 mA (B) 10 mA (C) 15 mA (D) 30mA。
47. 如下圖所示之電路,求當開關 S 閉合之瞬間,試問 0.02μF 電容 器兩端之戴維寧等效電阻 Rth為多少? (A) 3kΩ(B) 5kΩ (C) 6kΩ (D) 9kΩ。
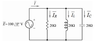
48. 如下圖所示之電路,下列敘述何者有誤? (A)IR 電流為 5A (B)IC電流為 j5A (C)總電流 I 為 5A (D)總阻 抗為 6.7Ω。
49. 如圖所示之純電阻交流電路,電路之平均消耗功率為何? (A)0 W (B)200 W (C)500 W (D)1000 W。
50. 如下圖所示之電路,假設 R =12Ω,XL =12Ω,XC =6Ω, = 220∠ 0°,電路之功率因數為何? (A)0.5 (B)0.6 (C)0.707 (D)0.866。