所屬科目:一二三等大管輪◆電機電子與自動控制
1. 試求圖2之I2。 (A)I2 =1A (B)I2 =2A (C)I2 =3A (D)I2 =4A
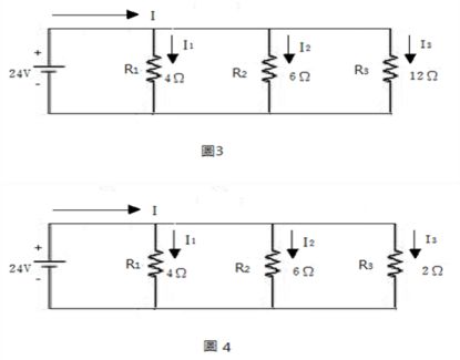
2. 在圖3中,若將R3之電阻值改為2歐姆,如圖4,則電阻R3消耗功率為 (A)144W (B)96W (C)288W (D)528W
3. 如圖13試求 I1 。 (A) I1 =0A (B) I1 =1A (C) I1 =2A (D) I1 =3A
4. 如圖13試求。 (A)=0V (B)=4V (C)=-4V (D)=10V
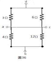
5. 如圖36試求。 (A)0歐姆 (B)1歐姆 (C)2歐姆 (D)3歐姆
11. 試求圖6之總電流I。 (A)I=4A (B)I=5A (C)I=6A (D)I=7A
22. 下圖之電路,V=30伏特 ,R1=30Ω,R2=20Ω,R3=60Ω,若此電路之負載電阻為20Ω,依戴維寧等效電路計算,通過負載之電流為
(A)0.333A (B)0.5A (C)1A (D)1.5A
23. 下圖之電路,V=50伏特 ,R1=20Ω,R2=30Ω,R3=10Ω ,R4=10Ω,其戴維寧等效電壓為: (A)20伏特 (B)25伏特 (C)50伏特 (D)60伏特
24. 下圖之電路,V=30伏特 ,R1=15Ω,R2=30Ω,R3=10Ω,若此電路之負載電阻為10Ω,依戴維寧等效電路計算,通過負載之電流為 (A)0.333A (B)0.6A (C)1A (D)2A
25. 使用電壓100伏特,電流10安培,功率因數0.8之交流負載,其電阻值為多少Ω : (A)8 (B)10 (C)80 (D)100
26. 三相感應電動機若使用 起動電路Y-△,其起動轉矩為全電壓起動轉矩的 (A) (B)1/3 (C) (D)1/2
37. 一個電阻器、電感器及電容器並聯,所構成的RLC並聯電路,其電阻值為40Ω、感抗 值30Ω、容抗值30Ω,若電源其總電流為( A ),求其電壓為何? (A) (B) (C) (D)800sin(ωt)(V)
40. 變壓器△-△接線時若有一個變壓器故障,可轉為V-V接線法,此時其電容量會減少為△- △接線時之,其線電壓會有何變化? (A)線電壓不變 (B)線電壓減少為Δ時之 (C)線電壓減少為Δ時之1/2 (D)線電壓 減少為Δ時之1/3