所屬科目:技檢◆工業電子-丙級
1. 如圖1-1所示電路,若RA=5K,RB=70K,R1=1K,R2=2K,求Vo = ? (A) 5V1+10V2 (B) 10V1+5V2 (C) 10V1+20V2 (D) 20V1+10V2
2. 如圖1-2,求Req為? (A) RΩ (B) (1 +) RΩ (C)RΩ (D) (1 + ) RΩ
3. 圖1-3所示,假設T型正反器QA, QB, QC之初始值為000,進入5個CLK後的QA, QB, QC之值為? (A) 100 (B) 101 (C) 110 (D) 111
4. 棕黑黑黑棕的精密電阻值為 (A) 100Ω ± 0.1% (B) 100Ω ± 1% (C) 1000Ω ± 0.1% (D) 1000Ω ± 1%
5. 將十六進位數字5A.C(16)轉換為四進位數字,下列何者正確? (A) 1011010.1100(4) (B) 1122.3(4) (C) 132.3(4) (D) 90.75(4)
6. 若正弦波電壓信號v(t) = 0.1 sin(1000πt)V,則下列敘述何者正確? (A) 有效值為0.1V (B) 平均值為0.05V (C) 頻率為500Hz (D) 時間t=0.01秒時,其電壓值為0.1V
7. 兩級的串級放大器,第一級放大器電壓增益為50,第二級放大器電壓增益為200,若兩級間沒有負載效應,則其總電壓增益為何? (A) 40dB (B) 60dB (C) 80dB (D) 10000dB
8. 如圖1-4所示的RLC並聯電路,電源電壓v(t) = 100sin(1000t)V,若I₁的電流大小為10A,IC的電流大小為8A,則電路的功率因數為何? (A) 0.5 (B) 0.707 (C) 0.886 (D) 1
9. 如圖1-5所示的邏輯電路,其功能為下列何者?(A) 比較器 (B) 減法器 (C) 半加法 (D) 多工器
10. 有關數位邏輯波形之下降時間定義,下列何者正確? (A) 電壓準位10%至90%的間隔時間 (B) 電壓準位50%至0%的間隔時間 (C) 電壓準位90%至10%的間隔時間 (D) 電壓準位100%至90%的間隔時間
1. 如圖2-1所示電路,電晶體β=99,VBE=0.7V,VCC=10.7V,RB=300K,RC=1K。則VCE=___________。
2. 如圖2-2所示電路,若VBE=0.7V,β=50,VT=26mV,則電壓增益VO/Vi=____________。
3. 如圖2-3所示電路,若電感器、電容器於開關S閉合前皆無儲存能量,則S閉合後之電流I的穩態值為何?___________
4. 如圖2-4所示之電路,在正常工作下輸出電壓Vo=_______。
5. 如圖2-5所示之電路,請問ab兩端的戴維寧等效電壓Eth為何?_____________
6. 如圖2-6所示之JFET電路,已知VGS=–4V, ID=0.5mA,則R1/R2的值為何?_____________
7. 請問圖2-7之計數器,若電路狀態的呈現以Q4Q3Q2Q1Q0表示,請問初始狀態為11011,電路經過5個時脈週期後會呈現甚麼狀態?______________
8. 布林代數Y=f(A,B,C)其真值表如圖2-8,下列何者是圖2-8的和之積(Product of Sum)的最簡式__________________
9. 如圖2-9電路圖中,若D2D1D0的初始狀態為000,且CLK適當觸發,電路經過4個時脈週期後,D2D1D0會呈現甚麼狀態?_________
10. 圖2-10所示邏輯電路,若時脈信號CLOCK為36kHz方波且初始條件QA=1、QB=0、QC=1,則QA輸出端頻率為多少?________________
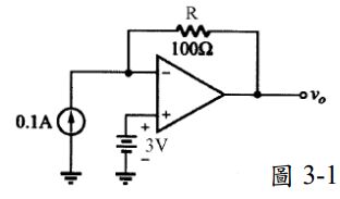
1. (6%) 如圖3-1,假設OPA的電源電壓為5V,請求輸出Vo的電壓?
2. (6%) 有一個MCU的GPIO輸出電壓為0或3.3V,輸出電流最大為1mA。若要控制一12V的直流馬達且最小負載電流為100mA,請使用一個電阻、一個二極體及二個NPN電晶體(VBE=0.7V, β=50)設計此電路。使GPIO輸出0V時馬達不運轉,輸出3.3V時馬達運轉。
3. (6%) 請用一個4對1的多工器實現下列布林代數功能。(A、B接選擇線) Y = f(A,B,C) = A'B'C'+AB'C'+A'B'C+AB'C
4. (6%) 如表3-1,Y = f(A,B,C),請找出輸出Y最簡的積之和方程式?
5. (6%) 如圖3-2,假設D為理想二極體,請求輸出Vo的工作週期?