阿摩線上測驗
登入
首頁
>
技檢◆工業電子-丙級
>
109年 - 109 全國高級中等學校學生技藝競賽考試_工業類:工業電子#138572
> 申論題
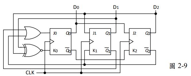
9. 如圖2-9電路圖中,若D
2
D
1
D0的初始狀態為000,且CLK適當觸發,電路經過4個時脈週期後,D
2
D
1
D0會呈現甚麼狀態?_________
相關申論題
4. (6%) 如表3-1,Y = f(A,B,C),請找出輸出Y最簡的積之和方程式?
#567296
5. (6%) 如圖3-2,假設D為理想二極體,請求輸出Vo的工作週期?
#567297
1. 如圖2-1所示電路,電晶體β=99,VBE=0.7V,VCC=10.7V,RB=300K,RC=1K。則VCE=___________。
#567283
2. 如圖2-2所示電路,若VBE=0.7V,β=50,VT=26mV,則電壓增益VO/Vi=____________。
#567284
3. 如圖2-3所示電路,若電感器、電容器於開關S閉合前皆無儲存能量,則S閉合後之電流I的穩態值為何?___________
#567285
4. 如圖2-4所示之電路,在正常工作下輸出電壓Vo=_______。
#567286
5. 如圖2-5所示之電路,請問ab兩端的戴維寧等效電壓Eth為何?_____________
#567287
6. 如圖2-6所示之JFET電路,已知VGS=–4V, ID=0.5mA,則R1/R2的值為何?_____________
#567288
7. 請問圖2-7之計數器,若電路狀態的呈現以Q4Q3Q2Q1Q0表示,請問初始狀態為11011,電路經過5個時脈週期後會呈現甚麼狀態?______________
#567289
8. 布林代數Y=f(A,B,C)其真值表如圖2-8,下列何者是圖2-8的和之積(Product of Sum)的最簡式__________________
#567290
相關試卷
114年 - 02800 工業電子 丙級 工作項目 10:數位系統 1-65(2025/10/16 更新)#132274
114年 · #132274
114年 - 02800 工業電子 丙級 工作項目 09:電子學 101-147(2025/10/16 更新)#132273
114年 · #132273
114年 - 02800 工業電子 丙級 工作項目 09:電子學 51-100(2025/10/16 更新)#132272
114年 · #132272
114年 - 02800 工業電子 丙級 工作項目 09:電子學 1-50(2025/10/16 更新)#132271
114年 · #132271
114年 - 02800 工業電子 丙級 工作項目 08:電工學 101-128(2025/10/16 更新)#132270
114年 · #132270
114年 - 02800 工業電子 丙級 工作項目 08:電工學 51-100(2025/10/16 更新)#132269
114年 · #132269
114年 - 02800 工業電子 丙級 工作項目 08:電工學 1-50(2025/10/16 更新)#132268
114年 · #132268
114年 - 02800 工業電子 丙級 工作項目 07:測試知識 1-48(2025/10/16 更新)#132267
114年 · #132267
114年 - 02800 工業電子 丙級 工作項目 06:電子儀表使用知識 1-44(2025/10/16 更新)#132266
114年 · #132266
114年 - 02800 工業電子 丙級 工作項目 05:裝配知識 1-55(2025/10/16 更新)#132265
114年 · #132265