所屬科目:技檢◆電力電子-甲級
2. 下圖電路中,E=5V,L=200μH,電感初值電流為 2.5A,若開關 S"ON",則 100μS 後電感電流為多少安培?(A)6A(B)10A(C)8A(D)5A。
3. 某全加器之被加數為 A,加數為 B,前級進位為 C,則此全加器的進位輸出為(A)AB+AC+BC(B) (C)A⊙B⊙C(D)A⊕B⊕C。
5. 下圖所示截波器電路,假設電感 L 夠大使得電流無漣波,當功率晶體的責任週期為 0.25 時,負載電壓為多少?(A)120V(B)200V(C)160V(D)180V。
6. 下圖所示之電路,若電流表之內阻為 0Ω,則流過電流表的電流應為多少?(A)15A(B)0A(C)10A(D)5A。
7. 下圖所示之電路,當其中的開關 S1 閉合(ON)之後,SCR 將如何?(A)間歇導通(B)截止導通(C)瞬間導通(D)延遲導通。
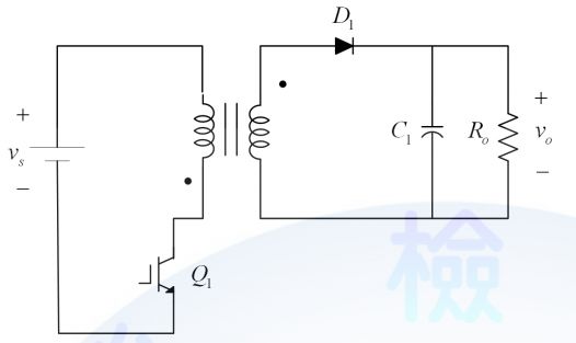
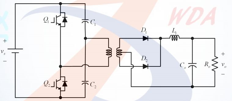
8. 如下圖所示,此功率轉換器為(A)flyback converter(B)forword converter(C)push-pull converter(D)half-b ridge converter。
13. 下圖所示電路中,iO 電流為連續,若正負半波對稱觸發且(T1、T4)及(T2、T3)成對導通,則 iD 波形為何?(A) (B) (C) (D)。
16. 下圖所示之電路,其中兩個 SCR 之電流額定容量的選擇為何?(A)無特定之規則(B)SCR1=SCR2(C)SCR1<SCR2(D)SCR1>SCR2。
17. 下圖所示之直流截波器(DC Chopper),當 E1=100V、E2=75V,交換(switching)週期為 10ms 時, 則 S 開啟(ON)時間應為多少?(A)7.5ms(B)5.5ms(C)3.5ms(D)2.5ms。
19. 調整下圖所示電路之中弦波電流源頻率 ω,使得V0 與is 同相位,求此頻率 ω 為多少 rad/s?(A)144 (B)100(C)250(D)200。
22. 下圖所示電路中,達靈頓功率電晶體(Darlington's Power Transistor)之二極體 SUD 功能為(A)漏電流 之旁路(B)-IB2 之迴路(C)提升功率電晶體之耐壓(D)+IB2 之旁路。
25. 下圖所示之電路,其中 R2 之設計考量為何?(A)只須配合 SCR 之閘極電流 Ig(B)與 C1 電容量及 SCR 之閘極電流 Ig 都有關(C)只與 C1 之電容量有關(D)與 R1 之阻值有關。
28. 下圖所示之電壓波形,其平均值為多少伏特?(A)2.5(B)7.07(C)5(D)3.18。
30. 下圖的輸出電壓(Vout )是何種波形?(A)正弦波(B)三角波(C)方波(D)鋸齒波。
31. 功率轉換器如下圖所示,下列敘述何者正確?(A)直流-交流功率轉換器(B)降壓型直流功率轉換器(C)昇壓型直流功率轉換器(D)具有雙向功率轉換。
33. 下圖所示電路中,開關接通瞬間電流上昇率為(A)2000(B)50(C)1000(D)100 A/s。
40. 如下圖所示,此功率轉換器的主要功能為何?(A)交流-交流功率轉換(B)直流-交流功率轉換(C)直流直流功率轉換(D)交流-直流功率轉換。
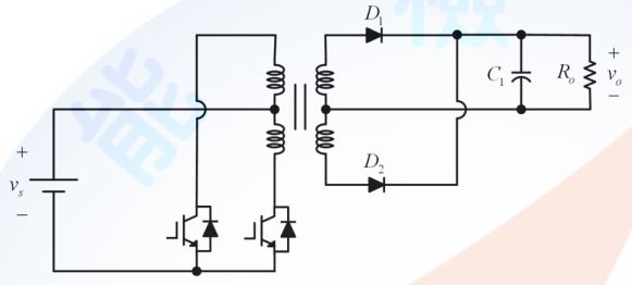
41. 如下圖所示,此功率轉換器為(A)push-pull converter(B)forward converter(C)full-bridge converter(D)half-bridge converter。
42. 下圖電路中齊納(Zener)二極體之參考電壓為 50V,其電流範圍為 5mA 至 40mA,則負載電流 IL 最大可為多少毫安?(A)5mA(B)25mA(C)35mA(D)30mA。
44. 下圖電路中,若 Vi=10mV 時,則輸出 Vo 為(A)20mV(B)10mV(C)0mV(D)-10mV。
48. 使用 IGBT 之 3,220V,1HP VVVF 變頻器,其載波頻率一般約為多少?(A)200Hz~1.5kHz 可調 (B)1kHz~30kHz 可調(C)50kHz~100kHz 可調(D)100kHz~200kHz 可調。
59. 下圖所示之符號,為何種元件之圖示符號?(A)GTO(B)IGBT(C)SUS(D)MOSFET。
61. 下圖所示電路中,直流電源電壓 V=12V,線路電阻 R=4Ω,調整負載電阻 RL,以產生最大功率傳輸至負載,則下列敘述何者正確?(A)傳送負載功率為 18W(B)選擇 RL=4Ω(C)選擇 RL=0Ω(D)傳送負載功率為 9W。
62. 下圖所示單相全波橋式整流電路具有純電阻負載,Vi(t)=Vmsin(377t)V,下列哪些選項正確?(A)二極體峰值逆向電壓為電源電壓最大值 Vm(B)波形因數約為 1.11(C)整流效率(rectification efficiency) 約為 0.707(D)漣波因數約為 0.482。
65. 下列何者為變容二極體(varactor diodes)的符號?(A) (B) (C) (D)。
73. 下圖所示之導通-截止(on-off)控制之交流電壓控制器,電源 Vi(t)= 120sin (2π60t)V,RL=10Ω。 閘流體開關控制導通 25 個週期,截止 75 個週期,重複循環,下列哪些選項正確?(A)各閘流體電流 有效值約為 4.24A(B)負載端電壓平均值為 0V(C)負載端電壓有效值為 60V(D)電源側功率因數約為 0.866。
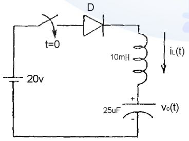
74. 下圖所示之電路,如果圖中的 C 和 L 在開關 SW 閉合之前沒有能量儲存,在 SW 閉合後,下列哪些選項正確?(A)理想二極體 D 導通時間約為 0.285ms(B)電容器在二極體 D 截止以後所充的電壓為 200 V(C)電路不停的持續振盪(D)電流ί的瞬時最大值約為 5.48A。
75. 有一布林代數式 ,可分別以全及項(minterm)與全或項(maxterm) 表示為(A) (B) (C)(D) 。
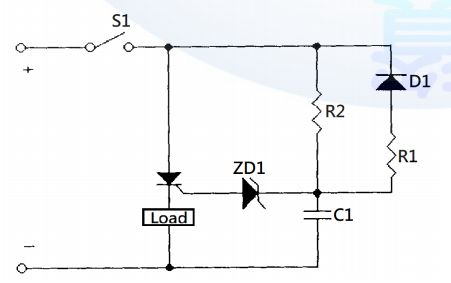
79. 如下圖所示穩壓電路,下列敘述何者正確?(A)可以升壓(B)電晶體如同可變電阻(C)電晶體為開關功能 (D)輸出電壓與輸入電壓差值愈大效率愈差。
80. 如下圖之電路,試應用諾頓等效電路求負載電阻 R 的最大功率 PMAX 以及等效電阻 IN 為(A)IN=4.2A (B)PMAX=3.8W(C)IN=4.8A(D)PMAX=3.6W。