所屬科目:教甄◆物理科專業
1. 如圖所示,兩上下底面平行的長方體木塊 A、B 重疊在一起,置於傾角為 θ 的固定斜面上,木 塊 A、B 的質量分別為 mA、mB,A 與斜面間的動摩擦係數為 μ1 ,B 與 A 之間的靜摩擦係數為 μ2,已知兩木塊都從靜止開始滑下,且 A、B 之間始終相對靜止,則木塊 B 受到的摩擦力應為 ___(1)___。(重力加速度以 g 表示)
2. 人和雪橇的總質量為 75kg,沿傾角 θ=370 且足夠長的斜坡向下滑動。已知所受的空氣阻力 與速度成正比,比例常數 k 未知,從某時刻開始計時,測得雪橇運動的速度對時間(v-t)關 係圖如下圖中的曲線 AD 所示,圖中 AB 是曲線在 A 點的切線,切線上一點 B 的坐標為(4, 15),CD 是曲線 AD 的漸近線。若重力加速度 g=10m/s2,試求雪橇與斜坡間的動摩擦係數應 為___(2)___。
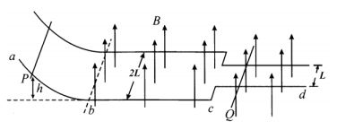
3. 如下圖所示,光滑平行金屬軌的 ab 部分是平滑的曲線,該處沒有磁場。 bc、cd 的部分置於水平桌面上,該處有均勻鉛直向上的磁場 B,且 bc 部分 的寬度 2L 是 cd 部分的兩倍。今有兩相同材質的導體棒 P、Q,質量分別為 m、2m,Q 原靜置於 cd 部分,P 則由高出桌面 h 處,由靜止滑下,設 bc、cd 的長度均甚長,且 P、Q 最後分別於 bc 和 cd 上作等速度運動,則導體棒 P 的終端速率應為___(3)___ 。
4. 一道單色光線自空氣射入液體中,遇到平面鏡 M 再反射到液面,若液體對空氣的折射率為 , 而在 A 點的入射角為 45°,則下圖中 θ 角 ≥ ___(4)___,才會在 B 點引起全反射。
5. A、B 兩木塊原先處於靜止的狀態,已知 A、B 兩木塊的質量比為 2:1 可忽略滑輪組 與繩索的質量與所有摩擦力。已知重力加速度為 g,求放手之後 B 的加速度為 ___(5)___g
6. 我們可利用用文氏管測量氣體的壓力差,現有一口徑不同的管子,內部有氣體穩定的通過, 如圖所示。已知 A、B 兩點所在橫截面的面積比為 2:1,且氣流通過 A 點的速率為 v0。氣體 密度為 d,水銀密度為 d’,A、B 兩點下方水銀柱高度分別為,則為___(6)___ (以 d、d’、v0 表示)
8. 下圖是把量程為3 毫安培的安培計改裝成歐姆計的結構示意圖,其中串接的電池電動勢ε=1.5伏特(無內電 阻),經改裝後,若將原電流計3毫安培刻度處的刻度值定為零歐姆位置,則2毫安培刻度處應標___(9)___ 歐姆
9. 質量為m的小球被兩個彈性係數為k的相同輕質彈簧繫在一個質量為M的盒子中(如圖所示),盒從高h 處靜止釋放(自桌面量起),在盒子釋放瞬間,兩彈簧均未發生形變,且小球相對盒靜止。若盒與桌面 在發生完全非彈性碰撞後還能跳起來,則釋放高度h至少為___(10)___ (設小球只能在鉛直方向運動, 重力加速度以g表示)
10. 一個質量均勻分布的絕緣細圓環,其半徑為 R ,質量為 m 。令此絕緣環均勻帶正電,總電量為Q,現 將此環平放在絕緣的光滑水平桌面上,並處於磁場強度為 B 的均勻磁場中,磁場的方向鉛直向下。當 此環通過其中心的鉛直軸以等角速度ω沿圖示方向旋轉時,此環上所產生的張力量值為___(11)___。
13. 有一子彈型透鏡其材質為玻璃,其尺寸大小如圖所示,其折射率為 1.5, 其中一面是平面另一面為球面,而球面的曲率半徑是 5.0cm,若有一物體 O 置於透鏡平面左方 10cm 處,則最終成像於___(15)___cm 處(此位置請以 O 點為參考點,向右為正)
14. 質譜儀測定同位素時,質量數為 39 與 41 的鉀單價離子先在電場加速,接著進入垂直離子運動方向的均勻磁場中。在實驗過程中,加速電壓平均值為 V0,若因儀器不完善使電壓有微幅 變化±ΔV。欲使兩同位素束不發生覆蓋,則 ΔV/ V0 要小於___(16)___%。
15. 長度為的輕桿在鉛直平面上並被固定在 O 點的光滑轉軸上,O 將輕桿分為長度 1:3 的兩個部分,桿一端 裝上質量為 m 的重球,桿另一端固定在彈力常數為 k 的水平彈簧上,當桿豎直時彈簧無形變。試求對小球 作微小擾動時其振動週期為___(17)___。
16. 如圖所示,半徑為 2R 與 R 的兩均勻圓盤,各自繞垂直於其盤面的中心軸以角速度ω和 3ω轉動,且兩轉軸互相平行。已知其對中心軸的轉動慣量分別為 4I 與I,若使兩圓盤 以邊緣接觸,則兩盤邊緣因有摩擦力 f 的作用,最後達到穩定狀態。則從接觸到穩定狀 態共歷時___(18)___。
17. 一輛車透過一根跨過定滑輪的繩子 P、Q,來提升井中質量為 m 的物體,如下圖所 示。繩子的 P 端栓在車後的掛鉤上,設繩子的總長不變,繩子、滑輪的質量不計。 開始時車子在 A 點,左右兩側繩子都已繃緊,並且都是保持鉛直,左側繩長為 H。提升時,車加速向左運動,沿水平方向由 A 運動至 B,令 A 至 B 距離為 ,車通過 B 點 時的速度為,試求車由 A 開至 B 的過程中,繩子 Q 端的拉力對物體作功為 ___(19)___
18. 如圖所示,一質量為 M 的直角三角形木塊,高度為 h,斜角為 ,起始時靜止於光滑的水平 桌面上,另一質量為 m 的小木塊,放置於直角三角形木塊的頂端,自靜止開始下滑,假設 兩木塊接觸面之間皆光滑,重力加速度為 g,則滑動過程中,m 相對於 M 的加速度為 ___(20)___
(1)先後將兩個上述一樣的小球 P、 Q 由 A 點靜止自由釋放,兩球在 C 點發生碰撞, ,則兩小球釋放的時間間隔為何?(3 分,答案請以G、ρ、π表示)
(1)試證明圓柱沿通過圓心軸(軸垂直其圓面)的轉動慣量為 (M 為圓柱質量,R 為圓 柱的圓半徑)(3 分)