所屬科目:教甄◆物理科專業
1. 下圖中 A 物質量為 m,B 物質量為 3m,所有接觸面的摩擦係數均為 0.5,今分別以 F1、F2、F3 的作用力,使物體 B 均作等速運動,則 F1 : F2 : F3 = ________。
2. 如圖所示,一均勻厚正方形木板 ABCD(邊長 a),重 W,以等高的支柱在 A、B、E 三點支撐木板使板面水平,已知,則 A 點所受正向力為 ________
3. 如圖,滑輪、繩子質量不計,忽略一切阻力,已知 A 的質量為 4m,B 的質量為 m,且 B 靜置於地面,若 A 由離地面 h 高度靜止釋放,則當 A、B 等高時,A 的速率為 ________。(已知重力場為 g )
4. 二同相的點波源 S1 、 S2 相距 16 公分,所產生的水波之波長均為 2 公分,今由波源 S1 向垂直於二波源連線的方向移動,在移動 12 公分的距離期間,會遇到 n 為 ________的節線。 (已知節線條件為,n 為正整數)
5. 一熱氣球,質量為 90 kg,容積為 500 m3 ,底部有一開口通於大氣,方便對球內空氣加熱,且加 kg 熱時球外空氣的溫度、壓力以及氣球容積均不變,在 0 ℃、1 atm 時,空氣密度為 1.3 ,若欲使體重為 60 kg 的人升空,則球內空氣應由 0 ℃加熱至攝氏 ________度。 (假設外界大氣恆為 0 ℃,1 atm)
8. 如圖,桌下繩的一端 B 物的質量為 M ,光滑桌面中心穿有一孔,用繩 繫質量為 m 的物體 A,恰可通過此孔繞中心做半徑為 r 的等速圓周 運動,已知重力加速度為 g ,試回答下列小題。若用手握住 B 物,緩 慢地向下拉,當 A 物的半徑變為 r/2 ,則手作功 ________
9. 一彈簧上端固定於牆壁上,下端繫著質量為 M 的物體而達平衡,突然間 M 爆 裂成質量 1:3 的兩塊碎片 A、B,其中 B 爆炸後瞬間下落速率為 v1 ,經過一段時間後,物體 B 的下落速率改為 v2 ,則此時 A 上升的速率為 u。則這段 時間中,彈力對 A 所作用的衝量為 ________
10. 如圖所示,有兩個同心的金屬薄球殼,半徑分別為 5 cm 與 15 cm,其中外球殼帶C 的電量,內球殼接地。試問,外球殼的電位為 ________
11. 如圖,長 2a、寬 a 的方形金屬軌道,拉成直導線時其電阻為 r ,放 在垂直出紙面的均勻磁場 B 中,有長度恰為 a 、電阻為 r/3 的金屬 棒靠在軌道上等速率 v 往左滑行,當滑行至離一邊 a/2 的位置時,則 金屬棒兩邊的電位差為 ________
12. 以兩種不同頻率的單色光 A、B 照射於同一金屬表面,所得的光電流 I 對電位差 V 的關係如圖所示。已知該金屬的功函數為 3 eV,且每一個光子皆可打出一個光電子。試問 A、B 兩入射光的強度(單位時間的能量)比 ________
13. 半徑為 r 的絕緣體光滑圓環被固定在鉛直平面內,環上套有一質量為 m 、 帶正電的珠子,整個空間有一水平向右的均勻電場,如右圖所示,若珠子所 受靜電力是其重力的 3/4 倍,今將珠子從環上最低位置 A 點靜止釋放,則 珠子所能獲得的最大速率為 ________。(已知重力場為 g )
14. 如圖,在一厚度均勻的石英玻璃片上,鍍有甲、乙兩種透光性 極佳的均勻薄膜,薄膜的寬度都為 0.25 mm 、厚度都為 d μm 。再將一直徑約為 0.45 mm、波長為 λμm 的雷射光束對準兩 膜的中心 C 處垂直膜面入射,若甲膜的折射率為 1.57,乙膜的 折射率為 1.67。若使穿透甲、乙兩膜的雷射光束,利用透鏡使 之交會於透鏡焦點處,則在該處會產生破壞性干涉,請寫出 d 與 λ 的關係式: ________。
15. 如圖所示,焦距為 20 cm 之凸透鏡自主軸分成兩半後相距 cm,其間以不透光之物體遮住。在透鏡前 30 cm 處置一點光源 S (光波波長為 500 nm),則距透鏡 210 cm 處之光屏上所成的干涉 條紋寬度為 ________cm。
16. 一單原子氣體的熱力系統進行如圖的循環過程,試問此系統經歷每一個循環所需吸收的熱能為 ________。
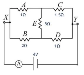
17. 如圖所示的電路,試問安培計讀值為 ________ 安培。
18. 如圖的彈簧與滑輪系統,已知彈簧的彈力係數為 k ,物體質量為 m ,動滑 輪質量 M ,動滑輪半徑為 R ,定滑輪質量不計,試問物體偏離平衡點後, 作微小振盪時,週期為 ________。(動滑輪的轉動慣量為 0.5 MR 2)
19. 兩物體質量分別為 m 和 M,上下疊在一起,在一光滑之固定斜 面上滑下,角度如圖所示,若兩物體之間沒有任何摩擦力,則 m 與 M 之間的垂直作用力量值為 ________。(已知重力場為 g)