阿摩線上測驗
登入
首頁
>
技檢◆工業電子-丙級
> 112年 - 02800 工業電子 丙級 工作項目 09:電子學 1-50#18972
112年 - 02800 工業電子 丙級 工作項目 09:電子學 1-50#18972
科目:
技檢◆工業電子-丙級 |
年份:
112年 |
選擇題數:
50 |
申論題數:
0
試卷資訊
所屬科目:
技檢◆工業電子-丙級
選擇題 (50)
1. 二極體反向偏壓時,空乏區寬度(A)不變(B)變大(C)變小(D)不一定。
2. 半導體之電中性是指(A)無自由電荷(B)無主要載子(C)有等量的正電荷與負電荷(D)無電荷存在。
3. 在 N 型半導體裡,電洞的濃度將隨溫度的升高而(A)增加(B)減少(C)對數關係增加(D)無關。
4. 當溫度升高時,一般金屬導體之電阻值增加,矽半導體在溫度上升時,其電阻值(A)下降(B)上升(C)不變(D)成絕 緣體。
5. N 型矽或鍺半導體(A)為絕緣體(B)含有多量電洞(C)是不良的導電體(D)含有多量的電子。
6. 下圖 V0輸出波形近似於(A)正弦波(B)三角波(C)階梯波(D)方波。
7. 調幅波載波振幅隨著下列何種調變信號參數而改變?(A)頻率(B)振幅(C)斜率(D)相角。
8. 調頻電台之最大頻率偏差為(A)±50kHz(B)±75kHz(C)±100kHz(D)±200kHz。
9. 接收機之調諧電路,其頻率響應曲線愈尖銳,則(A)傳真度愈高(B)選擇性愈佳(C)S/N 比較低(D)頻寬愈大。
10. 一正回授電路欲使其產生正弦波振盪時,則環路增益(Loop Gain)應大約等於(A)0(B)1(C)√2 (D)√29 。
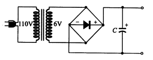
11. 下圖所用之電解電容器 C 其耐壓最小要多少伏特以上?(A)6V(B)10V(C)16V(D)25V。
12. 下圖,vi輸入一方波信號為 1kHz,在輸出未飽和情況下,輸出信號 vo 應為(A)方波(B)鋸齒波(C)三角波(D)矩形 波。
13. 下圖電流源為 0.1A,電壓源為 3V,R 為 100Ω,則輸出電壓 vo 為(A)+13V(B)+7V(C)0V(D)-7V。
14. 下圖若 v
i
=20V 之 1kHz 正弦波信號,則輸出 v
o
為(A)V
p
=-14V 之 1kHz 正弦波(B)V
p
=+14V 之 1kHz 正弦波(C) V
p
=+14V 之 1kHz 餘弦波(D)V
p-p
=20V 之方波。
15. 有關理想放大器的特性,下列何者不正確(A)輸入阻抗無窮大(B)輸出阻抗無窮大(C)頻帶寬度無窮大(D)電壓增益 無窮大。
16. SCR 導通後 A-K 兩端點間之電壓降約為(A)0.6~0.8V(B)1~2V(C)4~5V(D)10~20V。
17. 下列敘述何者不正確(A)TRIAC 可控制交流電功率(B)SCR 為單向導通元件(C)DIAC 可作觸發元件(D)UJT 為單向激 發導電二極體。
18. 一般 DIAC 之崩潰電壓約為(A)5~10V(B)10~25V(C)25~45V(D)60~80V。
19. UJT 的 η 值(本質內分比)將隨著溫度增加而(A)減少(B)增加(C)不變(D)不一定。
20. 若電晶體的 β 值是 99,則其共基極之順向電流轉換率 α 等於(A)0.01(B)9.9(C)1.01(D)0.99。
21. 有關下圖之敘述,下列何者為真(A)R
1
短路,則 V
C
=12V(B)R
1
斷路,則 V
C
=12V(C)R
1
斷路,則 V
C
=0V(D)R
1
短 路,則 V
C
=0V。
22. 下圖電路其交流電壓增益約為(A)-2(B)-4(C)+100(D)-100。
23. 下圖場效電晶體 r
d
=30kΩ,g
m
=2mS,則此電路在低頻時電壓增益為(A)-60(B)60×1000(C)-15(D)-15×1000。
24. 下圖電路為(A)倍壓整流電路(B)截波電路(C)檢波電路(D)濾波電路。
25. 下圖 V
i
=10V,而 V
o
為(A)5V(B)5.6V(C)6.2V(D)10V。
26. 在限流(Limited Current)的穩壓電源上,接上負載電阻時,其過負載的指示燈亮時,原因不可能是(A)負載短路(B) 限流值設定過小(C)電源輸出端兩端因接觸短路(D)使用高阻抗儀表測試負載端。
27. 在電晶體各組態中,若 I
B
為固定,則電壓增益與電流增益乘積最高的是(A)共基極(B)共射極(C)共集極(D)共閘極。
28. 電晶體共射極放大器,加入射極電阻器而不加旁路電容器可(A)提高輸入阻抗(B)降低輸出阻抗(C)降低輸入阻抗 (D)增加非線性失真。
29. 電晶體的共基極短路電流增益 α 與共射極短路電流增益 β 兩者之間的關係為:
。
30. 場效電晶體(FET)工作時靠(A)電壓(B)電流(C)電阻(D)電容 來控制其電流大小。
31. 效率最高的放大器是(A)甲類(B)乙類(C)甲乙類(D)丙類 放大器。
32. 正常 OCL 放大器,其輸出端的中點電壓為(A)0V(B)1/2Vcc(C)2/3Vcc(D)1Vcc。
33. 二極體不能做下列那一項工作(A)整流(B)檢波(C)放大(D)偏壓。
34. 一理想的電流源,其內阻應為(A)零(B)無窮大(C)隨負載而定(D)固定值。
35. 下圖倍壓整流電路應為多少倍(A)二倍(B)三倍(C)四倍(D)六倍。
36. 上升時間(Rise Time)之定義是波形由(A)0~100%(B)5%~95%(C)10%~90%(D)50%~100% 所經過的時間。
37. 若理想電源供應器的滿負載為 4Ω,若負載電流降為滿負載時的一半,則負載電阻為(A)2Ω(B)8Ω(C)視電壓大小 而定(D)視電流大小而定。
38. 全波整流電路中,每只二極體的最大電流為 10A,各串聯一只 0.1Ω 電阻的目的,依下列敘述何者錯誤(A)限流 (B)平衡兩個二極體所通過的電流(C)平衡兩個二極體所消耗的功率(D)兩個二極體獲得熱平衡。
39. 橋式整流的漣波頻率為電源頻率的(A)2 倍(B)3 倍(C)4 倍(D)1 倍。
40. 下列整流電路,何者可得全波整流輸出?(A)A與B(B)B與C(C)C與D(D)A 與 D。
41. 下列電路具有開關之動作為(A)箝位電路(B)截波電路(C)整流電路(D)交換電路。
42. 一個時間常數(Time Constant)是表示輸出信號達到飽和值的(A)26.8%(B)50%(C)63%(D)75%。
43. 雙載子電晶體交換電路,工作於非飽和區,交換速度很短,主要乃是電路不工作在(A)截止區(B)動作區(C)飽和 區(D)電阻區。
44. FET 三個參數(gm,rd,μ)之關係是(A)gm=μ×rd(B)μ=gm×rd(C)rd=gm×μ(D)rd=gm/μ。
45. 下圖所示之電路,其輸入與輸出相位(A)相差 180°(B)相同(C)相差 90°(D)接近於 0°。
46. 共集極電路結構是
。
47. 半波整流電路,若輸入為正弦波 120 伏特有效值,負載為純電阻,則輸出 V
DC
為(A)54 伏特(B)70 伏特(C)108 伏 特(D)162 伏特。
48. 射級隨耦器屬於(A)電流串聯回授(B)電壓串聯回授(C)電壓並聯回授(D)電流並聯回授。
49. 放大器的偏壓選擇不當,將引起(A)波幅失真(B)頻率失真(C)相位失真(D)輸入信號短路。
50. 某一放大器其輸入功率為 0.1W,輸出功率為 10W,則功率增益為(A)0.1dB(B)1dB(C)10dB(D)20dB。
申論題 (0)
相關試卷
114年 - 02800 工業電子 丙級 工作項目 10:數位系統 1-65(2025/10/16 更新)#132274
114年 · #132274
114年 - 02800 工業電子 丙級 工作項目 09:電子學 101-147(2025/10/16 更新)#132273
114年 · #132273
114年 - 02800 工業電子 丙級 工作項目 09:電子學 51-100(2025/10/16 更新)#132272
114年 · #132272
114年 - 02800 工業電子 丙級 工作項目 09:電子學 1-50(2025/10/16 更新)#132271
114年 · #132271
114年 - 02800 工業電子 丙級 工作項目 08:電工學 101-128(2025/10/16 更新)#132270
114年 · #132270
114年 - 02800 工業電子 丙級 工作項目 08:電工學 51-100(2025/10/16 更新)#132269
114年 · #132269
114年 - 02800 工業電子 丙級 工作項目 08:電工學 1-50(2025/10/16 更新)#132268
114年 · #132268
114年 - 02800 工業電子 丙級 工作項目 07:測試知識 1-48(2025/10/16 更新)#132267
114年 · #132267
114年 - 02800 工業電子 丙級 工作項目 06:電子儀表使用知識 1-44(2025/10/16 更新)#132266
114年 · #132266
114年 - 02800 工業電子 丙級 工作項目 05:裝配知識 1-55(2025/10/16 更新)#132265
114年 · #132265