所屬科目:流體力學
二、水從軟管噴嘴流出,流速為 12 m/s。試求它可以達到噴嘴上方的最大高度是多少?(20 分)
三、三維流場速度向量 為,其中 u=x+y, v=xy3+ 16 , w= 0,試問在那一個點上的 V= 0。(20 分)
四、如圖所示,內徑恆定為 0.075 m 的虹吸管配置。若 A、B 之間的摩擦損失為 0.8V2 ⁄2,其中 為虹吸管內的流速,求 B 點的流量。 (20 分)
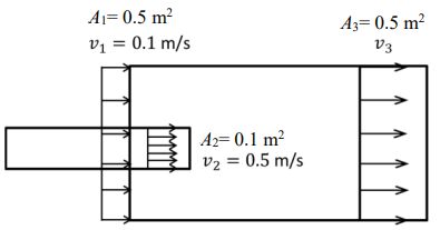
五、有一水管,截面積 A1=A3= 0.5 m2 ,左側入流流速 v1= 0.1 m/s,現在A1斷面加入一水管截面積 A2= 0.1 m2 ,並以流速 v2= 0.5 m/s注水,假設其為不可壓縮流,試問在經過充分混和後,最右側出流流速v3為何? (20 分)