所屬科目:泉勝◆基本電學(上冊)
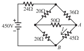
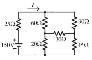
1.如圖電路,其中的電流 I 為何?(台北捷運 112)
(A)1A (B)1.5A(C)3A (D)0A
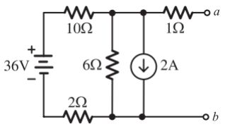
2.如圖所示電路中的 V1、V2 電壓為何?(台北捷運 112)
(A)V1 = 4.5、V2 = 0.5V (B)V1 = 1.5V、V2 = 3.5V (C)V1 = 5V、V2 = 5V (D)V1 = 3.5V、V2 = 1.5V
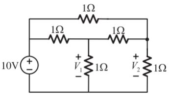
3.如圖所示,跨於 20Ω 的電阻器兩端之電壓為多少?(台北捷運 112)
(A)150V (B)100V(C)90V (D)80V
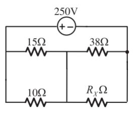
4.如圖所示,為使電路中消耗的總功率為 2.5kW,電阻器 Rx 的值為何?(台北捷運 112)
(A)12Ω (B)15Ω(C)32Ω (D)38Ω
5.有一單埠電路,其戴維寧等效電壓為 100 伏特,諾頓等效電流為 20 安培, 請問其諾頓與戴維寧等效電阻各為何?(台北捷運 112)(A)1/5Ω,1/5Ω (B)5Ω,1/5Ω (C)5Ω,5Ω (D)1/5Ω,5Ω
6.如下圖所示,則其戴維寧等效電壓 (ETH) 與戴維寧等效電阻 (RTH) 分別為何 ? (台北捷運 112)
(A)2V,24Ω (B)3V,12Ω (C)4V,20Ω (D)7V,21Ω
7.如圖所示,則電壓 VA 與 VB 分別為何?(台北捷運 112)
(A) VA = 4 V,VB = 10 V (B) VA = 4 V,VB = 12 V (C) VA = 6 V,VB = 8 V (D) VA = 6V,VB = 10 V
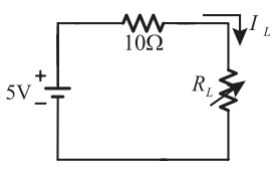
8.如圖所示,要讓負載 RL 有最大之消耗功率,則負載電阻 RL 可選擇為多少? (台北捷運 112)
(A)2Ω (B)10Ω(C)20Ω (D)30Ω
9.如圖所示,則此時 R 之最大消耗功率為何?(台北捷運 112)
(A)2.5W (B)5.0W(C)10.0W (D)11.25W
10.如圖所示,求諾頓等效電流 I 為多少安培 ?(台北捷運 112)
(A)5.5mA (B)7.5mA (C)10mA (D)12.5mA
11.如圖電路,試求流經 A、B 兩點間的電流 I 為何?(台北捷運 112)
(A)3A (B)4A(C)5A (D)6A
12.小明欲使用迴路電流法來分析圖電路,I1 及 I2 為假設之網目 (mesh) 電流, 試求網目電流 I1 為多少?(台糖 112)
(A)0.5A (B)1A(C)1.5A (D)2.5A
13.如圖所示,試求電流 I 為多少?(台糖 112)
(A)2A(B)2.5A(C)4A(D)5.5A
14.如圖所示,若化簡為戴維寧等效電路,a、b 兩點之等效電阻 Rth 及等效 電壓 Vth 為多少?(台糖 112)
(A)Rth = 5Ω (B)Rth = 10Ω (C)Vth = 4V (D)Vth = 8V
15.有關克希何夫電壓定律 (KVL),以下敘述何者正確?(台糖 112) (A) 封閉迴路中單一節點的電壓為零 (B) 封閉迴路中所有元件兩端電壓的代數和等於零 (C) 封閉迴路中總電壓升等於總電壓降 (D) 只要是電路就可以適用該定律
16.如圖所示,16Ω 電阻消耗 4W 功率,下列何者正確?(台糖 112)
(A)Vab= 4V (B)I1 = 2.5A (C)R= 25Ω (D)70V 電源提供電路 140W 功率
17.如圖所示之電路,試求 a 點之電壓為何?(地方特考 112)
(A)30V (B)40V(C)45V (D)50V
18.如圖所示之電路,求輸出至 R 的最大功率(Pmax)之值為何?(地方特考112)
(A)300W (B)325W(C)350W (D)375W
19.如圖所示,依戴維寧定理,計算自端點 a-b 所視之等效電阻 Rab 為多少歐姆(Ω)?(地方特考 112)
(A)3 (B)6 (C)7 (D)15
20.如圖所示之電路,從端點 a 與端點 b 之間看入,所得到的戴維寧等效電壓以及諾頓等效電流之敘述,下列何者正確?(地方特考 112)
(A)約等於 40V (B)約等於 80V(C) 約等於 3.6A (D)約等於 6.4A