所屬科目:泉勝◆基本電學(上冊)
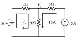
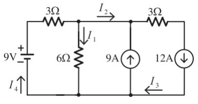
1.電路如圖所示,求 Va=?(電路摘自台北捷運 112)
(A)50V(B)75V(C)100V (D)120V
2.電路如圖所示,求 I2=?(電路摘自台北捷運 112)
(A)1A(B)2A(C)3A(D)5 A
3.電路如圖所示,使用迴路電流法,I1=?(電路摘自台北捷運 112)
(A)-10A(B) -5A(C)3A(D)8A
4.電路如圖所示,使用重疊定理,僅考慮 50V 電源時,I20Ω=?(電路摘自台北捷 運 112)(A)1A(B)2A(C)3A(D)5A
5.電路如圖所示,使用重疊定理,僅考慮 15A 電源時,I20Ω=?(電路摘自台北捷 運 112)
(A)1A(B)2A(C)3A(D)5A
6.電路如圖所示,20Ω 電阻是負載,=?(電路摘自台北捷運 112)
(A)125V (B)150V(C)160V(D)180V
7.電路如圖所示,20Ω 電阻是負載,Rth=?(電路摘自台北捷運 112)
(A)1Ω(B)2Ω(C)3Ω(D)5Ω
8.電路如圖所示,20Ω 電阻是負載,=?(電路摘自台北捷運 112)
(A)10A(B)12A(C)20A(D)25A
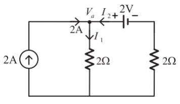
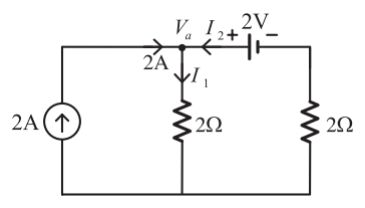
9.電路如圖所示,求 Va=?(電路摘自中油 109)
10.電路如圖所示,求 I1=?(電路摘自中油 109)
(A)1A(B)0.5A(C)0.3A(D)0.1 A
11.電路如圖所示,使用迴路電流法,I1=?(電路摘自中油 109)
(A)-0.5A(B) -1A(C)0.5A(D)1A
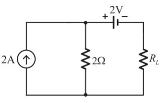
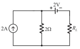
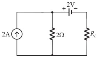
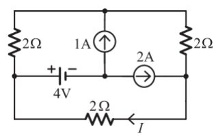
12.電路如圖所示,=2Ω,使用重疊定理,僅考慮 2A 電源時,負載 I=?(電路 摘自中油 109)
(A)1A 向下(B)2A 向下(C)1A 向上(D)0.5A 向上
13.電路如圖所示,=2Ω,使用重疊定理,僅考慮 2V 電源時,負載 I=?(電路摘自中油 109)(A)0.5A 向上(B)1A 向上(C)0.5A 向下(D)1A 向下
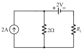
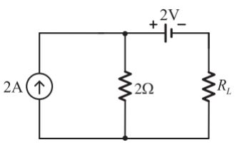
14.電路如圖所示,是負載,=?(電路摘自中油 109)
(A)1V(B)2V(C)3V(D)4V
15.電路如圖所示,RL 是負載,=?(電路摘自中油 109)
16.電路如圖所示,是負載,=?(電路摘自中油 109)
(A)1A(B)2A(C)3A(D)4A
17.電路如圖所示,=2Ω,負載 I=?(電路摘自中油 109)
(A)0.5A 向上(B)1A 向上(C)0.5A 向下(D)1A 向下
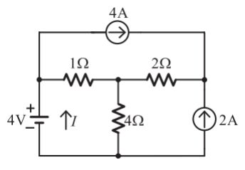
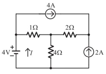
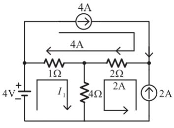
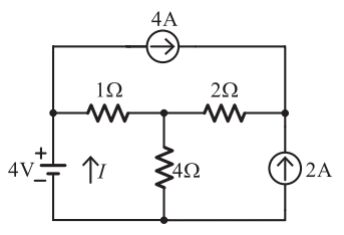
18.電路如圖所示,求 Va=?(電路摘自統測 112)
(A)2V(B)4V(C)6V(D)8V
19.電路如圖所示,求 I2=?(電路摘自統測 112)
20.電路如圖所示,求 I=?(電路摘自統測 112)
(A)0A(B)1A(C)-1A(D)2 A
21.電路如圖所示,使用迴路電流法,I1=?(電路摘自統測 112)
(A)-10A(B) -5A(C)0A(D)8A
22.電路如圖所示,使用重疊定理,僅考慮 4V 電源時,I=?(電路摘自統測 112)
(A)0.8A 向上(B)0.8A 向下(C)1A 向上(D)1A 向下
23.電路如圖所示,使用重疊定理,僅考慮 4A 電源時,I=?(電路摘自統測 112)
(A)0.8A 向上(B)0.8A 向下(C)1A 向上(D)1.6A 向下
24.電路如圖所示,使用重疊定理,僅考慮 2A 電源時,I=?(電路摘自統測 112)
(A)0.8A(B)-0.8A(C)1A(D)-1.6A
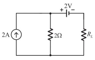
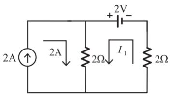
25.電路如圖所示,4Ω 電阻是負載,=?(電路摘自統測 112)
(A)10V(B)15V(C)16V(D)18V
26.電路如圖所示,4Ω 電阻是負載,=?(電路摘自統測 112)
27.電路如圖所示,4Ω 電阻是負載,=?(電路摘自統測 112)
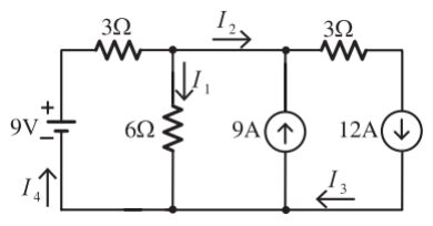
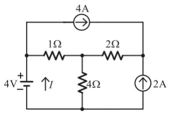
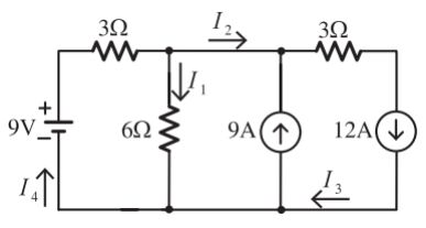
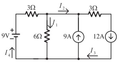
28.電路如圖所示,求 I1=?(統測 110)
(A)0A(B)2A(C)3A(D)12A
29.電路如圖所示,求 I2=?(統測 110)
30.電路如圖所示,求 I3=?(統測 110)
31.電路如圖所示,求 I4=?(統測 110)
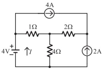
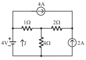
32.電路如圖所示,求 I=?(統測 112)
(A)1A(B)1.2A(C)1.67A(D)2A