阿摩線上測驗
登入
首頁
>
技檢◆工業配線-乙級
> 114年 - 01300 工業配線 乙級 工作項目 01:識圖與繪圖 51-93(2025/10/09 更新)#132020
114年 - 01300 工業配線 乙級 工作項目 01:識圖與繪圖 51-93(2025/10/09 更新)#132020
科目:
技檢◆工業配線-乙級 |
年份:
114年 |
選擇題數:
43 |
申論題數:
0
試卷資訊
所屬科目:
技檢◆工業配線-乙級
選擇題 (43)
51. 電纜頭之代表符號為 (A)CC (B)HC (C)TC (D)CH 。
52. 如下圖所示,氣壓回路中所使用之器具為
(A)乾燥器 (B)積水器 (C)濾清器(D)加滑油器 。
53. 附電力保險絲之高壓負載開關(LBS),其符號為 (A)
(B)
(C)
(D)
。
54. 如下圖所示為
(A)零相電壓互感器 (B)零相變流互感器 (C)電壓電流兩用互感器 (D)附保護套之變流互感器 。
55. 方向性接地電驛之符號為 (A)
(B)
(C)
(D)
。
56. VCB 之英文符號表示 (A)真空斷路器 (B)真空開關 (C)電壓計切換開關 (D)主控制器 。
57. 如下圖中控制管路的接口為
(A)A,B (B)P (C)R (D)Z 。
58. 如下圖所示,是表示
(A)同步電動機 (B)步進電動機 (C)感應電動機 (D)直流電動機 。
59. 如下圖所示為
(A)橋式整流器 (B)半波整流器 (C)惠斯登電橋 (D)雙電橋 。
60. 如下圖所示為
(A)自動操作自動復歸 a 接點 (B)手動操作自動復歸 a 接點 (C)限時動作 a 接點 (D)限時動作 b 接點 。
複選題
61. 按鈕開關常開 a 接點的電路符號為 (A)
(B)
(C)
(D)
。
複選題
62. 如下圖所示之定時器(Timer)動作時序圖中,其接點為下列哪些型式?
(A)接點 1 為瞬時 a 接點 (B)接點 1 為瞬時 b 接點 (C)接點 2 為延時 a 接點 (D)接點 3 為延時 b 接點 。
複選題
63. 氣壓迴路中,下列哪些氣壓馬達符號是將氣壓能轉變為旋轉機械能?(A)
(B)
(C)
(D)
。
複選題
64. 下列哪些是正確的氣壓符號?(A)壓力計
(B)壓力計
(C)流量計
(D)流量計
。
複選題
65. 線圈斷電延遲復歸(OFF Delay),b 接點的電路符號為 (A)
(B)
(C)
(D)
。
複選題
66. 線圈通電延遲動作(ON Delay),a 接點的電路符號為 (A)
(B)
(C)
(D)
。
複選題
67. 氣壓迴路中,壓力控制閥之符號為 (A)
(B)
(C)
(D)
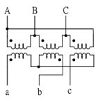
。
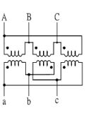
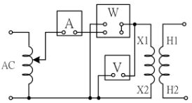
複選題
68. 能產生恆定電流的裝置稱為電流源,其電路符號: (A)
(B)
(C)
(D)
。
複選題
69. 電壓切換開關之符號為 (A)
(B)
(C)
(D)
。
複選題
70. 如下圖所示為複激式直流電動機內場繞組之激磁電流,其產生的磁勢方向屬於下列哪些型式?
(A)差複激式 (B)積複激式 (C)減複激式 (D)加複激式 。
複選題
71. 氣壓迴路中,下列圖中哪些為 4 口 3 位方向控制閥? (A)
(B)
(C)
(D)
。
複選題
72. 在電動機啟動電路中,當作開關控制電動機運轉的固態元件為(A)
(B)
(C)
(D)
。
複選題
73. 如圖所示之橋式整流電路,下列哪些正確? (A)
(B)
(C)
(D)
。
複選題
74. 下列圖中哪些為電能之量度儀表符號? (A)
(B)
(C)
(D)
。
複選題
75. 下列符號哪些為正確? (A)燈用總配電盤
(B)燈用總配電盤
(C)電力總配電盤
(D)電力總配電盤
。
複選題
76. 下列符號哪些為正確? (A)過電流電驛
(B)過電流電驛
(C)欠電壓電驛
(D)欠電壓電驛
。
複選題
77. 如下圖所示,符號為
(A)非複激式直流電動機 (B)複激式直流電動機 (C)長並聯複激式直流電動機 (D)短並聯複激式直流電動機 。
複選題
78. 下列符號哪些為正確?(A)單接合電晶體(UJT)
(B)單接合電晶體(UJT)
(C)光電容器
(D)光電晶體
。
複選題
79. 符合下圖所示之真值表,為下列哪些邏輯閘?
(A)
(B)
(C)
(D)
。
複選題
80. 下列圖中哪些為正反器(flip-flop)之符號? (A)
(B)
(C)
(D)
。
複選題
81. 下列哪些圖為單相感應電動機接線圖? (A)
(B)
(C)
(D)
。
複選題
82. 如下圖所示為變壓器的哪些測試電路?
(A)短路試驗 (B)開路試驗 (C)鐵損量測 (D)銅損量測 。
複選題
83. 如下圖所示之定時器(Timer)動作時序圖中,其接點為下列哪些型式?
(A)接點 1 為瞬時 a 接點 (B)接點 1 為瞬時 b 接點 (C)接點 2 為延時 a 接點 (D)接點 3 為延時 b 接點 。
複選題
84. 如下圖之邏輯電路,其輸出 f 等於
(A)
(B)
(C)
(D)
。
複選題
85. 如下圖所示,下列哪些為比流器之電路符號? (A)
(B)
(C)
(D)
。
複選題
86. 下列圖中之符號,哪些可供專用雙插座使用? (A)
(B)
(C)
(D)
。
複選題
87. 下列符號哪些為正確? (A)差動電驛
(B)差動電驛
(C)功率因數計
(D)功率因數計
。
複選題
88. 下列哪些圖示為極限開關 b 接點之電路符號? (A)
(B)
(C)
(D)
。
複選題
89. 下列哪些圖示為電容器的電路符號? (A)
(B)
(C)
(D)
。
複選題
90. 下列哪些為正確的 SCR 保護電路圖? (A)
(B)
(C)
(D)
。
複選題
91. 下列哪些為正確的電路符號?(A)發光二極體
(B)發光二極體
(C)變容二極體
(D)變容二極體
。
複選題
92. 下列哪些接線圖能正確運作? (A)
(B)
(C)
(D)
。
複選題
93. 下列圖中哪些正確? (A)
(B)
(C)
(D)
。
申論題 (0)
相關試卷
114年 - 01300 工業配線 乙級 工作項目 05:檢查及故障排除檢修 51-107(2025/10/09 更新)#132030
114年 · #132030
114年 - 01300 工業配線 乙級 工作項目 05:檢查及故障排除檢修 1-50(2025/10/09 更新)#132029
114年 · #132029
114年 - 01300 工業配線 乙級 工作項目 03:可程式控制器(PLC)之應用 51-120(2025/10/09 更新)#132025
114年 · #132025
114年 - 01300 工業配線 乙級 工作項目 03:可程式控制器(PLC)之應用 1-50(2025/10/09 更新)#132024
114年 · #132024
114年 - 01300 工業配線 乙級 工作項目 02:低壓配電盤及控制盤 101-150(2025/10/09 更新)#132023
114年 · #132023
114年 - 01300 工業配線 乙級 工作項目 02:低壓配電盤及控制盤 51-100(2025/10/09 更新)#132022
114年 · #132022
114年 - 01300 工業配線 乙級 工作項目 02:低壓配電盤及控制盤 1-50(2025/10/09 更新)#132021
114年 · #132021
114年 - 01300 工業配線 乙級 工作項目 01:識圖與繪圖 1-50(2025/10/09 更新)#132019
114年 · #132019
113年 - 113-3 全國技術士技能檢定學科_乙級:01300工業配線#123626
113年 · #123626
112年 - 112-3 全國技術士技能檢定學科_乙級:01300工業配線#123435
112年 · #123435