所屬科目:技檢◆工業配線-乙級
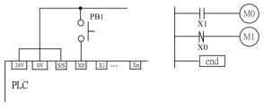
(A)PB1 放開、PB2 放開時,SL 亮 (B)PB1 放開、PB2 押下時,SL 熄 (C)PB1 押下、PB2 放開時,SL 熄 (D)PB1 押下、PB2 押下時,SL 亮 。
(A)PB1 放開、PB2放開時,SL 熄 (B)PB1 放開、PB2 押下時,SL 亮 (C)PB1 押下、PB2 放開時,SL 亮 (D)PB1 押下、PB2 押下時,SL 熄 。