阿摩線上測驗
登入
首頁
>
技檢◆工業配線-乙級
> 114年 - 01300 工業配線 乙級 工作項目 05:檢查及故障排除檢修 51-107(2025/10/09 更新)#132030
114年 - 01300 工業配線 乙級 工作項目 05:檢查及故障排除檢修 51-107(2025/10/09 更新)#132030
科目:
技檢◆工業配線-乙級 |
年份:
114年 |
選擇題數:
57 |
申論題數:
0
試卷資訊
所屬科目:
技檢◆工業配線-乙級
選擇題 (57)
51. 比流器是低導磁鐵心之一種變壓器,因此二次側不可 (A)接電容器 (B)短路 (C)開路 (D)接電流表 。
52. 三相繞線式感應電動機之起動裝置,下列何者較為適當? (A)Y-Δ起動器 (B)二次電阻起動器 (C)起動補償器 (D)起動變壓器 。
53. 某一比流器設其變流比為 100/5A,阻抗為 1.6Ω,則該 CT 之負擔為 (A)8VA (B)16VA (C)40VA (D)160VA 。
54. 配電盤內比流器(CT)二次側配線之顏色應採用 (A)黑色 (B)紅色 (C)黃色(D)藍色 。
55. R、S、T 代表電源線,U、V、W 代表感應電動機線端,如 R-U、S-V、T-W 連接為正轉,接線變更仍為正轉其接線為 (A)R-V、S-U、T-W(B)R-V、S-W、T-U (C)R-W、S-V、T-U (D)R-U、S-W、T-V 。
56. 有關繞線型電動機,下列敘述何者正確? (A)電源電壓由定子線圈加入(B)電源電壓由轉子線圈加入 (C)僅可作單段降壓起動 (D)其起動轉矩較同馬力鼠籠型感應電動機小 。
57. 輸送機(Conveyer)及幫浦(Pump)等定速運轉之電動機以採用下列何種最為經濟? (A)三相鼠籠型感應電動機 (B)三相同步電動機 (C)三相並激換向電動機 (D)直流並激電動機 。
58. 在三點式按鈕開關中 FWD 之標示代表 (A)過載 (B)前進 (C)逆向 (D)停止 。
59. 直流電流計附屬之分流器容量,選用時應選用 (A)與負載電流相同者 (B)負載電流 1.5 倍以上 (C)負載電流 5 倍以上 (D)負載電流 10 倍以上 。
60. 無熔線斷路器啟斷容量(IC 值)之選定依 (A)線路之電壓降 (B)功率因數 (C)短路電流 (D)使用額定電流 。
61. 分別使用兩個標示為 10KΩ/V 與 20KΩ/V 之三用電錶,測量電路之電壓值時 (A)10KΩ/V 者較為精確 (B)20KΩ/V 者較為精確 (C)10KΩ/V 者不可用來測量電壓值 (D)20KΩ/V 者不可用來測量電壓值 。
62. 三相四極 60Hz 之電動機其全載之轉速為 1755rpm,其轉差率為 (A)45%(B)25% (C)5% (D)2.5% 。
63. 正確測試一組脈波信號之電壓值應使用 (A)三用電表 (B)交流電壓表 (C)頻率表 (D)示波器 。
64. 比壓器(PT)與比流器(CT)在使用上最大的區別為 (A)PT 二次側不可短路、CT 二次側不可開路 (B)PT 二次側不可開路、CT 二次側不可短路 (C)PT 二次側不能使用保險絲 (D)CT 二次側須使用保險絲 。
65. 三相電路,若線電壓 6KV 負載為 300KW,而功率因數以 80%計,則其線電流約為 (A)20A (B)36A (C)30A (D)24A 。
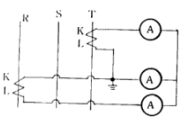
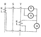
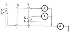
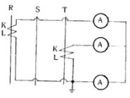
66. 利用三具電流表和兩具 CT 以測定三相交流回路之各相電流其正確接線為 (A)
(B)
(C)
(D)
。
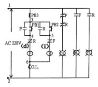
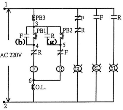
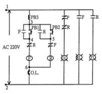
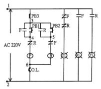
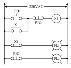
67. 如下圖所示 PB1,PB2 之按鈕開關作用在
(A)啟動 (B)停止 (C)保持 (D)連鎖 。
68. 如下圖所示(b),(g)之接點作用在
(A)啟動 (B)停止 (C)保持 (D)連鎖 。
69. 如下圖所示 PB3 之按鈕開關作用在
(A)啟動 (B)停止 (C)保持 (D)連鎖 。
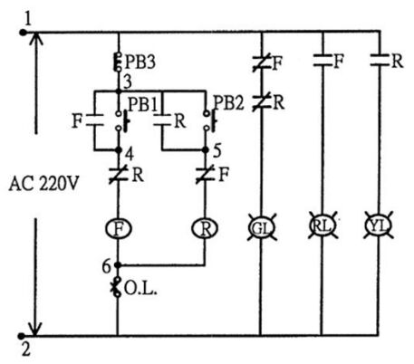
70. 如下圖所示當 F 動作後測試端子應有 220V 者為
(A)4-6 (B)2-6 (C)3-4 (D)1-4 。
71. 如下圖所示(d),(i)接點之作用在
(A)啟動 (B)停止 (C)保持 (D)連鎖 。
72. 依 CNS 標準,MWG 級,中壓配電盤所使用之斷路器須為 (A)W 級 (B)Y級 (C)Z 級 (D)X 級 。
複選題
73. 鼠籠式感應電動機的機構中,沒有下列哪些構造? (A)轉子鐵心 (B)定子鐵心 (C)換向器 (D)滑環 。
複選題
74. 繞線式轉子感應電動機(WRIM)的轉子上,所外加的起動電阻,其作用為 (A)提高起動轉矩 (B)減少起動電流 (C)在同步轉速以下的轉速控制 (D)變更轉向 。
複選題
75. 一部 8 極 60Hz 繞線式轉子電動機,在轉子短路時滿載轉速為 875rpm,轉子電阻為 0.3,當加入起動電阻後,下列敘述哪些正確? (A)起動電阻為 1.7 時,轉速為 735.5rpm (B)起動電阻為 2.7 時,轉速為723.5rpm (C)起動電阻為 3.7 時,轉速為 646rpm (D)起動電阻為 4.7 時,轉速為 482rpm 。
複選題
76. 感應電動機使用降壓起動時,下列敘述哪些正確? (A)起動電流值降為原先值的 1/2 (B)起動電流值仍然大於運轉電流 (C)線電壓值降為 1/2 時,其轉矩降為原先值之 1/4 (D)Y-△起動不屬於降壓起動 。
複選題
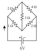
77. 如下圖所示,下列敘述哪些正確?
(A)流經 3 電阻之電流值為 2 安培 (B)該電路為平衡電橋電路 (C)I 之值為 3 安培 (D)流經 4 電阻之電流值為 1安培 。
複選題
78. 某電池兩端與 8 歐姆電阻連接時,流經電阻之電流為 10 安培,若將電阻改為 9 時電流變為 9 安培,則 (A)電池之電動勢為 90 伏特 (B)電池之內阻為 1 歐姆 (C)電池之內電阻消耗 10 伏特電動勢 (D)8 電阻兩端之端電壓為 90 伏特 。
複選題
79. 某屋內三相三線配電線路,其傳輸線路阻抗為(0.4+j0.3)歐姆,該線路之功率因數為 0.9 落後,若負載電流為 40 安培,下列敘述哪些正確?(A)配電線路之電源電壓為 3ψ220V (B)線路阻抗之絕對值為 0.5 歐姆 (C)線路壓降約為 16 伏特 (D)配電線路損耗功率約為 1.25KW 。
複選題
80. 如下圖所示之三相低壓配電線路,A、B、C 負載電流均為 30 安培,下列敘述哪些正確?
(A)依題意該配電線路之功率因數無法計算 (B)A 負載之端電壓為 160 伏特 (C)B 負載之端電壓為 140 伏特 (D)C 負載之端電壓為 190 伏特 。
複選題
81. 在控制圖中註記無熔線開關的規格時,應註明 (A)框架容量(AF) (B)跳脫容量(AT) (C)啟斷容量(I.C) (D)極數 。
複選題
82. 某單相變壓器滿載時之銅損為 4KW、鐵損為 1KW,下列敘述哪些正確? (A)當 1/2 負載時,其鐵損為 250KW (B)當 1/4 負載時,其鐵損為1KW (C)當 1/2 負載時,其總損失為 2KW (D)當 1/2 負載時,其總損失為3KW 。
複選題
83. 如下圖所示,單相二線交流電路,其傳輸線路的電壓降為
(A)2I(Rsinθ+X
L
cosθ) (B)2I(Rcosθ+X
L
sinθ) (C)2I(R+jX
L
) (D)2I
。
複選題
84. 凡電力測試用類比儀表裝置於線路上時,下列哪些敘述正確? (A)必有電力消耗在儀表上 (B)電流表之內阻很小不會消耗電功率 (C)電壓表應選用內阻較大者為宜 (D)使用鉤表測量線路電流時,因其未與測試線路串接不會消耗待測線路電力 。
複選題
85. 如下圖所示,當 a、b 兩端之外加電壓為 190 伏特時,下列敘述哪些正確?
(A)a、b 兩端間之電阻為 20 歐姆 (B)流經 3 歐姆電阻之電流為 10 安培 (C)I
1
之電流值為 5 安培 (D)I
2
之電流值為 10 安培 。
複選題
86. 現有市售三極無熔線斷路器,其接點結構為 (A)具有三組主接點 (B)沒有附加任何輔助同步 a、b 接點 (C)部份廠牌具有跳脫接點 (D)沒有跳脫接點者不具有短路跳脫功能 。
複選題
87. 選購電流切換開關(AS)時,應注意的主要規格為 (A)用於何種電源 (B)線路中配合的比流器數量 (C)線路中主電路的線徑 (D)線路中過載電流的大小 。
複選題
88. 如下圖所示,就 A、B 兩端被動元件間串聯與並聯的連接方式而言,下列敘述哪些正確?
(A)R
1
與 R
4
是串聯連接 (B)R
1
與 R
3
是並聯連接 (C)R
5
與 R
6
是並聯連接 (D)R
5
與 R
6
並聯連接成一等效電阻後再與 R4作串聯連接 。
複選題
89. 如下圖所示之電驛邏輯控制電路,以靜態方式(不通電)檢測電路時,下列敘述哪些正確?
(A)量得 X
1
線圈兩端點間之電阻為無限大,則該線圈斷線 (B)量得 PL
1
兩端點間之電阻為零,則 PL
1
內部短路 (C)量得 PL
2
兩端點間之電阻為零,則 PL
2
內部短路 (D)量得 X
1
線圈兩端點之電阻為零,則該線圈內部短路 。
複選題
90. 在控制盤箱之面板上裝置按鈕開關、切換開關及指示燈時,依選定的市售器材開挖不同的孔徑,該孔徑之直徑可能為 (A)33.5mm (B)30mm (C)25mm (D)22mm 。
複選題
91. 一部 440V,50KW,60HZ 三角形接法的三相六極感應電動機,滿載時的轉差率為 1.5%、功率因數為 0.82、效率為 0.88,則 (A)總電流為 90.9A(B)相電流為 45.5A (C)視在功率為 69.3KVA (D)滿載時之轉速為 1982rpm 。
複選題
92. 配電線路中,針對同一供電用變壓器組的接線方式而言,下列哪些敘述正確? (A)△形結線的絕緣耐壓較低 (B)Y 形結線的絕緣耐壓較高 (C)當△形結線的變壓器組的一具變壓器故障時,仍可繼續安全供電 (D)當 Y 形結線的變壓器組的一具變壓器故障時,仍可繼續安全供電 。
複選題
93. 在低壓盤箱中,可作為線路短路保護之器材為 (A)積熱過載保護電驛 (B)無熔線斷路器 (C)積熱型斷路器 (D)栓型保險絲 。
複選題
94. 施作端子之壓接操作時,下列敘述哪些正確? (A)主電路宜使用具有絕緣套環之 O 型端子 (B)不宜使用不具扭力控制之萬用鉗 (C)部份單一端子可以壓接兩條相同線徑的導線 (D)部份單一端子可以壓接兩條不同線徑的導線 。
複選題
95. 三組電力電容器採用 Y 接線時,下列敘述哪些正確? (A)其中性點應接地 (B)電容器外殼不宜與中性點共同接地 (C)會產生高諧波電流干擾通訊系統 (D)若電源為 3ψ4W 式,中性線電流易引起接地電驛誤動作 。
複選題
96. 可能造成電磁接觸器鐵心發出響聲之原因為 (A)鐵心接觸面生銹 (B)鐵心安裝不正 (C)電壓不足 (D)接點之絕緣不良 。
複選題
97. RLC 串聯電路中,若外加交流電壓值不變,增大電阻時,則 (A)功率因數將增大 (B)電容抗值增大 (C)電感抗值減小 (D)通過該電路之電流值減小 。
複選題
98. 3E 保護電驛(SE 電驛)可用於 (A)單相感應電動機的欠相、過載及逆相保護 (B)三相感應電動機的短路保護 (C)三相感應電動的逆相保護 (D)三相感應電動機的過載保護 。
複選題
99. 下列哪些為三相感應電動機 Y-△起動控制的主電路? (A)
(B)
(C)
(D)
。
複選題
100. 當近接開關(PROXIMITY SWITCH)作為可程式控制器的外部連接器材時,下列敘述哪些正確? (A)三線式 NPN 型近接開關可作為輸入 (B)三線式 PNP 型近接開關可作為輸入 (C)二線式 SCR 交流型近接開關不可作為輸入 (D)二線式永久磁鐵動作式近接開關可作為輸入 。
複選題
101. 在供電情況下維護或修理單相三線 110/220V 控制電源設備時,下列敘述哪些正確? (A)首先需量測電壓源時是否正確 (B)若需拆離電源線先拆火線 (C)若需拆離電源線先拆中性線 (D)若需拆離電源線先將中性線接地 。
複選題
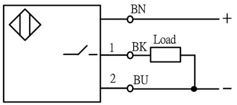
102. 如下圖所示為市售二線式近接開關的接線參考圖,當應用於控制電路圖時,下列敘述哪些正確?
(A)僅能應用於直流電路 (B)若 1、2 兩腳接於直流時沒有極性區別 (C)該近接開關動作時 1、2 兩腳視同斷開 (D)該近接開關為 PNP 型 。
複選題
103. 某可程式控制器輸入採用,如下圖所示之近接開關,下列敘述哪些正確?
(A)該近接開關為 PNP 型 (B)棕色出線接於電源正極 (C)黑色出線接入 PLC 輸入點 (D)該近接開關不動作時,棕色線與黑色線間視同開路 。
複選題
104. 如下圖所示為三相感應電動機正逆轉控制之主電路圖,下列敘述哪些正確?
(A)MC1 及 MC2 應具有互鎖機制 (B)MC1 動作時電動機正轉 (C)該線路電源為逆相序 (D)MC1 動作時電動機端所接受的電源為逆相序 。
複選題
105. 保養維護電動機控制盤箱時,若控制系統裝有逆相保護裝置,下列敘述哪些正確? (A)無需檢測電源相序 (B)檢測電源電壓值 (C)靜態作盤箱清理(D)靜態作器具接點檢測 。
複選題
106. 電力系統中使用電力電容器作功率改善時,其效益為 (A)節省電費 (B)減少電力損失 (C)改善供電品質 (D)增長用電設備的使用壽命 。
複選題
107. 有關電壓切換開關(VS)與電流切換開關(AS),下列敘述哪些正確? (A)VS 與 AS 可互換使用 (B)VS 切換時內部接點不可短路 (C)AS 切換時內部接點不可開路 (D)VS 與 AS 接點展開圖不同 。
申論題 (0)
相關試卷
114年 - 01300 工業配線 乙級 工作項目 05:檢查及故障排除檢修 1-50(2025/10/09 更新)#132029
114年 · #132029
114年 - 01300 工業配線 乙級 工作項目 03:可程式控制器(PLC)之應用 51-120(2025/10/09 更新)#132025
114年 · #132025
114年 - 01300 工業配線 乙級 工作項目 03:可程式控制器(PLC)之應用 1-50(2025/10/09 更新)#132024
114年 · #132024
114年 - 01300 工業配線 乙級 工作項目 02:低壓配電盤及控制盤 101-150(2025/10/09 更新)#132023
114年 · #132023
114年 - 01300 工業配線 乙級 工作項目 02:低壓配電盤及控制盤 51-100(2025/10/09 更新)#132022
114年 · #132022
114年 - 01300 工業配線 乙級 工作項目 02:低壓配電盤及控制盤 1-50(2025/10/09 更新)#132021
114年 · #132021
114年 - 01300 工業配線 乙級 工作項目 01:識圖與繪圖 51-93(2025/10/09 更新)#132020
114年 · #132020
114年 - 01300 工業配線 乙級 工作項目 01:識圖與繪圖 1-50(2025/10/09 更新)#132019
114年 · #132019
113年 - 113-3 全國技術士技能檢定學科_乙級:01300工業配線#123626
113年 · #123626
112年 - 112-3 全國技術士技能檢定學科_乙級:01300工業配線#123435
112年 · #123435