所屬科目:技檢◆汽車修護-甲級
1. 事業單位僱用勞工多少人以上者,應依勞動基準法規定訂立工作規則? (A)200 人 (B)50 人 (C)30 人(D)100 人。
2. 下列有關現行 Electronic Wedge Brake(EWB)系統之敘述何者正確? (A)增設煞車輔助增壓系統來促進煞車效率 (B)配合輪速感知器可以作油壓調節 (C)使用雙液壓回路搭配電子系統控制 (D)透過線傳控制兩組電動馬達調節煞車蹄片以提高煞車力。
3. 排氣量為 1600cc 的四缸四行程引擎,當扭力為 12kgf-m 時,則其制動平均有效壓力為多少 kgf/cm2 (A)1.13 (B)3.13 (C)4.13 (D)2.13。
4. 自動變速箱節流閥拉線(Throttle wire)空檔行程長於規定值,可能發生的問題是 (A)換檔點延遲 (B) 強迫換檔失效 (C)油壓太高 (D)不會換檔。
5. 有關汽車巡航控制(Cruise control)之敘述,下列四位技師之說明,何者正確? (A)技師甲說:該控制主要之元件有微電腦,真空操作節氣門致動器、車速感知器及煞車開關 (B)技師乙說:按住 COAST 鈕,則車速即增快 (C)技師丙說:按住 ACCEL 鈕,則車速隨即降低 (D)技師丁說:按住 RESUME 鈕一秒鐘以上,則可消除一切原先之設定。
6. 自動變速箱作失速測試(Stall test)時,引擎轉速太低,可能下列哪項機件損壞? (A)控制閥體 (B)制動帶 (C)離合器 (D)扭力變換器之單向離合器。
7. 交流發電機的 N 端子電壓 Vn 小於輸出電壓 Vb 的 1/2 時,其可能的故障原因為 (A)靜子線圈短路(B)負極整流粒不良 (C)轉子線圈短路 (D)正極整流粒不良。
8. DIN 規格的電路接頭識別代號 30 是代表 (A)電瓶負極或搭鐵接頭 (B)直接由電瓶正極之輸出接頭(C)經點火開關輸出的正極電源接頭 (D)起動馬達控制線路接頭。
9. 毒性化學物質因洩漏、化學反應或其他突發事故而污染運作場所周界外之環境,運作人應立即採取緊急防治措施,並至遲於多久時間內,報知直轄市、縣(市)主管機關? (A)1 小時 (B)30 分鐘 (C)2 小時 (D)4 小時。
10. 如圖所示,如果變壓器二次線圈輸出電壓為 18V,流經橋式整流器後,求每個二極體之最大逆向電壓各為若干 V? (A)35.5V (B)45.5V (C)15.5V (D)25.5V。
11. 最終檢查最重要的目的是在完成車主進廠維修的什麼期望? (A)汽車可以行駛就好 (B)汽車是否清潔 (C)費用合理 (D)一次修好。
12. 兩節式傳動軸之車輛高速行駛車身振動,初判其原因來自傳動軸,首要動作是 (A)Flange 相位調180 度 (B)更換中心軸承 (C)更換 Flange (D)更換傳動軸第二節。
13. 目前裝置有主動式轉向頭燈(Adaptive Front Lighting System)系統的車輛,當車輛進行轉向時,頭燈底座加裝的轉向馬達會依何種訊息調整照射方向 (A)引擎轉速、車輛負荷 (B)車速、轉向角度 (C) 減速率、轉向速率 (D)前、後輪輪速差及左右輪差。
14. 裝有渦輪增壓器的柴油引擎在高速高出力時,使用於苛酷條件下依 API 分類應使用下列何者等級以上引擎機油? (A)SM 級 (B)CD 級 (C)CH 級 (D)SJ 級。
15. 營業額為 100 萬,變動成本為 40 萬,則毛利率(邊際利益率)為 (A)100% (B)60% (C)50% (D)40%。
16. A/T 扭力轉換器中 ATF 之流程是 (A)主動葉輪-不動葉輪-被動葉輪 (B)不動葉輪-主動葉輪-被動葉輪(C)被動葉輪-不動葉輪-主動葉輪 (D)主動葉輪-被動葉輪-不動葉輪-主動葉輪。
17. 活塞頂上有記號或缺口時,安裝時此記號或缺口應朝向 (A)動力衝擊面 (B)引擎前方 (C)引擎後方 (D)壓縮衝擊面。
18. 柴油引擎的爆震發生於 (A)直接燃燒時期 (B)火焰散播時期 (C)著火遲延時期 (D)後燃時期。
19. FR 車之傳動軸轉速 3000rpm,最終齒輪比 5,若左後輪固定不動,右後輪轉速為 (A)600rpm(B)1800rpm (C)300rpm (D)1200rpm。
20. 由電動機的理論可知馬達轉速 n=kE/ψZ,其中 k 係指什麼? (A)常數 (B)感應電壓 (C)磁場強度(D)實際作用於馬達之電壓。
21. 某技師檢修電系時在電錶上讀取到一組數位方波,而脈波的 ON-OFF 時間分別是20ms/30ms,則其 duty cycle ratio 為多少? (A)40% (B)50% (C)10% (D)20%。
22. 某規範明定地政機關進用女性測量助理名額,不得超過該機關測量助理名額總數二分之一,根據消除對婦女一切形式歧視公約(CEDAW),下列何者正確? (A)限制女性測量助理人數比例,屬於直接歧視 (B)土地測量經常在戶外工作,基於保護女性所作的限制,不屬性別歧視 (C)此限制是為確保機關業務順暢推動,並未歧視女性 (D)此項二分之一規定是為促進男女比例平衡。
23. 自動變速箱扭力轉換器(Converter)之單向離合器咬死時,會造成 (A)起步困難 (B)低速行駛馬力不足 (C)行駛無法達至最高速 (D)換檔不順。
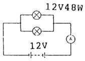
24. 12V 的電瓶一個與 12V48W 的燈泡兩個如下圖之接線,問燈泡一個的電阻為多少? (A)1Ω (B)6Ω(C)1.5Ω (D)3Ω。
25. 傳統柴油引擎作為配合轉速調整噴油時間的機構為 (A)齒桿 (B)等量裝置 (C)調速器 (D)正時器。
26. MT 車離合器摩擦片兩面都有溝槽,其目的為 (A)避免與壓板及飛輪接合時產生真空黏滯 (B)減少與壓板及飛輪接合時的震動 (C)增加耐磨性、延長使用壽命 (D)增加摩擦力。
27. 我國移動污染源空氣污染防制費的徵收機制為何? (A)依牌照徵收 (B)依照排氣量徵收 (C)隨油品銷售徵收 (D)依車輛里程數計費。
28. 下列何種物質或物品,受毒性及關注化學物質管理法之管制? (A)製造農藥之蓋普丹 (B)含汞之日光燈 (C)製造醫藥之靈丹 (D)使用青石綿製造石綿瓦。
29. 按菸害防制法規定,對於在禁菸場所吸菸會被罰多少錢? (A)新臺幣 2 萬元至 10 萬元罰鍰 (B)新臺幣 1 萬元至 5 萬元罰鍰 (C)新臺幣 1 千元至 5 千元罰鍰 (D)新臺幣 2 千元至 1 萬元罰鍰。
30. 測量液壓動力輔助轉向機油壓時,可將 Shut off valve 關閉,但其關閉時間應為 (A)關 1 分鐘後打開 (B)關 2 分鐘後打開 (C)關 3 分鐘後打開 (D)關後立即打開。
31. 附有旁通閥之節溫器當節溫器全開時,旁通閥會如何作動? (A)全開 (B)半開 (C)時開時關 (D)全閉。
32. 如果在車上檢測換裝新品煞車碟盤之偏擺度超過容許值,最可能原因之一是 (A)碟盤厚度不正確(B)碟盤剛性不夠 (C)車輪軸承預負荷不正確 (D)鎖緊扭力太大。
33. 有關無段變速汽車之敘述,下列何者錯誤? (A)前進及後退的切換機構是利用同步機構控制 (B)汽車下長坡時排入低速檔位(Ds),可獲得較大的引擎煞車效果 (C)汽車在急加速時可排入低速檔位 (Ds),以獲得較大的行駛動力 (D)其輸入軸及輸出軸之軸距會受油壓推動而改變。
34. 甲公司嚴格保密之最新配方產品大賣,下列何者侵害甲公司之營業秘密? (A)甲公司之 B 員工擅自將配方盜賣給乙公司 (B)甲公司授權乙公司使用其配方 (C)鑑定人 A 因司法審理而知悉配方 (D)甲公司與乙公司協議共有配方。
35. 傳動軸轉速 3600rpm,差速器角尺齒輪(Pinion)12 齒,檢測差速器異音之頻率應是 (A)720Hz(B)50Hz (C)600Hz (D)800Hz。
36. 工廠或交通工具排放空氣污染物之檢查,下列何者錯誤? (A)檢查人員以肉眼進行粒狀污染物不透光率之判定 (B)檢查人員以嗅覺進行氨氣濃度之判定 (C)依中央主管機關規定之方法使用儀器進行檢查 (D)檢查人員以嗅覺進行異味濃度之判定。
37. 冷卻系統中之水箱阻塞不通時應如何處裡? (A)肥皂水沖洗 (B)高壓空氣沖洗 (C)蘇打水或高壓槍沖洗 (D)硫酸沖洗。
38. 新購入之電瓶若電瓶上註明 DRY CHARGED 代表何意? (A)充滿電,未加水 (B)加電水,未充電(C)未充電,未加水 (D)不加水,即可使用。
39. 為防止勞工感電,下列何者為非? (A)避免不當延長接線 (B)電線架高或加以防護 (C)使用防水插頭(D)設備有金屬外殼保護即可免接地。
40. 如圖所示為四行程四缸汽油引擎在 1200rpm 時之點火波形,火花線為 6%,換算火花持續時間為多少 ms (A)1.5 (B)1 (C)0.5 (D)2.0。
41. 如圖所示橋式(全波)整流,交流電源應接在下列何者兩端? (A)BC (B)BD (C)AC (D)AB。
42. 就基本運算放大電路而言,如圖所示為何種電路? (A)訊差放大電路 (B)反相放大電路 (C)積分運算電路 (D)正相放大電路。
43. 有流產病史之孕婦,宜避免相關作業,下列何者為非? (A)避免砷或鉛的暴露 (B)避免每班站立7 小時以上之作業 (C)避免提舉 3 公斤重物的職務 (D)避免重體力勞動的職務。
44. 汽油噴射引擎控制基本噴油量的信號係來自 (A)冷車啟動閥的熱偶定時開關(Thermo Timer Switch) (B)節氣閥開關和排氣管中的含氧量感知器(O2 Sensor) (C)引擎轉速和空氣流量感知器(Air Flow Sensor) (D)水溫和空氣溫度感知器。
45. 汽油引擎噴射系統中,下列何者機件損壞會造成慢車轉速不穩? (A)怠速控制閥 (B)燃油電動泵 (C)冷卻水溫度感知器 (D)進氣溫度感知器。
46. 政府為推廣節能設備而補助民眾汰換老舊設備,下列何者的節電效益最佳? (A)將桌上檯燈光源由螢光燈換為 LED 燈 (B)因為經費有限,選擇便宜的產品比較重要 (C)優先淘汰 10 年以上的老舊冷氣機為能源效率標示分級中之一級冷氣機 (D)汰換電風扇,改裝設能源效率標示分級為一級的冷氣機。
47. 如圖所示係脈波式線性驅動電壓及作動器驅動回路,其中 V 為驅動信號電壓,有關作動器驅動電流之敘述,下列何者正確? (A)當作動器驅動電壓一定時,於作動器之阻抗變大時驅動電流變大 (B)當作動器阻抗一定時,於驅動信號電壓 V 平均電壓變低時驅動電流變大 (C)驅動電流隨驅動信 號平均電壓 V 及作動器阻抗之比值變大 (D)當作動器阻抗一定時,於停止狀態時驅動電流為最 大。
48. 螺絲無法鬆開較佳的處理方法為 (A)將扳手套上管子加長握把 (B)兩支扳手結合使用加長握把 (C)使用除鏽潤滑劑後再以榔頭輕敲螺絲或螺帽給予些震動 (D)用榔頭敲打扳手。
49. 有關再生能源中的風力、太陽能的使用特性中,下列敘述中何者錯誤? (A)設置成本較高 (B)不易受天氣影響 (C)間歇性能源,供應不穩定 (D)需較大的土地面積。
50. 汽油噴射引擎在正常工作溫度下運轉,量測得到如圖所示之鋯材含氧感知器輸出波形,下列何者不是其可能故障原因? (A)油壓調節器真空管路阻塞 (B)PCV 閥引擎端管路破裂 (C)燃油壓力不足 (D) 活性碳罐引擎端真空管路破裂。
51. 針對在我國境內竊取營業秘密後,意圖在外國、中國大陸或港澳地區使用者,營業秘密法是否可以適用? (A)可以適用,但若屬未遂犯則不罰 (B)無法適用 (C)能否適用需視該國家或地區與我國是否簽訂相互保護營業秘密之條約或協定 (D)可以適用並加重其刑。
52. 電氣設備維修時,在關掉電源後,最好停留 1 至 5 分鐘才開始檢修,其主要的理由為下列何者? (A)法規沒有規定,這完全沒有必要 (B)讓裡面的電容器有時間放電完畢,才安全 (C)讓機器設備降溫下來再查修 (D)先平靜心情,做好準備才動手。
53. 有關循跡控制系統(TCS)之敘述,技師甲說:汽車在加速瞬間若驅動輪將打滑,可將噴射時間延 長,以防止車輪打滑;技師乙說:汽車在加速瞬間若驅動輪將打滑,可將變速箱降低一個檔位, 以防止車輪打滑,下列何者正確? (A)技師甲錯,技師乙對 (B)技師甲對,技師乙錯 (C)技師甲及技 師乙均錯 (D)技師甲及技師乙均對。
54. 如表所示係關於四行程引擎之氣門正時,在每一循環中進氣門與排氣門同時關閉期間曲軸旋轉之角度為何? (A)622° (B)262° (C)310° (D)312°。
55. 在活塞裙部製有裂槽其目的是 (A)使活塞有膨脹之餘隙 (B)使過多的機油容易括除漏回油底殼 (C)減輕活塞重量 (D)增進引擎之平衡。
56. 液壓式氣門頂子的優點為 (A)氣門腳間隙永遠不會改變 (B)氣門閉合較快 (C)氣門操作較準確 (D)噪音較小。