阿摩線上測驗
登入
首頁
>
工程力學概要
> 96年 - 96 地方政府特種考試_四等_土木工程、建築工程:工程力學概要#37911
96年 - 96 地方政府特種考試_四等_土木工程、建築工程:工程力學概要#37911
科目:
工程力學概要 |
年份:
96年 |
選擇題數:
0 |
申論題數:
4
試卷資訊
所屬科目:
工程力學概要
選擇題 (0)
申論題 (4)
【已刪除】一、試繪製圖示梁結構之剪力圖與彎矩圖。(25 分)
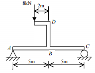
【已刪除】二、請繪出如圖所示 ABC 桿件之剪力圖與彎矩圖。(25 分)
【已刪除】三、如圖所示,長度 4 m 重量不計之水平桿件 AB,A 端為鉸接,B 端懸掛 10 kg 之物體, CD 為一彈性常數為 k =5000 N/m 之彈簧,呈平衡狀態。試求 A 端之反力及彈簧之伸 長量,假設重力加速度為 g = 10 m/sec
2
。(25 分)
【已刪除】四、一直徑為 20 mm 之塑膠桿件,在典型之抗拉試驗中受到拉力 P=5 kN 之作用,其量測 長度(gage length)150 mm 共測得 12 mm 之伸長量,直徑則減少 0.8 mm,計算此一 桿件之材料彈性模數及包松比(Poisson’s ratio);此時其體積變化為何?(25 分)
相關試卷
113年 - 112 臺灣菸酒股份有限公司_從業職員及從業評價職位人員甄試_從業職員_機械(中區):工程力學#137422
113年 · #137422
113年 - 113 臺灣菸酒股份有限公司_從業職員及從業評價職位人員甄試_從業職員_機械(南二區):工程力學#137381
113年 · #137381
112年 - 112 地方政府特種考試_四等_建築工程:工程力學概要#118375
112年 · #118375
112年 - 112 原住民族特種考試_四等_土木工程:工程力學概要#116538
112年 · #116538
112年 - 112 普通考試_土木工程、建築工程:工程力學概要#115704
112年 · #115704
112年 - 112 鐵路特種考試_員級_建築工程:工程力學概要#114936
112年 · #114936
112年 - 112 身心障礙特種考試_四等_土木工程:工程力學概要#113902
112年 · #113902
111年 - 111 地方政府特種考試_四等_建築工程:工程力學概要#112370
111年 · #112370
111年 - 111 原住民族特種考試_四等_土木工程:工程力學概要#110673
111年 · #110673
111年 - 111 普通考試_土木工程、建築工程:工程力學概要#109649
111年 · #109649