阿摩線上測驗
登入
首頁
>
工程力學概要
> 97年 - 97 鐵路特種考試_員級_土木工程:工程力學概要#37713
97年 - 97 鐵路特種考試_員級_土木工程:工程力學概要#37713
科目:
工程力學概要 |
年份:
97年 |
選擇題數:
0 |
申論題數:
4
試卷資訊
所屬科目:
工程力學概要
選擇題 (0)
申論題 (4)
【已刪除】一、如圖所示,纜繩系統,其中 AB 纜繩長 8m,BD 纜繩長 6m。當 PB = 25 kN,求 AB 及 BD 纜繩所受張力。(25 分)
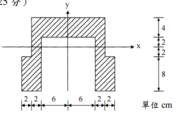
【已刪除】二、設有如圖所示斜線部分之斷面,試求對應於 x 軸及 y 軸之斷面慣性矩(moment of inertia),I
x
、I
y
。(25 分)
【已刪除】三、兩件木構件以斜面膠合方式接合如圖所示,其高度與寬度分別為 80 mm 及 120 mm, 接合面與水平方向夾 22°之角度。如該膠合位置所能承受之最大拉應力為 400 kPa, 則所能施加之荷載 P 之最大值為何?此時膠合面所受之剪應力為若干?(25 分)
【已刪除】四、請畫圖示梁之剪力圖和彎矩圖。(25 分)