阿摩線上測驗
登入
首頁
>
工程力學概要
> 98年 - 98 普通考試_土木工程、建築工程:工程力學概要#37857
98年 - 98 普通考試_土木工程、建築工程:工程力學概要#37857
科目:
工程力學概要 |
年份:
98年 |
選擇題數:
0 |
申論題數:
4
試卷資訊
所屬科目:
工程力學概要
選擇題 (0)
申論題 (4)
【已刪除】一、試求圖示梁結構之最大位移與除固定端外梁之最大彎矩。(25 分) (q 梁單位長度之分布荷重為常數,EI 為常數)
【已刪除】二、圖示系統中,A 為鉸支承,ED 為吊索,請繪圖示桿 ABC 的剪力圖和彎矩圖。(25 分)
【已刪除】三、圖示形狀各肢之寬度為 1 cm,其餘長度尺寸如圖示(所標示尺寸之單位為 cm), 求對 x 軸及 y 軸之面積二次矩。(25 分)
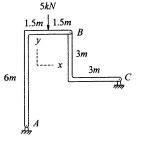
【已刪除】四、圖所示之構架,A、B、C 點均為鉸接,試求 A、C 點的反力。(25 分)