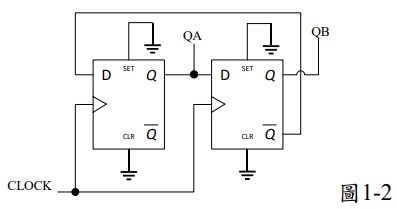
2. 如圖1-2,CLOCK輸入120 Hz方波,則QA輸出頻率與工作週期為?
(A)30Hz、25%
(B)30Hz、50%
(C)60Hz、25%
(D)60Hz、50%
答案:登入後查看
統計: 尚無統計資料
統計: 尚無統計資料
2. 如圖1-2,CLOCK輸入120 Hz方波,則QA輸出頻率與工作週期為?
(A)30Hz、25%
(B)30Hz、50%
(C)60Hz、25%
(D)60Hz、50%