阿摩線上測驗
登入
首頁
>
工程力學(含靜力學、動力學與材料力學)
>
111年 - 111 地方政府特種考試_三等_機械工程:工程力學(包括靜力學、動力學與材料力學)#112590
> 申論題
題組內容
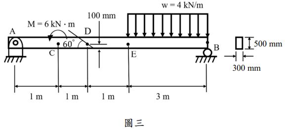
三、有一樑如圖三所示,在C點受6 kN∙m彎矩作用,以及在BE段受到一均佈負載w作用,試求:
(一)與水平面夾角60°斜面上作用於D點之正向應力與剪應力。(8分)
相關申論題
一、如圖一所示,一質量為20kg的滑塊靜止放在斜面上,斜面的靜摩擦係數為0.3,若施加一拉力T在滑塊上,使滑塊保持靜止不動,求T大小為多少?(20分)
#482495
二、如圖二所示,一質量為100kg的滑塊放置於A點且平貼於光滑斜面上, 圖中水平地面之磨擦係數fs為0.2,且在C點放置一彈簧,其彈簧係數 ks為200N/m。若滑塊從A點靜止釋放後滑下斜面,假設滑塊在運動過程中緊貼斜面與水平地面,並於水平地面滑行。請問滑塊是否會撞上彈簧?若有撞上彈簧,試求彈簧最大壓縮距離?(假設滑塊與彈簧撞擊時, 過程為完全非彈性碰撞,恢復係數e=0)(20分)
#482496
(二)D點之主應力與主應力方向。(12分)
#482498
四、有一滑車在軌道上直線移動如圖四所示,當滑車行駛至P點,此時滑車之速度v=8m/s,加速度a=1.5m/s2,OP之距離r=30m,θ=135°, 請問此瞬間為多少?(20 分)
#482499
五、如圖五所示,一長方體放在兩固定剛體平板中間,若施加一集中力200kN在長方體上,試求長方體x方向應變為多少?(長方體彈性模數E為 200GPa,蒲松比ν=0.32)(20分)
#482500
四、如圖所示,已知 A、B 兩物塊重量分別為 10 kg 與 50 kg,且滑輪系統的繩長度為固定。試求從靜止釋放後,當 A 物塊速度達到 0.5 m/s 時,B 物塊 之速度與 A 物塊移動之距離各為何?(假設滑輪與支承座之重量可忽略 不計、重力加速度為 10 m/s2)(25 分)
#569853
三、如圖所示,有一直徑為 20 mm,長度 L =1 m 的鋼軸,此鋼軸強度可承受 t 的扭矩,其中 tB 為150 N • m/m ,試求其最大扭轉剪應力與扭轉角。(假設 鋼軸剪切模數 G 為 80 GPa)(25 分)
#569852
二、如圖所示,一有槽連桿於 O 點固定,其連桿以固定的角速度θ=4 rad/s 進行運動,使銷釘 P 沿著螺旋導軌 r = 0.5θ m 移動一距離,試求當θ=π/4 rad 時,銷釘 P 徑向與橫向的速度與加速度?(25 分)
#569851
一、如圖所示,有一簡支樑承受均變負載,試求其撓度的微分方程與最大撓度。(25 分)
#569850
(三)若 M 正比於懸臂長 L 的 3 次方,慣性矩(moment of inertia) 的截面寬度 b 與高度 h 也都正比於懸臂長 L,請問懸臂樑自然頻率ω正比於懸臂長 L 的幾次 方?
#562749
相關試卷
115年 - 115 關務特種考試_三等_機械工程(選試英文):工程力學(包括靜力學、動力學與材料力學)#138918
115年 · #138918
114年 - 114 專技高考_機械工程技師:工程力學(包括靜力學、動力學與材料力學)#133710
114年 · #133710
114年 - 114 公務升官等考試_薦任_機械工程:工程力學(包括靜力學、動力學與材料力學)#133242
114年 · #133242
114年 - 114 專技高考_專利師(選試專業英文及工程力學)、專利師(選試專業日文及工程力學):工程力學#130105
114年 · #130105
114年 - 114 關務特種考試_三等_機械工程(選試英文):工程力學(包括靜力學、動力學與材料力學)#126623
114年 · #126623
113年 - 113 臺灣菸酒股份有限公司_從業評價職位人員試題_鍋爐:工程力學#132351
113年 · #132351
113年 - 113 專技高考_機械工程技師:工程力學(包括靜力學、動力學與材料力學)#123897
113年 · #123897
113年 - 113 專技高考_造船工程技師:工程力學(包括靜力學、動力學與材料力學)#123895
113年 · #123895
113年 - 113 專技高考_專利師(選試專業英文及工程力學)、專利師(選試專業日文及工程力學):工程力學#122211
113年 · #122211
113年 - 113 關務特種考試_三等_機械工程(選試英文):工程力學(包括靜力學、動力學與材料力學)#119496
113年 · #119496