阿摩線上測驗
登入
首頁
>
電路分析
>
113年 - 113 高等考試_二級_電子工程:電路分析#123077
> 申論題
題組內容
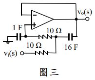
三、
(二)此電路之共振角頻率(resonance angular frequency)及品質因數 Q (quality factor)之值為何?(10 分)
相關申論題
(一)請畫出圖四 a 與 b 端點間於相量空間之戴維寧等效電路。 (20 分)
#523664
(二)將阻抗 Z 接於 a 與 b 端點,若要把最大功率傳送至阻抗 Z,請問阻抗值 Z 應設計為多少?(5 分) (皆以極座標表示答案)
#523665
(一)設計控制器 M(s)的轉移函數,以減少外界干擾訊號 d(t)的影響,使輸 出訊號 y(t)完全獨立於 d(t)。
#523666
(二) 若輸入訊號r(t)為單位步階訊號時,閉迴路系統的最大超越量(maximum overshoot)和峰值時間(peak time)分別為 30%和 0.2 秒。 當控制器 M(s)如(一)設計時,求 L1 和 L2。
#523667
(一)使用奈奎斯特(Nyquist)準則,求 F 的範圍使閉迴路系統穩定,以及閉迴路系統為臨界穩定時之振盪頻率。
#523668
(二)使用羅斯(Routh)準則,驗證(一)之答案是否相符。
#523669
(三)求 F 的值,使閉迴路系統的相位裕度(phase margin)為 45 度。
#523670
(一)求控制器增益。
#523671
(二)求觀測器增益。
#523672
四、考慮如下之二階動態系統:(一)什麼條件下此動態系統為有界輸入有界輸出(BIBO)穩定,但卻非漸進(asymptotically)穩定?
#523673
相關試卷
114年 - 114 高等考試_二級_電子工程:電路分析#131585
114年 · #131585
113年 - 113 高等考試_二級_電子工程:電路分析#123077
113年 · #123077
112年 - 112 高等考試_二級_電子工程:電路分析#116739
112年 · #116739
111年 - 111 高等考試_二級_電子工程:電路分析#111029
111年 · #111029
110年 - 110 高等考試_二級_電子工程:電路分析#101936
110年 · #101936
109年 - 109 高等考試_二級_電子工程:電路分析#91508
109年 · #91508
107年 - 107 高等考試_二級_電子工程:電路分析#72461
107年 · #72461
103年 - 103 高等考試_二級_電子工程:電路分析#43107
103年 · #43107
102年 - 102 高等考試_二級_電子工程:電路分析#44000
102年 · #44000
99年 - 99 高等考試_二級_電子工程:電路分析#46290
99年 · #46290