阿摩線上測驗
登入
首頁
>
技師◆飛機結構學
>
96年 - 96 專技高考_航空工程技師:飛機結構學#36598
> 申論題
題組內容
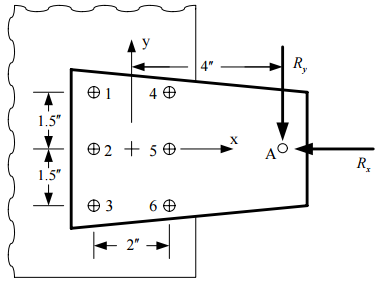
四、已知一飛機結構之搭接如下圖,共有 6 個相同鉚釘,搭接結構件在 A 點受到 R
y
=300lb,R
x
=1800lb之外力作用:
⑵假設鉚釘之最大允許應力為 593lb,請計算系統之安全係數(Margin of safety)。 (10 分)
相關申論題
⑴請繪出ㄧ般最常見的 V-n 圖。(10 分)
#101767
⑵請解釋 V-n 圖的功用及相對之飛行情況(flight conditions)。(15 分)
#101768
⑴請計算每一鉚釘所受的合力。(15 分)
#101771
四、直升機的旋翼軸驅動旋翼葉片,旋翼提供提升力以在空中支撐直升機。 因此,旋翼軸受到扭轉和軸向負載的共同作用。如果直徑 70 mm 的旋翼 軸傳遞扭矩 T = 5 kN-m 和軸向拉力 P = 250 kN,請問旋翼軸的最大拉伸應力、最大壓縮應力和最大剪應力分別是多少?
#384322
三、如下圖所示桁架結構,每根桿件為直徑 1.5 in 的圓形截面積。試求容許載重 P 最大為多少不會造成任何桿件產生屈曲(buckling)影響?
#384321
二、在機翼表面上一點的應力狀態為和,請問其主應力與最大剪應力和相關的正應力。
#384320
一、起落架承受之外力如下圖所示。桿件CF及CE為二力桿件(two-force member),D支撐點能承受所有方向的力(force),但僅能承受 BCD 軸 的扭力(torsion),忽略起落架重量。請求出支撐點 D 的所有反作用力。
#384319
四、假設薄壁箱形樑承受外力如圖所示,凸緣(flange)之截面積分別為 A1 =A6 =1.2 in2 , A2 =A5 =0.7 in2 , A3 =A4 =0.5 in2 。試求樑中腹板(web)之 剪力流(Shear flow)。(25 分) 提示:凸緣軸力梯度(flange load gradient)公式
#297228
三、如圖所示桁架結構,每根桿件的截面積為 500 mm2 ,楊氏模數為 E=200 GPa。 試求 B 點水平方向之位移。(25 分)
#297227
二、一個 5 公尺長的木製立柱固定(fixed)在地面上,再用兩條鋼索施加拉 力固定立柱如圖所示。請問使用扭力扳手調整鋼索的最大容許拉力 (tensile force)T 為多少,才不會造成立柱產生屈曲(buckling)現象? (25 分)
#297226
相關試卷
109年 - 109 專技高考_航空工程技師:飛機結構學#93230
109年 · #93230
107年 - 107 專技高考_航空工程技師:飛機結構學#72979
107年 · #72979
103年 - 103 專技高考_航空工程技師:飛機結構學#25351
103年 · #25351
101年 - 101 專技高考_航空工程技師:飛機結構學#26615
101年 · #26615
99年 - 99 專技高考_航空工程技師:飛機結構學#29846
99年 · #29846
98年 - 98 專技高考_航空工程技師:飛機結構學#35700
98年 · #35700
97年 - 97 專技高考_航空工程技師:飛機結構學#36671
97年 · #36671
96年 - 96 專技高考_航空工程技師:飛機結構學#36598
96年 · #36598
95年 - 95 專技高考_航空工程技師:飛機結構學#36644
95年 · #36644