阿摩線上測驗
登入
首頁
>
高等鋼筋混凝土學與設計
>
95年 - 95 高等考試_二級_土木工程:高等鋼筋混凝土學與設計#38410
> 申論題
題組內容
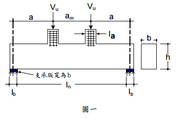
二、如圖一之鋼筋混凝土簡支承梁,乃受梁上兩點相同集中載重,試回答下列小題:
⑵若圖一屬深梁型式,則說明如何利用壓拉桿模式(strut-and-tie model)作鋼筋設計? (20 分)
相關申論題
⑴何謂塑鉸區(plastic hinge region)。(10 分)
#113480
⑵在耐震設計規定中,對於閉合箍筋(hoops)基本形式有那些?請加以繪圖說明。 (15 分)
#113481
⑴深梁(deep beam)之規定為何?(5 分)
#113482
四、試說明如何設計鋼筋混凝土梁柱內部接頭(interior beam-column joint)。(25 分)
#113485
四、如下圖所示之矩形短柱,此柱承受 Pu= 80 tf ,雙向偏心載重 Pnx0= 180 tf及 Pny0= 100 tf ,試檢核此柱之強度是否足夠。(25 分)
#554121
三、已知一鋼筋混凝土矩形粱,斷面尺寸與配筋如圖所示。試分別計算僅有拉力筋 3-D25(忽略壓力筋) ,以及同時有拉力筋及壓力筋之斷面延展比。已知 D25,db= 2.54 cm,Ab=5.07 cm 2;D19,db= 1.91 cm,Ab= 2.87 cm2。(30 分)
#554120
二、如圖所示之鋼筋混凝土基礎,須承受之軸力包括靜載重 PD = 100 tf ,活載重PL=85 tf 。基面位於地下1.2 m,假設基腳基面以上的土壤與鋼筋混凝土單位重平均單位重為 γw=2 tf/m3 , 土 壤 的 容 許 承 載 力 為 qa=35 tf/m2 ,且基腳寬度為 2 m。試設計此基腳在柱軸壓無偏心,以及柱軸壓在長向有 0.8 m 偏心時,所需的長度。 (25 分)
#554119
(二)在鋼筋混凝土結構耐震設計時,為何常於可發生塑性鉸的地方配置較多的圍束鋼筋?(12 分)
#554118
(一)在設計時,為何須考量混凝土潛變因素?以對細長梁-柱之影響說明。(8 分)
#554117
四、以多層樓 RC 建築物之第二層樓 RC 梁柱外部接頭為例,說明應如何設計檢核接頭區?(25 分)
#523695
相關試卷
114年 - 114 高等考試_二級_土木工程:高等鋼筋混凝土學與設計#131588
114年 · #131588
113年 - 113 高等考試_二級_土木工程:高等鋼筋混凝土學與設計#123081
113年 · #123081
112年 - 112 高等考試_二級_土木工程:高等鋼筋混凝土學與設計#116765
112年 · #116765
111年 - 111 高等考試_二級_土木工程:高等鋼筋混凝土學與設計#111041
111年 · #111041
110年 - 110 高等考試_二級_土木工程:高等鋼筋混凝土學與設計#101945
110年 · #101945
109年 - 109 高等考試_二級_土木工程:高等鋼筋混凝土學與設計#91545
109年 · #91545
108年 - 108 高等考試_二級_土木工程:高等鋼筋混凝土學與設計#79557
108年 · #79557
107年 - 107 高等考試_二級_土木工程:高等鋼筋混凝土學與設計#72401
107年 · #72401
106年 - 106 高等考試_二級_土木工程:高等鋼筋混凝土學與設計#65185
106年 · #65185
104年 - 104 高等考試_二級_土木工程:高等鋼筋混凝土學與設計#31752
104年 · #31752