阿摩線上測驗
登入
首頁
>
航空器液壓系統
>
99年 - 99 高等考試_三級_航空器維修:航空器液壓系統#46692
> 申論題
題組內容
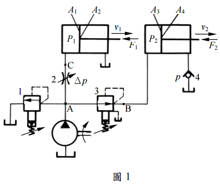
三、如圖 1 所示,已知液壓缸有效工作面積為A
1
=A
3
=100 cm
2
,A
2
=A
4
=50 cm
2
。當最 大負載F
1
=14 kN,F
2
=4.25 kN,止回閥 4 之背壓力p=1.5 bar,節流閥 2 的壓差 Δp=2 bar時,並假設管路無摩擦及其他能量損失。
⑴請計算 A、B、C 各點壓力的值。(10 分)
相關申論題
一、航空器用液壓閥之節流口一般是設計成孔口(orifice)的型式,請寫出通過孔口之 流量方程式(請自行定義相關參數),並請說明此一流量值是否會受到溫度變化的 影響?(20 分)
#160021
⑴一個 4 口 3 位電磁方向閥來控制單桿液壓缸升降。
#160022
⑵垂直擺置之單桿液壓缸不會因自重而下降之安全設計。
#160023
⑶完整之動力單元(power unit)。
#160024
⑵若液壓缸運動速度v1=100 cm/min,v2=120 cm/min,請計算洩壓閥 1、節流閥 2 及減壓閥 3 之通過流量。(10 分)
#160026
四、航空液壓系統有時會出現空氣侵蝕(cavitation)的現象,形成噪音並對液壓元件造 成損壞,請說明 cavitation 現象的成因及避免方法。(20 分)
#160027
五、如圖 2 所示,液壓缸有效面積A=0.2 m2,運動速度v=0.6 m/min,液壓缸左油室壓力p1 =80 bar,假設液壓油密度ρ=900 kg/m3。若止回閥之阻力係數k1=3,油通過面積a1 =1.6×10-4 m2;4 口 2 位方向閥之阻力係數k2=4,油通過面積a2=1.6×10-4 m2;節流 閥之阻力係數k3=10,油通過面積a3=1×10-4 m2,且忽略管路摩擦損失,請計算液 壓泵之出口壓力應為多少bar?(20 分) [附註:通過液壓閥之壓力損失公式為: ]
#160028
(二)設液壓油流經方向閥之壓力損失為 5 kpa,求液壓油流入液壓缸之壓 力 Ph 及流出液壓缸之壓力 Pl 各為多少?若不計活塞與液壓缸之摩擦損 失,求液壓缸之輸出力 F 為多少?(15 分)
#468743
(一)設 f = τ w / ( ρU 2 / 8) = 64 / Re, τ w 為管壁黏滯剪應力,Re =ρUd1 / μ 。求 泵之入口壓力 P2 為多少?若泵之機械效率η = 0.9 ,求泵所需之輸入功 率 為多少?(10 分)
#468742
(二)試繪一液壓動力系統示意圖,並標示各元件或設備之名稱,以及液壓 油的流動方向。(15 分)
#468741
相關試卷
111年 - 111 高等考試_三級_航空器維修:航空器液壓系統#109449
111年 · #109449
110年 - 110 高等考試_三級_航空器維修:航空器液壓系統#102418
110年 · #102418
109年 - 109 高等考試_三級_航空器維修:航空器液壓系統#88969
109年 · #88969
108年 - 108 高等考試_三級_航空器維修:航空器液壓系統#77850
108年 · #77850
106年 - 106 高等考試_三級_航空器維修:航空器液壓系統#63429
106年 · #63429
105年 - 105 高等考試_三級_航空器維修:航空器液壓系統#54414
105年 · #54414
104年 - 104 高等考試_三級_航空器維修:航空器液壓系統#42632
104年 · #42632
103年 - 103 高等考試_三級_航空器維修:航空器液壓系統#43125
103年 · #43125
102年 - 102 高等考試_三級_航空器維修:航空器液壓系統#44119
102年 · #44119
100年 - 100 高等考試_三級_航空器維修:航空器液壓系統#45694
100年 · #45694