阿摩線上測驗
登入
首頁
>
機械力學
>
100年 - 100年身心障礙人員考四等機械力學概要#46188
> 申論題
題組內容
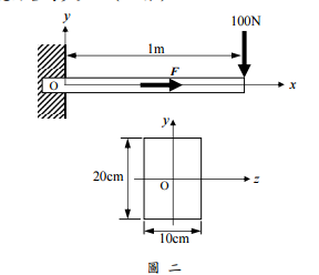
二、一垂直力 100 N 及一水平力 F 施加於一等截面之懸臂梁如圖二,圖二同時顯示梁在 O 點的截面。
⑵如 F = 100 N,試繪出在此截面上,x 方向正應力沿 y 軸分布的情形,圖中請標出 最大及最小的應力各為多少。(15 分)
相關申論題
⑴要保持平衡,10 kg 方塊與平面間之摩擦係數需為多少?(10 分)
#157156
⑵如⑴之條件不滿足,而動摩擦係數為 0.1,問 5 kg 方塊從靜止往下掉 0.5 m 需時 多久?(10 分)
#157157
⑶假如摩擦可忽略但滑輪質量不能忽略,則⑵的答案會如何改變?(10 分)
#157158
⑴圖四中挖去圓洞後圓板重心的座標位置為何?(10 分)
#157159
⑵假如挖圓洞時其圓心 S 是定在圖示第一象限的線 AB 上,其他尺寸不變,則挖洞 後圓板重心的座標位置為何?(10 分)
#157160
一、資料倉儲常用維度模式(Dimensional Model)來建置,而維度模式的設計最怕出現 緩慢改變維度(Slowly Changing Dimension)問題。請舉例說明何謂緩慢改變維度 問題。(10 分)
#157161
二、請舉例說明何謂資料庫的 Delete Anomaly。(10 分)
#157162
三、請說明資料庫標準 IDEF1 與 IDEF1X 兩者的主要差異。(10 分)
#157163
⑴ SELECT * FROM ORDER_ITEM WHERE ExtendedPrice BETWEEN 100 AND 200 ORDER BY OrderNumber DESC;(10 分)
#157164
⑵ SELECT COUNT(*) AS SKU_Count, SUM(Price) AS TotalRev, SKU FROM ORDER_ITEM GROUP BY SKU HAVING SUM(Price) = 50;(10 分)
#157165
相關試卷
115年 - 115 身心障礙特種考試_四等_機械工程:機械力學概要#138948
115年 · #138948
115年 - 115 關務特種考試_四等_機械工程(選試英文):機械力學概要#138937
115年 · #138937
114年 - 114 地方政府公務特種考試_四等_機械工程:機械力學概要#134717
114年 · #134717
114年 - 114 原住民族特種考試_四等_機械工程:機械力學概要#130944
114年 · #130944
114年 - 114 普通考試_機械工程:機械力學概要#128752
114年 · #128752
114年 - 114 身心障礙特種考試_四等_機械工程:機械力學概要#126629
114年 · #126629
114年 - 114 關務特種考試_四等_機械工程(選試英文):機械力學概要#126570
114年 · #126570
113年 - 113 地方政府公務特種考試_四等_機械工程:機械力學概要#124494
113年 · #124494
113年 - 113 原住民族特種考試_四等_機械工程:機械力學概要#122659
113年 · #122659
113年 - 113 普通考試_機械工程:機械力學概要#121222
113年 · #121222