阿摩線上測驗
登入
首頁
>
工程力學(含靜力學、動力學與材料力學)
>
104年 - 104 專技高考_機械工程技師:工程力學(包括靜力學、動力學與材料力學)#41825
> 申論題
題組內容
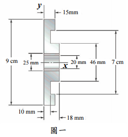
一、圖一表示一個兩種材質構成的平皮帶惰輪(idler pulley)。中央部分為青銅製的套 筒(bushing),內外徑分別為 20 mm 及 25 mm,材料密度為 8500 kg/m
3
,其餘部 分的材料密度為 1250 kg/m
3
。試問:
⑵該惰輪的質量中心座標?(10 分)
相關申論題
⑴該惰輪的總質量?(10 分)
#130568
⑴位置 I 與位置 II 的位能(potential energy)各為若干 N ⋅ m ?(10 分)
#130570
⑵軸環 C 在位置 II 的速度?(10 分) 提示:(動能+位能) I =(動能+位能)II
#130571
⑴組合桿件 ABC 的瞬間加速度?(10 分)
#130572
⑵作用在連桿 O1A 及 O2B 的力?(10 分)
#130573
⑴繪製 C 型夾持器 a-a 截面受力自由體圖,並表示於截面 a-a 的何處有最大應力? 是什麼應力型式?(10 分)
#130575
⑵截面 a-a 的最大應力值為若干 MPa?(10 分)
#130576
四、如圖所示,已知 A、B 兩物塊重量分別為 10 kg 與 50 kg,且滑輪系統的繩長度為固定。試求從靜止釋放後,當 A 物塊速度達到 0.5 m/s 時,B 物塊 之速度與 A 物塊移動之距離各為何?(假設滑輪與支承座之重量可忽略 不計、重力加速度為 10 m/s2)(25 分)
#569853
三、如圖所示,有一直徑為 20 mm,長度 L =1 m 的鋼軸,此鋼軸強度可承受 t 的扭矩,其中 tB 為150 N • m/m ,試求其最大扭轉剪應力與扭轉角。(假設 鋼軸剪切模數 G 為 80 GPa)(25 分)
#569852
二、如圖所示,一有槽連桿於 O 點固定,其連桿以固定的角速度θ=4 rad/s 進行運動,使銷釘 P 沿著螺旋導軌 r = 0.5θ m 移動一距離,試求當θ=π/4 rad 時,銷釘 P 徑向與橫向的速度與加速度?(25 分)
#569851
相關試卷
115年 - 115 關務特種考試_三等_機械工程(選試英文):工程力學(包括靜力學、動力學與材料力學)#138918
115年 · #138918
114年 - 114 專技高考_機械工程技師:工程力學(包括靜力學、動力學與材料力學)#133710
114年 · #133710
114年 - 114 公務升官等考試_薦任_機械工程:工程力學(包括靜力學、動力學與材料力學)#133242
114年 · #133242
114年 - 114 專技高考_專利師(選試專業英文及工程力學)、專利師(選試專業日文及工程力學):工程力學#130105
114年 · #130105
114年 - 114 關務特種考試_三等_機械工程(選試英文):工程力學(包括靜力學、動力學與材料力學)#126623
114年 · #126623
113年 - 113 臺灣菸酒股份有限公司_從業評價職位人員試題_鍋爐:工程力學#132351
113年 · #132351
113年 - 113 專技高考_機械工程技師:工程力學(包括靜力學、動力學與材料力學)#123897
113年 · #123897
113年 - 113 專技高考_造船工程技師:工程力學(包括靜力學、動力學與材料力學)#123895
113年 · #123895
113年 - 113 專技高考_專利師(選試專業英文及工程力學)、專利師(選試專業日文及工程力學):工程力學#122211
113年 · #122211
113年 - 113 關務特種考試_三等_機械工程(選試英文):工程力學(包括靜力學、動力學與材料力學)#119496
113年 · #119496