所屬科目:技檢◆工業配線-乙級
1.600A銅匯流排之適當尺寸為(A)6×50mm(B)10×100mm(C)10×75mm(D)3×25mm。
2.變壓器之電壓比為3300/200V,其一次側分接頭有2850、3000、3150、3300、3450V,現接於3300之分接頭二次側電壓為200V,欲得220V之電壓,其分接頭應選用(A)3000(B)3450 (C)3300(D)3150V。
3.與零相比流器(ZCT)組合使用之器具為(A)靜電形檢漏器(B)接地電驛(C)差動電驛(D)過電壓電 驛。
4.斷路器(C.B)主要功能為啟斷(A)激磁電流(B)短路電流(C)過載電流(D)額定電流。
5.電纜頭之代表符號為(A)CC(B)HC(C)CH(D)TC。
6.正確測試一組脈波信號之電壓值應使用(A)交流電壓表(B)示波器(C)三用表(D)頻率表。
7.額定電壓7.2KV、啟斷容量250MVA之三相斷路器,其啟斷電流約為(A)20000A(B)25000A(C)35000A(D)30000A。
8.電纜埋設位置上方常受重載車輛或其他重壓力之處,應採(A)直埋式(B)加強混凝土管路式(C)管 路直埋式(D)溝槽式。
9.PLC並聯連接的a接點,宜採用何指令?(A)OR(B)ANI(C)LD(D)AND。
10.檢漏器(GroundDetector)可用以測試配電線路是否有(A)短路(B)斷路(C)停電(D)接地。
11.變壓器一次側電流為I1、一次線圈匝數為N之變壓器二次側電流為I2、二次線圈為N,下 列答案中何者為正確(A)(B)(C)(D)。
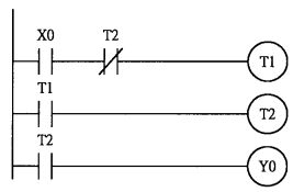
12.如圖所示,下列之PLC回路,何者為正確?(A) (B)(C)(D) 。
13.用以高壓變為低壓之變壓器,其低壓側應接特種或第二種地線工程接地,主要目的為(A)防止 雷害(B)變壓器之過載保護(C)減少對人畜的危險性(D)減少電力損失。
14.油式變壓器乾燥劑之主要功用為(A)防止層間短路(B)防止油劣化(C)調節溫度(D)調節油面。
15.Y-△「啟動」當電動機反轉時若要改為正轉在電動機引出線端子上更換最少應更換(A)1條 (B)4條(C)3條(D)2條。
16.頻率若為fHz,則角速度ω〔rad/sec〕(弧度/秒)為(A)(B)(C)(D)。
17.電氣圖中VS係指(A)電壓切換開關(B)電流切換開關(C)自動開關(D)單切開關。
18.如圖所示係表示(A)比流器(B)接地購壓器(C)零相比流器(D)比壓器。
19.有關漏電斷路器之敘述,下列何者為誤(A)可檢出接地故障(B)有額定電壓之限制(C)感度可分為 高、中、低(D)跳脫速度均相同。
20.將直流變為交流的是(A)轉換器(Inverter)(B)整流器(C)比流器(D)濾波器。
21.PLC之ROL指令為(A)左移指令(B)右移指令(C)右旋指令(D)左旋指令。
22.PLC之WSFL指令為(A)位元右移指令(B)位元左移右旋指令(C)字元左移指令(D)字元右移指令。
23.下列何者是AND閘之真值表?(A)(B)(C)(D)。
24.CT二次線圈短路時,則一次電流(A)先增加待飽和後減少(B)不變(C)增加(D)減少。
25.保護變壓器內部故障之電驛為(A)距離電驛(B)接地電驛(C)逆相電驛(D)差動電驛。
26.如下圖所示為氣壓回路所使用之
(A)調壓閥(B)程式閥(C)釋壓閥(D)流量控制閥。
27.三相6600V之變壓器容量為1500KVA,選用比流器(CT)之一次側電流為(A)120A(B)200A(C)130A(D)100A為宜。
28.變壓器二次側接地的目的為(A)提高導磁係數(B)防止感電事故(C)提高導磁率(D)防止渦流損失。
29.使用兩功率計法測定平衡三相負載之功率時,若其中一功率計之讀數為零,則該三相負載之 功率因數為(A)0.5(B)0(C)0.866(D)1。
30.配電盤內CT二次側配線之顏色應採用:(A)黃色(B)黑色(C)紅色(D)藍色。
31.PLC之計數器,若計數輸入端與復歸輸入端同時閉合,則下述何者為正確?(A)計數器計數值 加1(B)計數器計數值減1(C)計數器計數值歸零(D)計數器無法作動。
32.如左圖排放空氣管路的接口為(A)A,B(B)P(C)Z(D)R。
33.PLC電路中,兩只計數器之設定值各為10次及20次,請問其最大計數範圍為(A)200次(B)30 次(C)20次(D)10次。
34.整流器之英文符號為(A)RF(B)LVR(C)IR(D)CLX。
35.儀表面板上附有符號表示(A)整流型(B)可動鐵片型(C)可動線圈型(D)感應型。
36.如左圖所示,下列之PLC控制回路,何者為正確? (A) (B)(C)(D)。
37.直流之電流表欲測大電流時,可用(A)比壓器(B)比流器(C)整流器(D)分流器配合電流表使用。
38.高壓電容器附加放電電阻,在線路開啟後迅速降低殘餘電荷,其規定為(A)5分鐘內降至50V 以下(B)3分鐘內降至30V以下(C)10分鐘降至50V以下(D)5分鐘內降至30V以下。
39.如下圖所示為
(A)電壓電流兩用互感器(B)零相電壓互感器(C)零相變流互感器(D)附保護套之變流 互感器。
40.交流正弦波之波形因數為(A)(B)(C)(D)。
41.如左圖所示係表示(A)無熔絲開關(B)控制開關(C)電力熔絲(D)油開關。
42.CT超過負擔時,所連接之電流計指示值(A)不變(B)無作用(C)增大(D)減少。
43.普通繞線式電動機在運轉中,其二次起動電阻應(A)使其為最大(B)使其為全部電阻之一半(C)短 路(D)全部電阻之5%。
44.採用Y-△啟動器啟動時,其啟動電流為全壓啟動之(A)1/4(B)1/6(C)1/3(D)1/5。
45.為使電纜散熱良好,埋設電纜時其周圍須填(A)水泥(B)細砂(C)石塊(D)土壤。
46.如下圖所示之三相平衡電路,若線電流I1為100A時,相電流I2[A]約為
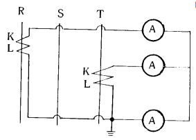
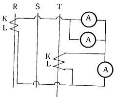
(A)87A(B)173A(C)58 A(D)100A。
47.如下圖所示,此電路應使用何指令來連結X1與X2之接點,或者X3與X4之接點?
(A)ORB(B)A NB(C)AND(D)OR。
48.高壓電纜被覆遮蔽銅帶或同心中性線之目的為(A)增加耐受壓力(B)保持絕緣體外緣之零電位(C) 保護電纜為外物所傷(D)加強電纜扯斷強度。
49.利用三具電流表和兩具CT以側定三相交流回路之各相電流其正確之結線為(A) (B)(C)(D) 。
50.斷路器之控制開關(CS)具備之特性下列敘述何者為誤?(A)殘留接點(B)操作後固定在ON或OF F位置(C)PULL-OUT操作(D)自動回歸。
51.左圖中控制管路的接口為(A)Z(B)R(C)A,B(D)P。
52.電阻R與感抗X串聯之電路,若,則此電路之功率因數為(A)(B)(C)(D) 。
53.使用何種斷路器保護高壓馬達時應加裝突波吸收器(A)瓦斯斷路器(B)氣中斷路器(C)油斷路器(D) 真空斷路器。
54.低壓電路與大地之絕緣電阻為0.1MΩ若在此電路加200V電壓時其漏電電流為(A)200mA(B)20mA(C)0.2mA(D)2mA。
55.如下圖所示為氣壓回路中,所使用之閥為
(A)釋壓閥(B)流量控制閥(C)程式閥(D)調壓閥。
56.直流電壓計其最大刻度為300V,內阻為1.5kΩ,欲將測試範圍提高至600V,則須串聯電阻 器之電阻值為(A)3KΩ(B)4.5KΩ(C)6KΩ(D)1.5KΩ。
57.如圖所示,下列何者為Y的輸出?(A)1(B)A(C)0(D)。
58.下圖之邏輯式為
(A)A‧B=B‧A(B)A+B=B+A(C)A‧B=1(D)A‧B=0。
59.若額定頻率為50Hz之感應電動機,今接於60Hz之電源使用,則(A)速率增加20%(B)功率因 數低落(C)轉差率增大致過熱(D)無變化。
60.三相6.6KV之電源,當負載為1000KW時,其主配電盤電流計附屬之CT選用何者較為適當 (A)250/5A(B)100/5A(C)150/5A(D)200/5A。
61.如圖所示係代表(A)電力分電盤(B)電力配電盤(C)照明分電盤(D)照明配電盤。
62.加裝電容器改善功率因數,可改善(A)安裝點負載側(B)安裝點附近(C)安裝點之電源側(D)全系統 之功用。
63.3ψ4W11.4KV多重接地系統,使用之避雷器額定電壓為(A)12KV(B)9KV(C)6KV(D)15KV。
64.比壓器與比流器在使用上最大的區別為(A)PT二次側不可開路,CT二次側不可短路(B)CT二次 側須使用保險絲(C)PT二次側不可短路,CT二次不可開路(D)PT二次側不能使用保險絲。
65.R、S、T代表電源線而U、V、W代表感應電動機線端如R-U、S-V、T-W連接為正轉,結 線變更仍為正轉其結線為(A)R-W、S-V、T-U(B)R-V、S-W、T-U(C)R-U、S-W、T-V(D)R-V、 S-U、T-W。
66.H級絕緣材料包括雲母、石綿、玻璃,其允許最高耐熱溫度為(A)190℃(B)180℃(C)105℃(D)125 ℃。
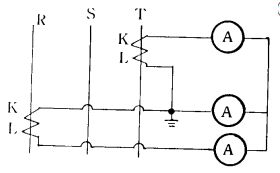
67.如下圖所示(1)之編號表示
(A)手捺開關(B)斷路器(C)比流器(D)保險絲開關。
68.22.8KV100%絕緣基準高壓電纜之維護試驗採用直流電壓為(A)45KV(B)60KV(C)80KV(D)55K V。
69.若使用150/5A貫穿匝數1匝之比流器,配合0~50/5A電流表時,比流器所需貫穿之匝數為 (A)2匝(B)4匝(C)3匝(D)1匝。
70.比壓器、比流器二次電路之配線,或機器操作電路之配線,其所用之控制電纜,一般多用(A)P VC電纜(B)油封電纜(C)鉛皮電纜(D)氣壓電纜。
71.1.6mm銅線之電阻值為3.6Ω,同一長度3.2mm之電阻值為(A)7.2Ω(B)1.8Ω(C)0.9Ω(D)5.4Ω。
72.如圖所示,下列何者為Y的輸出?(A)(B)A(C)0(D)1。
73.如圖所示係表示(A)過電流接地電驛(B)過電流電驛(C)過電壓電驛(D)過電壓接地電驛。
74.25KV以下進屋線以後之單蕊電纜,其接地採用(A)不必接地(B)一端接地(C)多重接地(D)兩端接 地。
75.一般PLC之輸出點與輸入點之編號採用八進制,下列輸出點與輸入點之編號何者為誤?(A)X3(B)X9(C)Y6(D)Y13。
76.小勢力過電流電驛可做為(A)過壓(B)接地(C)逆相(D)欠相保護用。
77.電擊昏迷者嘴唇、舌及指甲轉青時,乃顯示其缺乏(A)氧氣(B)食物(C)水份(D)血。
78.將Y-△啟動器使用於三相感應電動機,其目的在於(A)使啟動轉矩增大(B)減少啟動電流(C)縮 短啟動時間(D)於啟動之際有大電流。
79.電纜之同心中性線作為接地故障電流回路外,尚可加強電纜之(A)電應力(B)耐燃度(C)機械強度 (D)絕緣強度。
80.E種絕緣物之最高容許溫度〔℃〕為(A)95(B)180(C)105(D)120。