阿摩線上測驗
登入
首頁
>
技檢◆工業配線-乙級
> 105年 - 01300 工業配線 乙級 工作項目 03:可程式控制器(PLC)之應用 101-120#40950
105年 - 01300 工業配線 乙級 工作項目 03:可程式控制器(PLC)之應用 101-120#40950
科目:
技檢◆工業配線-乙級 |
年份:
105年 |
選擇題數:
20 |
申論題數:
0
試卷資訊
所屬科目:
技檢◆工業配線-乙級
選擇題 (20)
複選題
101. PLC 是一種工業控制設備,儘管在可靠性方面採取了許多措施,但工作環境對 PLC 影響還是很大,影響 P LC 工作的環境因素主要有(A)溫度(B)濕度(C)電磁輻射(D)粉塵,以及腐蝕性酸鹼等。
複選題
102. 在 PLC 故障處理中,若輸入全部沒有動作(輸入指示燈全滅)其可能原因(A)未加外部輸入電源(B)外部輸入 電壓低(C)端子螺絲鬆動(D)端子板聯接器接觸不良。
複選題
103. 在 PLC 故障處理中,若輸入指示燈呈現不規則的 ON/OFF 現象其可能原因(A)未加外部輸入電源(B)外部輸入 電壓低(C)電磁輻射引起的誤動作(D)端子螺絲鬆動或端子板聯接器接觸不良。
複選題
104. 如下列圖示,以 PNP 型感測器配合具有 S/S 接線點之 PLC 使用時,須完成下列哪些選項之連接後,方能使 PNP 型感測器正常動作(A)a-c (B)b-c (C)k-a-m-b,1-d (D)p-c,q-d 。
複選題
105. 在 PLC 故障處理中,若輸出全部無作用其可能原因(A)未加負載電源(B)負載電源電壓低(C)端子螺釘鬆動或 I/ O 匯流排接觸不良(D)端子板聯接器接觸不良。
複選題
106. 在 PLC 故障處理中,若特定編號的輸出繼電器其連接的負載不動作(但該接點輸出指示燈亮)其可能原因為 (A)輸出負載不良(B)輸出配線斷線或端子螺絲鬆動(C)繼電器輸出接點不良(D)未加負載電源。
複選題
107. 在 PLC 故障處理中,若特定編號的輸出繼電器其連接的負載無法關斷(但該接點輸出指示燈滅)其可能原 因(A)輸出負載不良(B)由於漏電流或殘餘電壓而不能關斷(C)繼電器輸出接點不良(D)未加負載電源。
複選題
108. 在 PLC 故障處理中,若輸出出現不規則的 ON/OFF 現象,其可能原因(A)電源電壓低(B)電磁波干擾引起誤動 作(C)端子螺絲鬆動(D)端子聯接接觸不良。
複選題
109. PLC 圖形監控技術大致可分為那幾種:(A)通用型的人機界面(HMI<->PLC)(B)實體指示燈與開關組成操作盤(C) PC/IPC 套裝式人機界面圖控軟體(PC/IPC<->PLC)(D)PC/IPC 自型發展人機界面圖控軟體(PC/IPC<->PLC)。
複選題
110. 如下列圖示,以直流 2 線式近接開關配合具有 S / S 接線點之 PLC 使用時,須完成下列哪些選項之連接後, 方能使直流 2 線式近接開關正常動作(直流 2 線式近接開關漏電電流小於 PLC 輸入的 OFF 電流,Sink 模式) (A)a-c(B)b-c(C)n-d,o-b(D)p-c,q-d。
複選題
111. SFC 架構中,其主要組成元素為何﹖(A)狀態點(State)(B)動作(Action)(C)轉移條件(Transfer Condition)(D)連接(Lin k)。
複選題
112. 可程式控制器 PLC 與個人電腦 PC 的主要差異,下列敘述哪些正確:(A)PLC 工作環境要求比 PC 低,PLC 抗 干擾能力強(B)PLC 編程比 PC 簡單易學(C)PLC 設計調整試驗週期短(D)PLC 維護比 PC 容易。
複選題
113. PLC 階梯圖中接點可以是(A)PLC 輸入的接點(B)PLC 內部輔助繼電器的接點(C)內部計時器、計數器等的狀態 接點(D)PLC 的輸出接點。
複選題
114. PLC 階梯圖中的接點,下列敘述哪些正確:(A)接點間可以任意串、並聯(B)線圈間只能並聯不能串聯(C)接點 間只能並聯不能串聯(D)線圈間可以任意串、並聯。
複選題
115. PLC 內部繼電器接點、計數器、計時器等的狀態接點(A)均可直接控制外部負載,(B)只能供 CPU 內部使用(C) 均不能直接控制外部負載,(D)內部繼電器、計數器可直接控制外部負載,但計時器只能供 CPU 內部使用。
複選題
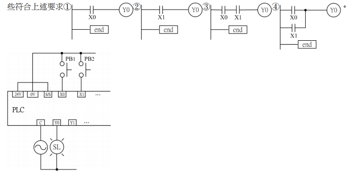
116. 如下圖所示為 PLC 的輸入/輸出點與外部元件的接線圖,輸入部份:X0 接 PB1 按鈕開關 a 接點,X1 接 PB2 按鈕開關 a 接點,輸出部份:Y0 接指示燈 SL。當押下 PB1 時,X0 ON,且指示燈 SL 亮,下列選項中哪些
複選題
117. PLC 的輸出電路為繼電器輸出時,下列敘述哪些正確?(A)回應時間比較慢(10ms)左右(B)在要求快速回應 的場合不適合使用此種類型的電路輸出形式(C)回應時間比較快(0.2ms)左右(D)在要求快速回應的場合適合 使用此種類型的電路輸出形式。
複選題
118. PLC 的輸出電路為電晶體輸出時,下列敘述哪些正確:(A)相較於繼電器輸出回應快(一般在 0.2ms 以下) (B)適用於要求快速回應的場合(C)適合使用於交流、直流外接電源(D)由於電晶體是無機械觸點,因此比繼電 器輸出電路形式的壽命長。
複選題
119. 如下圖所示,操作 PB (押下/放開),下列何種接法能讓 DC24V 繼電器 ON/OFF?(A)3-1,2-5,6-4(B)4-1,2-6,5-3(C) 3-1,4-5,2-6(D)1-3-5,2-4-6。
複選題
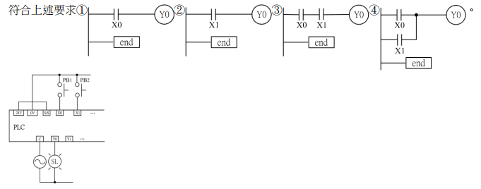
120. 如下圖所示為 PLC 的輸入 / 輸出點與外部元件的接線圖,輸入部份:X0 接 PB1 按鈕開關 a 接點,X1 接 PB 2 按鈕開關 a 接點,輸出部份:Y0 接指示燈 SL。當押下 PB2 時,X1 ON,且指示燈 SL 亮,下列選項中哪
申論題 (0)
相關試卷
114年 - 01300 工業配線 乙級 工作項目 05:檢查及故障排除檢修 51-107(2025/10/09 更新)#132030
114年 · #132030
114年 - 01300 工業配線 乙級 工作項目 05:檢查及故障排除檢修 1-50(2025/10/09 更新)#132029
114年 · #132029
114年 - 01300 工業配線 乙級 工作項目 03:可程式控制器(PLC)之應用 51-120(2025/10/09 更新)#132025
114年 · #132025
114年 - 01300 工業配線 乙級 工作項目 03:可程式控制器(PLC)之應用 1-50(2025/10/09 更新)#132024
114年 · #132024
114年 - 01300 工業配線 乙級 工作項目 02:低壓配電盤及控制盤 101-150(2025/10/09 更新)#132023
114年 · #132023
114年 - 01300 工業配線 乙級 工作項目 02:低壓配電盤及控制盤 51-100(2025/10/09 更新)#132022
114年 · #132022
114年 - 01300 工業配線 乙級 工作項目 02:低壓配電盤及控制盤 1-50(2025/10/09 更新)#132021
114年 · #132021
114年 - 01300 工業配線 乙級 工作項目 01:識圖與繪圖 51-93(2025/10/09 更新)#132020
114年 · #132020
114年 - 01300 工業配線 乙級 工作項目 01:識圖與繪圖 1-50(2025/10/09 更新)#132019
114年 · #132019
113年 - 113-3 全國技術士技能檢定學科_乙級:01300工業配線#123626
113年 · #123626