阿摩線上測驗
登入
首頁
>
台電◆機械原理
> 105年 - 105 台灣電力公司_新進僱用人員甄試:機械原理#53675
105年 - 105 台灣電力公司_新進僱用人員甄試:機械原理#53675
科目:
台電◆機械原理 |
年份:
105年 |
選擇題數:
0 |
申論題數:
25
試卷資訊
所屬科目:
台電◆機械原理
選擇題 (0)
申論題 (25)
1.工廠進貨一批材料,材料編號顯示為 SCM420,其二個主要合金成分為______。(答案不完整 不予計分)
2.依據 CNS 國家標準,機械製圖中用以表示第一角投影法的符號為______。
3.有一高強度螺栓,在螺栓頭上打印有 9.8 之數字,表示其最小抗拉強度為______MPa。
4.有一蝸桿和蝸輪的組合系統,其中蝸輪的齒數為 50 齒,蝸桿為二螺線,若蝸輪轉速為 4 rpm, 則蝸桿的轉速為______rpm。
5.有一對模數為 8 mm/齒之外接正齒輪組,兩齒輪的齒數分別為 40 和 80,則兩齒輪軸之中心距 離為______mm。
6.有一直徑 40 mm 之軸上設有一正確安裝之平行鍵(平鍵),規格為 8 mm x 7 mm x 30 mm, 若此軸承受之扭轉力矩為 240 N-m,則此鍵承受之剪應力為______MPa。
7.青銅製自潤軸承在輕負荷時能夠供給自身的潤滑劑,主要係因具有多孔特性,則此軸承最佳 之製造方法為______。
8.有一只泵軸在運轉中發生斷裂,從它的破斷口發現有很明顯的海灘紋,可以推斷此軸應該是 屬於______破壞。
9.依碳鋼組織區分,共析鋼的組織為波來鐵,其含碳量為______%。
10.某公司股東會紀念品鈦杯是以模具壓製加工,欲達到此種塑性加工,則衝模施加於鈦金屬板 之力量應超過此金屬板之______強度,才能獲得所需之幾何形狀。
【已刪除】11.如【圖 1】所示,W重 70 kg,由 2條鋼索支撐,請問此 BC鋼索所承受之張力為______kgf。(鋼索重量不計)
12.有一游標卡尺由最小刻度為 1 mm 的本尺(或稱主尺)與游尺(或稱副尺)組合而成,本尺 49 mm 長度在游尺等分成 50 小格。若今以此游標卡尺量測某工件時,游尺第 14 小格與本尺 60 mm 之刻度對齊時,此工件尺寸應為______mm。(計算至小數點後第 2 位,以下四捨五入)
13.如下【圖 2】所示西班牙滑車,已知其機械效率為 80 %,今施加 50 kgf 拉力 F,可吊起之重物W最重為______kg。
14.錐形管螺紋(NPT、PT)之錐度為______。
【已刪除】15.如上【圖 3】所示之手柄與螺桿裝置,當手柄旋轉 1 圈時,兩螺桿端面間距 L 會增加或減少 ______mm。
16.規格為 TK-7206C 之滾珠軸承,其軸承內徑為______mm。
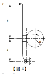
【已刪除】17.如下【圖 4】所示之制動器,鼓輪半徑 R = 80 mm,桿長 a = 100 mm,b = 200 mm,若鼓輪轉 矩為 24000 kgf-mm,今欲施加 250 kgf 的制動力 F 使鼓輪停止不動,則煞車塊的摩擦係數至 少應為______。
【已刪除】18.如上【圖 5】所示,請徒手繪出前視方向之前視圖______。
19.一般結構用鋼 SS400,其最低抗拉強度為______N/mm
2
。
【已刪除】20.如上【圖 6】所示,使用差動螺紋裝置之手壓機,其螺桿導程分別為 L1 = 12 mm、L2 = 8 mm,施 力手輪直徑 D = 40 cm,若各機件間之摩擦力不計,則此手壓機之機械利益為______。(π= 3.14)
(1) L- 3N -M36✖ 3✖120 - 2,請詳細說明其意義。(6 分)
【已刪除】(2)如【圖 7】所示銲接符號,請分別說明
所代表之意義。(4 分)
2.一彈簧系統如【圖 8】所示,各彈簧之彈簧常數均為 50 N/mm,當施力 P 為 1000 N 於此系統上時,則此彈簧系統的伸長量為多少 mm?(須列出計算過程)
【已刪除】3.如【圖 9】所示為某物件之第三角法三視圖,請繪出該物件之等角立體圖。
【已刪除】4.如【圖 10】所示之方形裸鋼板淨重 4 kg,已銲接 3 個圓形小鋼片(每片重量為 50 g,銲料重量 不計,中心座標如圖示),今欲加銲第 4 個圓形小鋼片(重量為 50 g,銲料重量不計),使配重 後之重心回復至原本方形裸鋼板的重心,請問此第 4 個圓形小鋼片之中心座標為何?(須列出 計算過程)
相關試卷
114年 - 114 台灣電力公司_新進僱用人員甄試試題:機械原理#127371
114年 · #127371
113年 - 113 台灣電力公司_新進僱用人員甄試試題_專業科目 B:機械原理#121809
113年 · #121809
112年 - 112 台灣電力公司_新進僱用人員甄試:專業科目 B(機械原理)#114263
112年 · #114263
111年 - 111 台灣電力公司_新進僱用人員甄試:專業科目 B(機械原理)#107779
111年 · #107779
110年 - 110 台灣電力公司新進僱用人員甄試:專業科目 B(機械原理)#98821
110年 · #98821
109年 - 109 台灣電力公司_新進僱用人員甄試:機械原理#86552
109年 · #86552
108年 - 108 台灣電力公司_新進僱用人員甄試:機械原理#78746
108年 · #78746
107年 - 107-12 台灣電力公司_新進僱用人員甄試:機械原理#73742
107年 · #73742
107年 - 107-05 台灣電力公司_新進僱用人員甄試:機械原理#69146
107年 · #69146
106年 - 106 台灣電力公司_新進僱用人員甄試:機械原理#63879
106年 · #63879