所屬科目:技檢◆工業配線-乙級
1.貫穿3匝時為150/5A之比流器,其原比數為(A)50/5(B)150/5(C)450/5(D)600/5。
2.依CNS標準,高壓配電盤控制電路之耐壓試驗,其試驗電壓為(A)1500V(B)2E+1000V(C)1000V(D)2000V。
3.ANSI是指(A)日本國家標準(B)中華民國國家標準(C)美國國家標準(D)英國國家標準。
4.如左圖所示,相當於下列何種閘?(A)AND(B)OR(C)NAND(D)NOR。
5.如下圖所示,下列何者阻抗最大?(A)CB(B)CT(C)Tr(D)N.F.B.。
6.採用Y-△啟動器啟動時,其啟動電流為全壓啟動之(A)1/5(B)1/4(C)1/6(D)1/3。
7.PLC之計數器,若計數輸入端與復歸輸入端同時閉合,則下列敘述何者正確?(A)計數器計數值歸零(B)計數器計數值減1(C)計數器計數值加1(D)計數器無法作動。
8.斷路器(CB)主要功能為啟斷(A)激磁電流(B)額定電流(C)短路電流(D)過載電壓。
9.22.8KV高壓電纜BIL測試值為(A)150(B)125(C)110(D)95KV。
10.如下圖所示,IEC國際標準符號為
(A)能限時動作的常開接點(B)溫度開關的常開接點(C)手動旋轉之常開接點(D)壓力開關的常開接點。
11.PLC電路中,兩只計數器之設定值各為10次及20次,請問其最大計數範圍為(A)30次(B)10次(C)20次(D)200次。
12.高壓開關GCB為(A)隔離開關(B)真空斷路器(C)瓦斯斷路器(D)油斷路器。
13.三相繞線式感應電動機之起動裝置,下列何者較為適當?(A)Y-Δ起動器(B)二次電阻起動器(C)起動變壓器(D)起動補償器。
14.如下圖所示之IEC國際標準符號為(A)壓力開關的常開接點(B)有機械連鎖之常閉接點(C)能限時動作的常閉接點(D)熱動過載開關的常開接點。
15.300MCM之全鋁線之截面積約為(A)200mm2(B)300mm2(C)100mm2(D)150mm2。
16.地下高電壓電纜埋設深度不得少於多少公分?(A)100(B)80(C)40(D)60。
17.三相鼠籠型感應電動機起動轉矩最大者為(A)一次電抗起動(B)直接起動(C)Y-Δ起動(D)一次電阻起動。
18.不適於啟動高壓負載電流之器具為(A)油開關(B)油斷路器(C)隔離開關(D)真空斷路器。
19.三相電動機定子繞組有6組,共12個引出線,每組定子繞組額定電壓相同,則此電動機繞組接法有(A)3種(B)2種(C)1種(D)4種。
20.如下圖所示排放空氣管路的接口為(A)P(B)A,B(C)R(D)Z。
21.如下圖所示,正常時L1,L2,L3電燈亮度相同,若S相接地,則(A)L1滅(B)L1,L2,L3皆滅(C)L2滅(D)L3滅。
22.如下圖所示氣壓符號為(A)7孔兩位閥(B)3孔兩位閥(C)5孔兩位閥(D)4孔兩位閥。
23.一般所稱四相一體過載保護電驛為(A)3(CO)+1(OV)(B)2(CO)+2(OV)(C)3(CO)+1(LCO)(D)1(CO)+1(LCO)+2(OV)。
24.非磁性近接開關之控制,其檢出方式係利用(A)水之導電(B)高週波(C)機械碰撞(D)靜電容量變化。
25.三相三線制配合二只比流器使用之電流切換開關若規定A1為被接地點,接線時錯將A2接地,其指示之變化如何?(A)R、T相與OFF、S相均對調(B)完全正常(C)OFF與S相對調(D)R、T相對調。
26.口對口人工呼吸每分鐘施行速度約(A)30~35次(B)20~30次(C)5~8次(D)16~18次。
27.高壓電纜被覆遮蔽銅帶或同心中性線之主要目的為(A)保護絕緣體外緣之零電位(B)保護電纜不為外物所傷(C)加強電纜扯斷強度(D)增加耐受壓力。
28.設施接地工程,若使用二個以上之接地電極時,其兩極之間最小距離不得低於(A)1.5m(B)2m(C)1.8m(D)2.5m。
29.若將直流分激電動機之激磁電流減少,電動機轉速將(A)不變(B)增加(C)停止不動(D)減少。
30.為測定開閉控制器具主接點之接觸電阻,無法用(A)壓降法測定(B)惠斯敦電橋測定(C)變比電橋來測定(D)三用電表來測定。
31.有一單相3300/220V之變壓器,接頭板(tap)置於3300之位置,現一次側加壓,二次側只有190V,欲提高至220V,接頭板應該改接在(A)3000位置(B)3450位置(C)2850位置(D)3150位置。
32.高壓受電盤,如裝有LCO、CO、UV、OV等保護電驛,如電源故障而使電壓降低至停電時,會動作之電驛為(A)UV(B)CO(C)OV(D)LCO。
33.下列何者為AND閘之真值表?(A)(B)(C)(D)。
34.三條相同之電熱線,若Y連接而使用於三相220V60Hz電源,消耗3KW功率。此電熱線若以△連接,而使用於3相220V50Hz之電源,則消耗之功率為(A)3KW(B)9KW(C)2KW(D)3KW。
35.可程式控制器之計數器設定值可設定四位數,則兩只計數器組合之最大設定值可為(A)七位數(B)八位數(C)六位數(D)五位數。
36.使用直流電橋所能測定者為(A)功率因數(B)電阻(C)阻抗(D)電功率。
37.符號表示(A)a接點(B)上微分a接點(C)計時器a接點(D)計數器a接點。
38.第三種地線工程,電路對地電壓150V以下者,該項接地電阻應保持在(A)5Ω以下(B)50Ω以下(C)100Ω以下(D)10Ω以下。
39.電擊昏迷者嘴唇、舌及指甲發紫時,顯示其缺乏(A)水分(B)食物(C)氧氣(D)血。
40.如左圖所示之符號在儀表上表示(A)靜電型(B)感應型(C)可動線圈比率計型(D)可動線圈型。
41.如下圖所示,下列何者為正確的PLC迴路?(A)(B)(C)(D)。
42.交連PE電纜周溫適用範圍為攝氏(A)-10℃~55℃(B)-5℃~40℃(C)0℃~55℃(D)0℃~25℃。
43.如下圖所示為
(A)零相電壓互感器(B)零相變流互感器(C)電壓電流兩用互感器(D)附保護套之變流互感器。
44.停電檢修時,應該在總開關操作手把上懸掛標示牌,且表明(A)不得通行(B)勿動開關,高壓危險(C)工作中(D)有電。
45.如下圖所示之邏輯式為(A)A+B=B+A(B)A‧B=B‧A(C)A+=1(D)AB=1。
46.三相四極之鼠籠型感應電動機,通常其啟動電流約為全載電流之(A)5~6倍(B)1.5~2倍(C)3~4倍(D)8~10倍。
47.依CNS標準,CT二次側之電流值,最常使用者為(A)5A(B)1A(C)2A(D)10A。
48.R、S、T代表電源線,U、V、W代表感應電動機線端,如R-U、S-V、T-W連接為正轉,接線變更仍為正轉其接線為(A)R-V、S-W、T-U(B)R-V、S-U、T-W(C)R-U、S-W、T-V(D)R-W、S-V、T-U。
49.三極油浸斷路器之符號為(A)(B)(C)(D)。
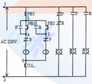
50.如下圖所示,押按鈕開關PB1時F成閃爍動作,其按PB2時R亦成閃爍動作,其原因為
(A)PB1與PB2對調(B)3,4點間的F之a接點與3,5點間R之a接點對調(C)F,R故障(D)4,6點間R之b接點與5,6點間的F之b接點對調。
51.在低壓配電箱中裸露之異相間隔,若電壓為600V,其相間距離不得小於(A)100mm(B)150mm(C)50mm(D)200mm。
52.比流器之選用可不必注意(A)額定電壓(B)一次側電流(C)負擔(D)外型。
53.50Hz製成之變壓器,接於60Hz同等電壓之電源,其輸入電流較50Hz電源接入之電流(A)不變(B)先變大待電流穩定後再變小(C)大(D)小。
54.如下圖所示為常開接點(NormallyOpen),一般稱為(A)a接點(B)b接點(C)NC接點(D)c接點。
55.需要即時處理,而無法允許程式掃瞄等待時間的操作宜使用(A)呼叫副程式(B)中斷指令(C)跳躍指令(D)流程指令。
56.數位電路符號中,左圖表示(A)NOT閘(B)NOR閘(C)OR閘(D)AND閘。
57.將Y-△啟動器使用於三相感應電動機之目的為(A)減少啟動電流(B)使啟動轉矩增大(C)縮短啟動時間(D)於啟動之際有大電流。
58.如下圖所示,兩個按鈕開關PB1、PB2控制指示燈SL亮熄,「押下」表示按鈕開關押下,「放開」表示按鈕開關放開,則(A)PB1押下、PB2押下時,SL亮(B)PB1押下、PB2放開時,SL亮(C)PB1放開、PB2押下時,SL熄(D)PB1放開、PB2放開時,SL熄。
59.如下圖所示,是表示
(A)步進電動機(B)同步電動機(C)直流電動機(D)感應電動機。
60.輸送機(Conveyer)及幫浦(Pump)等定速運轉之電動機以採用下列何種最為經濟?(A)三相並激換向電動機(B)三相同步電動機(C)三相鼠籠型感應電動機(D)直流並激電動機。
61.如下圖所示,當a、b兩端之外加電壓為190伏特時,下列敘述哪些正確?(A)a、b兩端間之電阻為20(B)I1之電流值為5安培(C)流經3電阻之電流為10安培(D)I2之電流值為10安培。
62.能產生恆定電流的裝置稱為電流源,其電路符號:(A)(B)(C)(D)。
63.供電中之分段開關(DS)在何種情形下不可操作(A)停電時(B)斷路器未OFF時(C)負載中時(D)過載時。
64.PLC階梯圖中的接點,下列敘述哪些正確:(A)接點間只能並聯不能串聯(B)接點間可以任意串、並聯(C)線圈間可以任意串、並聯(D)線圈間只能並聯不能串聯。
65.有關電壓表,下列敘述哪些正確?(A)與高阻器串連後可測更高電壓(B)與負載並聯測定電壓(C)與高電阻器並聯後可測更高電壓(D)其內阻大於電流表內阻。
66.下列哪些為高壓配電系統中常用的斷路器?(A)SF6斷路器(GCB)(B)磁吹斷路器(MBB)(C)小油量OCB(D)真空斷路器(VCB)。
67.依IEC標準有關斷路器規格,下列敘述哪些錯誤?(A)13.8KV600A12.5KA(B)12KV630A250MVA(C)12KV630A16KA(D)12KV1250A20KA。
68.按鈕開關常開a接點的電路符號為(A)(B)(C)(D)。
69.下列圖中哪些為正反器(flip-flop)之符號?(A)(B)(C)(D)。
70.下列哪些為正逆轉電磁接觸器,發生主接點同時導通之原因?(A)切換時間太快(B)線圈電壓錯誤(C)沒有安裝連鎖裝置(D)主接點熔解而粘住。
71.在PLC故障處理中,若輸入全部沒有動作(輸入指示燈全滅)其可能原因(A)未加外部輸入電源(B)端子板聯接器接觸不良(C)外部輸入電壓低(D)端子螺絲鬆動。
72.如下圖所示,單相二線交流電路,其傳輸線路的電壓降為(A)2I(B)2I(Rsinθ+XLcosθ)(C)2I(R+jXL)(D)2I(Rcosθ+XLsinθ)。
73.有關PLC在程式執行階段,下列敘述哪些正確?(A)在掃描階梯圖時,按先左後右、先上後下的順序進行邏輯運算(B)根據邏輯運算的結果,刷新該輸出線圈在I/ORAM存儲區中對應位元的狀態(C)以階梯圖而言由上而下依序掃描(D)確定是否要執行該階梯圖的功能指令。
74.符合下圖所示之真值表,為下列哪些邏輯閘?
(A)(B)(C)(D)。
75.選用斷路器之額定啟斷電流時,下列敘述哪些錯誤?(A)與負載電流相同(B)等於負載電流2倍(C)應大於最大短路電流(D)等於該CB額定電流2倍。
76.三組電力電容器採用Y接線時,下列敘述哪些正確?(A)其中性點應接地(B)電容器外殼不宜與中性點共同接地(C)會產生高諧波電流干擾通訊系統(D)若電源為3ψ4W式,中性線電流易引起接地電驛誤動作。
77.有關電壓切換開關(VS)與電流切換開關(AS),下列敘述哪些正確?(A)VS切換時內部接點不可短路(B)VS與AS接點展開圖不同(C)VS與AS可互換使用(D)AS切換時內部接點不可開路。
78.下列敘述哪些正確?(A)欲攻M4之螺牙,其攻牙前所鑽之孔徑應為3.0~3.4mm(B)使用鑽床時,調整鑽台高度使鑽頭與材料之距離約40~50mm(C)在配電盤箱上鑽孔定位時應使用中心沖(D)以手電鑽鑽孔,當接近完成時進刀速度應加快。
79.使用CT時,下列哪些正確?(A)負擔(VA)是否足夠(B)二次側不能短路(C)二次側要做接地(D)二次側通常使用1.25mm2黑色導線來配線。
80.可程式控制器輸出模組一般有(A)NPN電晶體輸出(B)PNP電晶體輸出(C)繼電器輸出(D)電磁閥輸出。