阿摩線上測驗
登入
首頁
>
技檢◆機電整合-乙級
> 105年 - 17000 機電整合 乙級 工作項目 02:儀表及工具使用#40985
105年 - 17000 機電整合 乙級 工作項目 02:儀表及工具使用#40985
科目:
技檢◆機電整合-乙級 |
年份:
105年 |
選擇題數:
46 |
申論題數:
0
試卷資訊
所屬科目:
技檢◆機電整合-乙級
選擇題 (46)
1. 利用三用電表測量正在轉動的馬達驅動電流安培數時,切至電流檔,紅黑探針應與馬達之電線(A)串聯(B)並聯 (C)串聯並聯均可(D)視交流或直流馬達而定。
2. 有關 M6 ×1 之內六角螺栓,下列描述何者有誤?(A)螺栓外徑 6mm(B)螺距 1mm(C)鑽銷內螺絲孔鑽頭選用∮5.8 (D)可選用標示 5 之內六角扳手拆裝。
3. 為防止氣油壓壓力量表會隨系統壓力變化而抖動,下列何種方式不適用?(A)在壓力量表入口處加裝一個節流 閥(B)在壓力量表入口處加裝一個切斷閥(C)在壓力量表入口處加裝一個阻尼管(D)在壓力量表入口處加大管徑。
4. 量測機件的(A)水平度(B)真圓度(C)鉛垂度(D)真直度 ,不是使用水平儀的時機。
5. 使用電動起子時,何者非正確之程序?(A)調整至最高扭矩,以鎖緊螺絲(B)選擇正確之轉向(C)選擇適中之螺絲 起子頭(D)鑽夾確實夾緊螺絲起子頭。
6. 一理想的電壓源,其內阻應為(A)無窮大(B)隨負載而定(C)趨近零(D)與負載大小成反比。
7. 下圖中,當惠氏登電橋平衡時,其穩態輸出電壓為零。若欲使下圖中之電橋平衡(即 Vo 為零),則 Z 應為 (A)電阻性元件(B)電容性元件(C)電感性元件(D)電絕緣元件。
8. 下列關於三用電表之使用敘述何者不正確?(A)量測交流電壓值時,不必考慮正負極性(B)量測直流電流值時, 需與待測電路成串聯連接(C)量測到之交流電壓值,為交流電壓之峰值(D)負載效應使量測得到之電壓值較實際 14 值之電壓值低。
9. 示波器之"TRIG. Level"控制鈕是控制其(A)振幅(B)頻率(C)觸發準位(D)焦距。
10. 關於量具之使用,下列敘述何者不正確?(A)塊規可用於校驗游標卡尺及分厘卡(B)塊規之平面度校驗,可以光 學平鏡配合單色光照射加以實現(C)游標高度規無法加裝量錶作平行度量測(D)分厘卡無法量測工件之二維輪廓 尺寸。
11. 光學投影機通常無法量測工件的(A)外部輪廓(B)長度(C)角度(D)深度。
12. 使用表面粗糙度量測儀時,應將工件表面之刀痕方向與探針運動方向呈何種方式放置?(A)平行(B)45°(C)垂直(D) 放置方式對量測結果沒有影響。
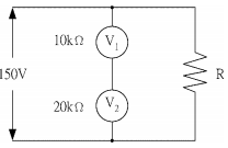
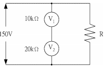
13. 如下圖迴路中有兩個內阻不同之電壓計 V1 及 V2,V2 之讀數為(A)50(B)75(C)100(D)150 V。
14. 如下圖迴路中有兩個內阻不同之電壓計 V1 及 V2,V1 之讀數為(A)50(B)75(C)100(D)150 V。
15. 測定三相三線式電路之各相電流,最少應使用(A)一個(B)二個(C)三個(D)四個 比流器。
16. 校正氣體流率時,下列何者屬於一級標準?(A)乾式氣體計(B)皂泡計(C)濕式氣體計量計(D)浮子流量計。
17. 數位示波器利用標示 10:1 之探測棒量測輸入訊號,若螢幕上顯示為 1kHz 方波,則實際測得的頻率為(A)10kHz (B)1kHz(C)100Hz(D)10Hz。
18. 調整兩軸之同心度要獲得最佳狀況,使用何者量測較為合適?(A)槓桿式量表(B)游標卡尺(C)分厘卡(D)塊規。
19. 數位示波器之"TRIGGER.LEVEL"旋鈕是調整(A)每格電壓值(B)每隔秒數值(C)觸發準位(D)輸入波形位置。
20. 數位示波器之"HORIZONTAL.SEC/DIV"旋鈕是調整(A)每格電壓值(B)每隔秒數值(C)觸發準位(D)輸入波形位置。
21. 數位示波器之"VERTICAL.POSITION"旋鈕是調整(A)每格電壓值(B)每隔秒數值(C)觸發準位(D)輸入波形位置。
22. 數位示波器之"VERTICAL.VOLTS/DIV"旋鈕是調整(A)每格電壓值(B)每隔秒數值(C)觸發準位(D)輸入波形位置。
23. 數位示波器之基本設定為水平方向每格 500μs,垂直方向每格 2V,若輸入波形如圖所示,則表示輸入波形頻 率為(A)250Hz(B)500Hz(C)1kHz(D)2kHz。
24. 數位示波器之基本設定為水平方向每格 500μs,垂直方向每格 2V,若輸入波形如圖所示,則表示輸入波形振 幅為(A)2V(B)10V(C)4V(D)8V。
25. 分厘卡螺桿採用之螺距為 0.5mm 之單線螺紋,若其量測精度為 0.02mm,則套筒上需等分刻劃幾格?(A)25 格 (B)50 格(C)75 格(D)100 格。
26. 有一游標卡尺,本尺最小刻度為 0.5mm,副尺 12mm 分成 25 等分,則此游標卡尺之最小讀數為(A)0.02mm(B)0. 05mm(C)0.5mm(D)0.1mm。
27. 光學投影機最適合量測工件的(A)工件輪廓(B)內孔深度(C)盲孔直徑(D)角度。
28. 量具對量測值所能顯示出最小讀數的能力,稱為(A)精密度(Precision)(B)靈敏度(Sensitivity)(C)準確度(Accuracy)(D) 解析度(Resolution)。
29. 量具對於檢測微小信號變化量之能力,稱為(A)精密度(Precision)(B)靈敏度(Sensitivity)(C)準確度(Accuracy)(D)解析 度(Resolution)。
30. 水平儀校正過程中,主要是觀察置放於平台之精密水平儀的氣泡位置與轉多少角度後精密水平儀的氣泡位置 差異來決定調整量?(A)45 度(B)90 度(C)135 度(D)180 度。
31. 水平儀的校正過程中,下列敘述何者不正確?(A)水平儀放在平台上,必須等氣泡靜止後,才可讀取氣泡位置 (B)讀取氣泡位置時,應垂直觀察,避免產生視覺誤差(C)使用前,必須先將平台與水平儀底部接觸面擦拭乾淨 (D)當水平儀旋轉前與旋轉後的氣泡偏移方向都偏向同一側時,表示水平儀誤差大。
32. 手工具的使用上,下列敘述何者不正確?(A)外張式扣環鉗是用於拆裝軸上的扣環(B)鯉魚鉗可用以夾持螺帽, 並以旋轉相配合螺紋的鬆緊工作(C)尖嘴鉗因鉗口長,方便於夾持大小螺帽作旋鬆緊工作(D)梅花扳手內槽角數 愈多者,工作負荷力應越輕。
33. 剝除導線之絕緣皮時,使用何者工具較適合?(A)尖嘴鉗(B)壓接鉗(C)剝線鉗(D)鯉魚鉗。
34. 量測繼電器之線圈是否正常,三用電表應使用何者檔位?(A)DCV 檔(B)ACV 檔(C)歐姆檔(D)DCmA 檔。
35. 內六角扳手的大小,是以六角的(A)對角長(B)一邊長(C)外接圓直徑(D)對邊長 尺寸稱呼之。
36. 機件尺寸標註為 30.0±0.1mm,使用何種長度測具較適宜?(A)捲尺(B)分厘卡(C)游標尺(D)直尺。
複選題
37. 游標卡尺可直接量測的項目為(A)長度(B)階段(C)錐度(D)角度。
複選題
38. 用於量測基準面之鑄鐵平台與花崗岩平台比較,下列哪些為花崗岩平台的特點?(A)易於加工成型(B)耐磨性高 (C)抗腐蝕性高(D)硬度低。
複選題
39. 下列敘述哪些正確?(A)塞規用於檢驗軸徑(B)卡規的通過端尺寸大於不通過端(C)塞規的通過端尺寸小於不通過 端(D)環規用於檢驗孔徑。
複選題
40. 下列關於正弦桿使用之敘述哪些正確?(A)一般使用角度為 60 度以下較方便(B)配合塊規可量測工件之角度(C) 配合塊規可量測工件之平行度(D)配合塊規用於量測工件角度是應用 sin 函數。
複選題
41. 為了降低量具測量工件之誤差,下列敘述哪些正確?(A)工件中心線應與量具軸線重合成一直線(B)視線應與量 具刻劃線呈水平(C)手握持工件及量具之時間愈短愈好(D)量測壓力越大越好。
複選題
42. 下列關於氣泡水平儀敘述哪些正確?(A)校正機台時,若機台右側高,氣泡往右移(B)校正機台時,若機台右側 高,氣泡往左移(C)玻璃管內裝的液體為流動性差的液體(D)玻璃管內裝的液體為流動性好的液體。
複選題
43. 可直接讀出工件尺寸數據的量具為(A)游標卡尺(B)分厘卡(C)環規(D)塊規。
複選題
44. 利用正弦桿量測工件錐度,須配合的量具為(A)塊規(B)平台(C)量錶(D)高度規。
複選題
45. 下列敘述哪些正確?(A)銲接電解電容器時需考慮極性(B)熱縮套管之正確使用方式為以電烙鐵加熱為宜(C)使用 斜口鉗剪線時,線頭應朝下,以免線頭剪斷時,因線頭反彈而傷及本身或鄰座的眼睛(D)尖嘴鉗適用於電子元 件的夾持及接腳的彎折等功用。
複選題
46. 下列三用電錶的使用敘述哪些正確?(A)測量電燈泡時,若電阻無限大,則表示此一燈泡瓦特數很高(B)測量交 直流電壓,若不知待測電壓大小時,須從較大範圍檔測量起(C)使用 DCmA 檔位,電表應與負載並聯(D)使用電 阻檔量測正常繼電器的 B 接點,當繼電器線圈未激磁時,電阻值應該是接近 0 歐姆。
申論題 (0)
相關試卷
114年 - 17000 機電整合 乙級 工作項目 08:維修 1-68(2025/12/26 更新)#135806
114年 · #135806
114年 - 17000 機電整合 乙級 工作項目 07:試車與調整 1-65(2025/12/26 更新)#135805
114年 · #135805
114年 - 17000 機電整合 乙級 工作項目 06:控制器的使用 51-118(2025/12/26 更新)#135804
114年 · #135804
114年 - 17000 機電整合 乙級 工作項目 06:控制器的使用 1-50(2025/12/26 更新)#135803
114年 · #135803
114年 - 17000 機電整合 乙級 工作項目 05:電動機選用 101-141(2025/12/26 更新)#135802
114年 · #135802
114年 - 17000 機電整合 乙級 工作項目 05:電動機選用 51-100(2025/12/26 更新)#135801
114年 · #135801
114年 - 17000 機電整合 乙級 工作項目 05:電動機選用 1-50(2025/12/26 更新)#135800
114年 · #135800
114年 - 17000 機電整合 乙級 工作項目 04:電控、感測、轉換元件認識 51-98(2025/12/26 更新)#135799
114年 · #135799
114年 - 17000 機電整合 乙級 工作項目 04:電控、感測、轉換元件認識 1-50(2025/12/26 更新)#135798
114年 · #135798
114年 - 17000 機電整合 乙級 工作項目 03:氣壓、油壓系統、迴路設計 151-177(2025/12/26 更新)#135797
114年 · #135797