所屬科目:技檢◆機電整合-乙級
(A)(B) (C)(D) 。
(A)常時 ON (B)常時 OFF (C)瞬時 ON (D)單次 ON 雙次 OFF 。
(A)1000(2 進位) (B)1000(8 進位)(C)1000(10 進位) (D)1111(2 進位) 。
(A)Y4 無法輸出 (B)Y4 輸出一個掃描時間 (C)Y4 保持 ON 狀態 (D)Y4 動作後 5 秒 OFF 。
(A)LD (B)OR (C)AND (D)無法書寫 。
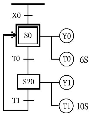
(A) (B)(C)(D) 。
(A)自保 (B)優先 (C)閃爍 (D)互斥或 。
(A)自保 (B)優先 (C)閃爍(D)互斥或迴路。
(A)ON0.5 秒 OFF0.5 秒 (B)ON1 秒 OFF1 秒 (C)ON1 秒 OFF0.5 秒 (D)ON0.5 秒 OFF1 秒 。
(A)(B)(C)(D) 。
(A) (B)(C) (D) 。
(A) (B) (C)(D) 。
(A)A+B+D (B) (C)(D) 。