所屬科目:技檢◆機電整合-乙級
(A)單一或連續不同模式選擇 (B)啟動運轉 (C)緊急停止 (D)停止運轉 之功能操作用。
(A)單一或連續不同模式選擇 (B)啟動運轉 (C)緊急停止 (D)停止運轉 。
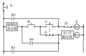
(A)單一或連續不同循環模式互切有效 (B)單一或連續不同循環模式互切無效 (C)單一循環切換連續循環有效、連續循環切換單一循環無效 (D)單一循環切換連續循環無效、連續循環切換單一循環有效 之運轉功能。
(A)30 (B)40 (C)50 (D)60
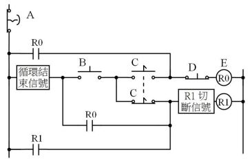
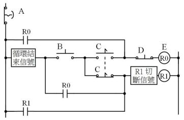
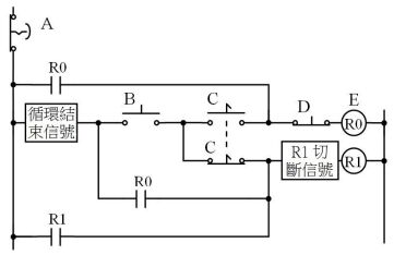
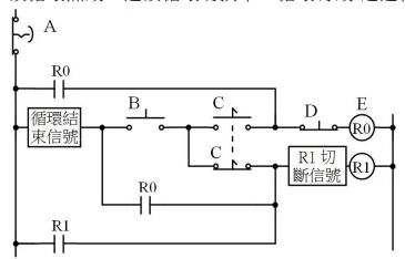
(A)A 為緊急停止元件(B)B 為停止元件 (C)C 為運轉模式切換元件 (D)D 為啟動元件 。
(A)A 為運轉模式切換(B)B 為啟動 (C)C 為緊急停止 (D)D 為停止 元件。
(A)A 為緊急停止 (B)B為啟動 (C)C 為停止 (D)E 為連續循環保持
(A)A 為緊急停止用 (B)B 為運轉模式切換用 (C)C 為啟動用 (D)D 為一般正常停止用 。
(A)A 為一般正常停止(B)B 為啟動 (C)C 為運轉模式切換 (D)D 為緊急停止 用。
(A)A 為緊急停止 (B)B為啟動 (C)C 為停止 (D)E 為連續循環保持 用。
(A)單一切換至連續模式為動作中無效 (B)連續切換至單一模式為動作中無效 (C)單一切換連續有效、連續切換單一無效(D)單一切換連續無效、連續切換單一有效 。
(A)連續模式切換為單一模式無效 (B)連續模式切換為單一模式有效 (C)單一模式切換為連續模式無效 (D)單一模式切換為連續模式有效 。
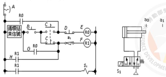
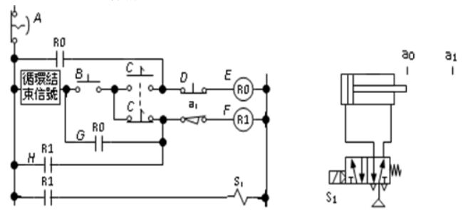
(A)A為一般正常停止用 (B)B 為操作模式切換用 (C)E 為連續循環才會激磁 (D)F激磁氣壓系統就會運轉 。
(A)A為緊急停止 (B)G 為連續循環時,再繼續新循環 (C)B 為操作模式切換 (D)H為 R1 繼電器自保持用 。