阿摩線上測驗
登入
首頁
>
技檢◆機電整合-乙級
> 114年 - 17000 機電整合 乙級 工作項目 03:氣壓、油壓系統、迴路設計 151-177(2025/12/26 更新)#135797
114年 - 17000 機電整合 乙級 工作項目 03:氣壓、油壓系統、迴路設計 151-177(2025/12/26 更新)#135797
科目:
技檢◆機電整合-乙級 |
年份:
114年 |
選擇題數:
27 |
申論題數:
0
試卷資訊
所屬科目:
技檢◆機電整合-乙級
選擇題 (27)
複選題
151. 油壓馬達每轉容量 q=30 cc/rev、轉速 n=1200 rpm、入口壓力 P
1
=130kgf/cm
2
、出口壓力 P
2
=10 kgf/cm
2
、馬達的機械效率
=0.95、容積效率
=0.92,下列敘述哪些正確? (A)驅動油壓馬達的有效壓力為 120 kgf/cm
2
(B)驅動油壓馬達的有效壓力為 130 kgf/cm
2
(C)輸出軸之扭矩為 544.6 kgf-cm (D)輸出軸之扭矩為 527.4 kgf-cm 。
複選題
152. 如下圖所示,有一組油壓系統供應泵浦,如 C 元件輸出流量 5 l/min、D元件輸出流量 30 l/min、A 閥件設定壓力 100 kgf/cm
2
、B 閥件設定壓力20 kgf/cm
2
,用來驅動一支鑽孔油壓缸(ψ63×30×200)使其有一半行程為快速移動、另一半慢速移動,下列敘述哪些正確?
(A)A 為溢流閥 (B)B 為卸載閥 (C)快速移動流量為 30 l/min (D)快速移動流量為 35 l/min 。
複選題
153. 如下圖所示,有一組油壓系統供應泵浦,如 C 元件輸出流量 5 l/min、D元件輸出流量 30 l/min、A 閥件設定壓力 100 kgf/cm
2
、B 閥件設定壓力20 kgf/cm
2
,用來驅動一支鑽孔油壓缸(ψ63×30×200)使其有一半行程為快速移動、另一半慢速移動,下列敘述哪些正確?
(A)A 閥件係控制系統最高壓力 (B)B 閥件設定壓力需稍低於快速移動時之壓力 (C)慢速移動流量為 5 l/min (D)慢速移動流量為 30 l/min 。
複選題
154. 如下圖所示,有一組油壓系統供應泵浦,如 C 元件輸出流量 5 l/min、D元件輸出流量 30 l/min、A 閥件設定壓力 100 kgf/cm
2
、B 閥件設定壓力20 kgf/cm
2
,用來驅動一支鑽孔油壓缸(ψ63×30×200)使其有一半行程為快速移動、另一半慢速移動,有關 E 元件下列敘述哪些正確?
(A)係控制左側 C 元件輸出之壓油可至右側,反向則否 (B)係控制右側 D 元件輸出之壓油可至左側,反向則否 (C)順向開啟壓力(cracking pressure)為 0.5kgf/cm2 以下 (D)當卸載時,用於分隔高壓區與低壓區 。
複選題
155. 如下圖所示,有一組油壓系統供應泵浦,如 C 元件輸出流量 5 l/min、D元件輸出流量 30 l/min、A 閥件設定壓力 100 kgf/cm
2
、B 閥件設定壓力20 kgf/cm
2
,用來驅動一支鑽孔油壓缸(ψ63×30×200)使其有一半行程為快速移動、另一半慢速移動,在鑽削行程下列敘述哪些正確?
(A)快速移動速度為 11.23 (B)快速移動速度為 14.53 (C)慢速移動速度為 1.60 (D)慢速移動速度為 2.08 m/min 。
複選題
156. 有一單桿雙動氣壓缸在摩擦係數為 0.15 的水平面移動 100 kgf 的物體,移動的距離為 300 mm,移動時間為 1 秒,1 分鐘做 20 次循環,工作壓力為 6 kgf/cm
2
。若以 30﹪與 70﹪的移動時間做等加速度與等速度(如下圖所示),下列敘述哪些正確?
(A)最大速度:35.3 cm/sec (B)最大速度:33.3 cm/sec (C)最大加速度:117.6 cm/sec
2
(D)最大加速度:166.7cm/sec
2
。
複選題
157. 有一單桿雙動氣壓缸在摩擦係數為 0.15 的水平面移動 100 kgf 的物體,移動的距離為 300 mm,移動時間為 1 秒,1 分鐘做 20 次循環,工作壓力為 6 kgf/cm
2
。若以 20%與 80%的移動時間做等加速度與等速度(如下圖所示),下列敘述哪些正確?
(A)最大速度:35.3 cm/sec (B)最大速度:33.3 cm/sec (C)最大加速度:117.6 cm/sec
2
(D)最大加速度:166.7cm/sec
2
。
複選題
158. 有一單桿雙動氣壓缸在摩擦係數為 0.15 的水平面移動 100 kgf 的物體,移動的距離為 300 mm,移動時間為 1 秒,1 分鐘做 20 次循環,工作壓力為 6 kgf/cm
2
。若以 30﹪與 70﹪的移動時間做等加速度與等速度(如下圖所示),下列敘述哪些正確?
(A)最大負載:27 kgf (B)行程末端的衝擊能量:63.6 kgf-cm (C)最大負載:32 kgf (D)行程末端的衝擊能量:56.7kgf-cm 。
複選題
159. 有一單桿雙動氣壓缸在摩擦係數為 0.15 的水平面移動 100 kgf 的物體,移動的距離為 300 mm,移動時間為 1 秒,1 分鐘做 20 次循環,工作壓力為 6 kgf/cm
2
。若以 20%與 80%的移動時間做等加速度與等速度(如下圖所示),下列敘述哪些正確? (A)最大負載:27 kgf (B)行程末端的衝擊能量:63.6 kgf-cm (C)最大負載:32 kgf (D)行程末端的衝擊能量:56.7kgf-cm 。
複選題
160. 有一單桿雙動氣壓缸在摩擦係數為 0.15 的水平面移動 100 kgf 的物體,移動的距離為 300 mm,移動時間為 1 秒,1 分鐘做 20 次循環,工作壓力為 6 kgf/cm
2
、負荷率為 70﹪。若以 30﹪與 70﹪的移動時間做等加速度與等速度(如下圖所示)。下列敘述哪些正確?
(A)氣壓缸之理論出力:38.6 kgf (B)氣壓缸之理論出力:64 kgf (C)氣壓缸選用ψ40 (D)氣壓缸選用ψ32 。
複選題
161. 有一單桿雙動氣壓缸在摩擦係數為 0.15 的水平面移動 100 kgf 的物體,移動的距離為 300 mm,移動時間為 1 秒,1 分鐘做 15 次循環,工作壓力為 6 kgf/cm
2
、負荷率為 50﹪。若以 20﹪與 80﹪的移動時間做等加速度與等速度(如下圖所示)。下列敘述哪些正確?
(A)氣壓缸之理論出力:38.6 kgf (B)氣壓缸之理論出力:64 kgf (C)氣壓缸選用ψ40 (D)氣壓缸選用ψ32 。
複選題
162. 有一支氣壓缸上標示 FBψ63×20×350 之記號,下列敘述哪些正確? (A)前法蘭(flange)方式安裝 (B)氣壓缸缸徑:63 mm (C)活塞桿桿徑:20 mm(D)行程長度:350 mm 。
複選題
163. 有關真空吸盤吸取工件,下列敘述哪些正確? (A)真空度愈高,則吸力愈弱 (B)真空吸盤面積愈大,則吸力愈強 (C)吸入流量愈大,則吸取時間愈短 (D)工件表面愈粗糙,則愈容易吸取 。
複選題
164. 在真空吸盤與真空產生器之間,加裝過濾器之作用,下列敘述哪些正確? (A)防止異物進入 (B)提高真空吸力 (C)避免真空產生器被阻塞 (D)縮短真空消失時間 。
複選題
165. 在真空系統中使用真空破壞設備,下列敘述哪些正確? (A)防止異物進入(B)加快真空壓力消失速度 (C)避免真空產生器被阻塞 (D)縮短輕型物件吸放時間 。
複選題
166. 在氣壓迴路上安裝流量控制閥時,應注意下列哪些事項? (A)流量控制閥的方向 (B)周遭溫度 (C)上下游閥門的對接口 (D)工作方便 。
複選題
167. 用一個中位加壓型 5/3 閥來控制何種氣壓缸,可得較佳的中間定位效果? (A)
(B)
(C)
(D)
。
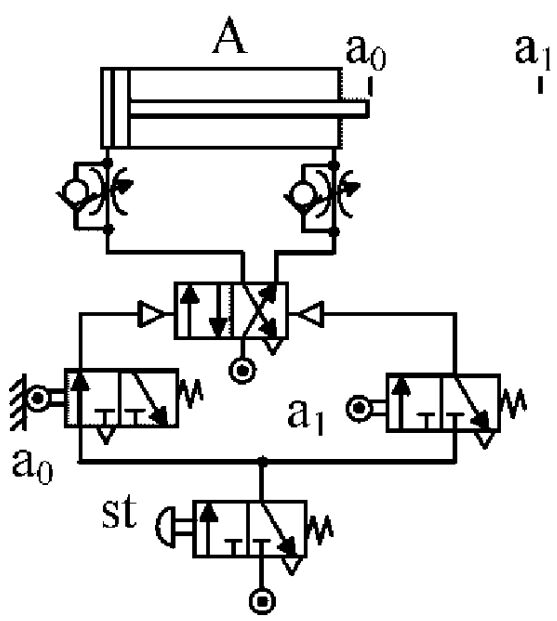
複選題
168. 如下圖每次快速壓放啟動閥 st 一次後,與下列哪些功能相同?
(A)
(B)
(C)
(D)
。
複選題
169. 有關油箱的功能,下列敘述哪些正確? (A)儲存系統的壓油 (B)作為油壓泵、電動機的固定座 (C)做為壓油清潔、散熱之用 (D)油箱越大,動力越大 。
複選題
170. 有關油泵之容積效率,下列敘述哪些錯誤? (A)系統壓力越高,容積效率越高 (B)相同油泵吐出量越大,容積效率越高 (C)油泵使用時間越長,容積效率越高 (D)油溫越高,容積效率越高 。
複選題
171. 液壓系統中,下列哪些是發生致動器速度降低現象的主要因素? (A)液壓泵的容積效率降低 (B)致動器配管內混入少量空氣 (C)致動器出力不足 (D)調速閥不良 。
複選題
172. 為增快油壓缸之活塞速度,可使用下列哪些迴路? (A)預充 (B)蓄壓 (C)增壓 (D)高低壓複合泵 。
複選題
173. 下列氣壓元件可在正負壓下操作且功能正常的為 (A)
(B)
(C)
(D)
。
複選題
174. 如下圖為一台以油壓缸(φ150×100×5000)透過鋼索驅動之電梯(W=5000kgf),若電梯箱上升移動速度為 6 m/min,下列敘述正確?
(A)油壓缸需要的移動速度為 3 m/min (B)油壓缸的出力約 10000 kgf (C)驅動油壓缸的壓油壓力至少需 200 kgf/cm
2
(D)驅動油壓缸的壓油流量需 53 LPM 。
複選題
175. 油壓蓄壓器的功用,下列敘述哪些正確? (A)可提高油壓缸的出力 (B)可提高油壓缸的活塞速度 (C)可減少系統的油脈動 (D)可作為系統緊急用油之需 。
複選題
176. 有一支氣壓缸上標示 FBψ50×20×350 之記號,下列敘述哪些正確? (A)後法蘭(flange)方式安裝 (B)氣壓缸缸徑為 50 ㎜ (C)活塞桿桿徑為 20 ㎜ (D)氣壓缸長度為 350 ㎜ 。
複選題
177. 有一支氣壓缸上標示 FBψ50×20×350 之記號,下列敘述哪些正確? (A)前法蘭(flange)方式安裝 (B)氣壓缸缸徑為 50 ㎜ (C)活塞桿半徑為 20 ㎜ (D)氣壓缸行程為 350 ㎜ 。
申論題 (0)
相關試卷
114年 - 17000 機電整合 乙級 工作項目 08:維修 1-68(2025/12/26 更新)#135806
114年 · #135806
114年 - 17000 機電整合 乙級 工作項目 07:試車與調整 1-65(2025/12/26 更新)#135805
114年 · #135805
114年 - 17000 機電整合 乙級 工作項目 06:控制器的使用 51-118(2025/12/26 更新)#135804
114年 · #135804
114年 - 17000 機電整合 乙級 工作項目 06:控制器的使用 1-50(2025/12/26 更新)#135803
114年 · #135803
114年 - 17000 機電整合 乙級 工作項目 05:電動機選用 101-141(2025/12/26 更新)#135802
114年 · #135802
114年 - 17000 機電整合 乙級 工作項目 05:電動機選用 51-100(2025/12/26 更新)#135801
114年 · #135801
114年 - 17000 機電整合 乙級 工作項目 05:電動機選用 1-50(2025/12/26 更新)#135800
114年 · #135800
114年 - 17000 機電整合 乙級 工作項目 04:電控、感測、轉換元件認識 51-98(2025/12/26 更新)#135799
114年 · #135799
114年 - 17000 機電整合 乙級 工作項目 04:電控、感測、轉換元件認識 1-50(2025/12/26 更新)#135798
114年 · #135798
114年 - 17000 機電整合 乙級 工作項目 03:氣壓、油壓系統、迴路設計 101-150(2025/12/26 更新)#135796
114年 · #135796