阿摩線上測驗
登入
首頁
>
技檢◆機電整合-乙級
> 105年 - 17000 機電整合 乙級 工作項目 03:氣壓、油壓系統、迴路設計 1-100#41011
105年 - 17000 機電整合 乙級 工作項目 03:氣壓、油壓系統、迴路設計 1-100#41011
科目:
技檢◆機電整合-乙級 |
年份:
105年 |
選擇題數:
100 |
申論題數:
0
試卷資訊
所屬科目:
技檢◆機電整合-乙級
選擇題 (100)
1. 引導式止回閥未加引導壓力時(A)逆向可通(B)逆向不可通(C)順向不可通(D)雙向均可通。
2. 節流閥在機械上安裝時,應注意(A)空氣壓力(B)周遭溫度(C)閥門的方向(D)工作方便。
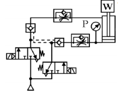
3. 氣壓系統上之三點組合正常排列是(A)油霧→過濾→調壓(B)過濾→調壓→油霧(C)調壓→油霧→過濾(D)過濾→ 油霧→調壓。
4. 有一水平旋轉式氣壓機械手臂之擺動缸須有中間定位,若致動器至控制閥間無任何閥件,應使用下列何種閥 件控制較為適當及安全?(A)中位加壓型 5/2(B)中位加壓型 5/3(C)中位閉氣型 5/3(D)中位排氣型 5/3 閥。
5. 用一個中位加壓型 5/3 閥來控制何種氣壓缸,可得最佳之中間定位效果?(A)
(B)
(C)
(D)
。
6. 一支單桿雙動氣壓缸以垂直方向推升 20kgf 之重物,其負荷率 η=70%、使用壓力 P=6 kgf/cm
2
、d(桿徑) =1/3 D(缸徑)計,宜選用缸徑(A)
ψ
25(B)
ψ
32(C)
ψ
40(D)
ψ
50 之氣壓缸。
7. 一支單桿雙動氣壓缸以垂直方向推升 52kgf 之重物,其負荷率 η=70%、使用壓力 P=6 kgf/cm
2
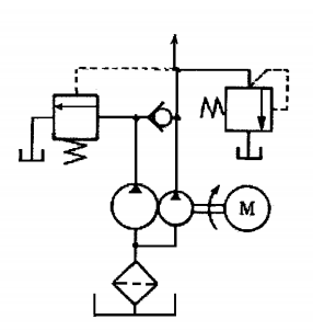
、d(桿徑) =1/3 D(缸徑)計,宜選用缸徑(A)
ψ
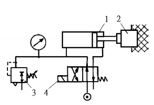
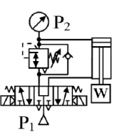
25(B)
ψ
32(C)
ψ
40(D)
ψ
50 之氣壓缸。
8. 一支單桿雙動氣壓缸以垂直方向拉起 20kgf 之重物,其負荷率 η=70%、使用壓力 P=6 kgf/cm
2
、d(桿徑) =1/3 D(缸徑)計,宜選用缸徑(A)
ψ
25(B)
ψ
32(C)
ψ
40(D)
ψ
50 之氣壓缸。
9. 一支單桿雙動氣壓缸以垂直方向拉起 52kgf 之重物,其負荷率 η=70%、使用壓力 P=6 kgf/cm
2
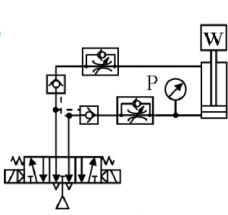
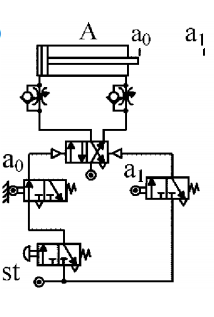
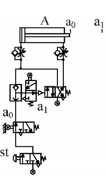
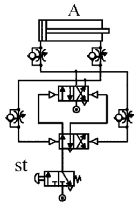
、d(桿徑) =1/3 D(缸徑)計,宜選用缸徑(A)
ψ
25(B)
ψ
32(C)
ψ
40(D)
ψ
50 之氣壓缸。
10. 有一真空吸盤以水平吊舉,要吸取 2 kgf 之重物,其真空壓「-65 kpa」、安全率取 4,應選用多大有效盤徑 之吸盤?(A)
ψ
25(B)
ψ
32(C)
ψ
40(D)
ψ
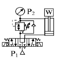
50。
11. 有一真空吸盤以水平吊舉,要吸取 4 kgf 之重物,其真空壓「-65 kpa」、安全率取 4,應選用多大有效盤徑 之吸盤?(A)
ψ
25(B)
ψ
32(C)
ψ
40(D)
ψ
50。
12. 下列何者不是蓄氣筒的功能?(A)提升壓力(B)排除凝結水(C)消除浪壓(D)補充瞬間大量用氣。
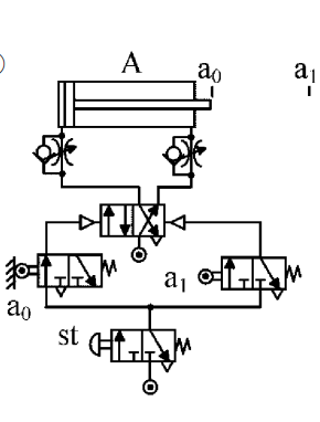
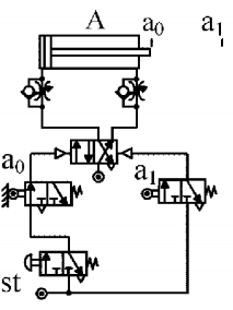
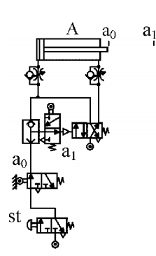
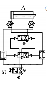
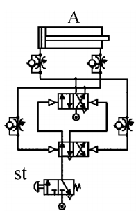
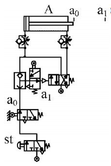
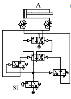
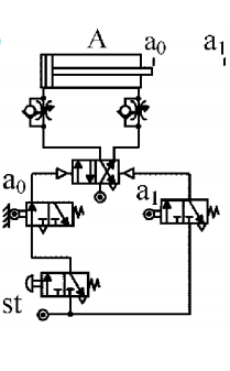
13. 如左圖每次快速壓放啟動閥 st 一次後,與下列何者功能相同?
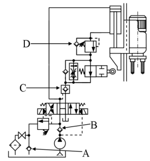
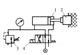
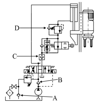
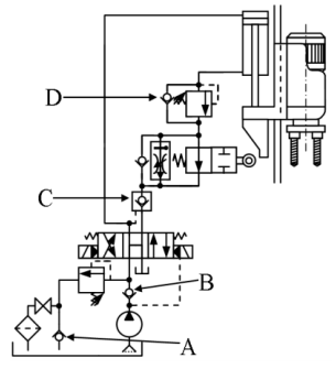
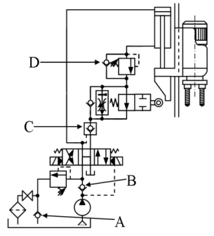
(A)
(B)
(C)
(D)
。
14. 如左圖每次快速壓放啟動閥 st 一次後,與下列何者功能相同?
(A)
(B)
(C)
(D)
。
15.
如左圖每次快速壓放啟動閥 st 一次後,與下列何者功能相同?(A)
(B)
(C)
(D)
。
16. 下圖為一台以油壓缸(
ψ
150×100×5000)透過鋼索驅動之電梯(W=5000 kgf),若電梯箱上升移動速度為 6 m/min,則油壓缸需要的移動速度為(A)3(B)6(C)9(D)12 m/min。
17. 下圖為一台以油壓缸(
ψ
150×100×5000)透過鋼索驅動之電梯(W=5000 kgf),若電梯箱上升移動速度為 6 m/min,則油壓缸的出力約為(A)5000(B)10000(C)15000(D)20000 kgf。
18. 下圖為一台以油壓缸(
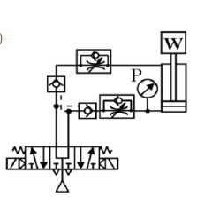
ψ
150×100×5000)透過鋼索驅動之升降梯(W=5000 kgf),若升降梯箱上升移動速度 為 6 m/min ,則驅動油壓缸之壓油的壓力(不計摩擦、慣性)至少需(A)28.5(B)42.75(C)57(D)85.5 kgf/cm 以上。
19. 下圖為一台以油壓缸(
ψ
150×100×5000)透過鋼索驅動之電梯(W=5000 kgf),若電梯箱上升移動速度為 6 m/min ,則驅動油壓缸之壓油的流量需(A)26.5(B)53(C)79.5(D)106 LPM。
20. 為防止空氣壓縮機停止運轉時受儲氣筒逆壓影響,應在空氣壓縮機吐出口處裝置(A)節流閥(B)卸壓閥(C)止回閥 (D)切斷閥。
21.
下列各氣壓迴路圖,何者可得左圖之訊號時間圖?(A)
(B)
(C)
(D)
。
22. 有關油箱的功能,下列敘述何者有誤?(A)儲存系統的壓油(B)做為油壓泵、電動機的固定座(C)做為壓油清潔、 散熱之用(D)可節省輸入動力的消耗。
23. 對於負載有反覆不定之油壓缸,何種速度控制迴路的效果最佳?(A)進油(meter-in)控制(B)排油(meter-out) 控制(C)分洩(bleed-off)控制(D)順序(sequence)控制。
24. 有關油泵之容積效率,下列敘述何者正確?(A)系統壓力愈高,容積效率愈高(B)相同油泵吐出量愈大,容積效 率愈高(C)油泵使用時間愈長,容積效率愈高(D)油溫愈高,容積效率愈高。
25. 為加快油壓缸之活塞速度,使用何種迴路為正確?(A)進油(meter-in)控制(B)排油(meter-out)控制(C)分洩(b leed-off)控制(D)差動 迴路。
26. 為加快油壓缸之活塞速度,使用何種迴路為錯誤?(A)預充閥(B)蓄壓器(C)增壓器(D)高低壓複合泵迴路。
27. 蓄壓器功用何者正確?(A)可補充油泵瞬間的吐出量之不足(B)可減少系統的用油量(C)可提高系統的操作壓力 (D)可延長每循環之工作時間。
28. 蓄壓器功用何者錯誤?(A)可提高油壓缸的活塞速度(B)可提高油壓缸的出力(C)可減少系統的油脈動(D)可做為 系統緊急用油之需。
29. 氣壓式計時器之計時長短,由(A)止回閥(B)節流閥(C)蓄氣室(D)控制閥 調整之。
30. 調壓閥之壓力與流量的關係,下圖何者為佳?(A)
(B)
(C)
(D)
。
31. 有一氣壓缸上之磁簧開關,其允許的最短作動時間為 5ms,而其感測範圍 8mm,則氣壓缸活塞最快的移動速 度為(A)40(B)400(C)1600(D)2500 mm/sec。
32. 有一氣壓缸上之磁簧開關,其允許的最短作動時間為 4ms,而其感測範圍 10mm,則氣壓缸活塞最快的移動 速度為(A)40(B)400(C)1600(D)2500 mm/sec。
33. 有一支雙動氣壓缸(
ψ
25×10×200st)在操作壓力為 5 kgf/cm
2
下往復一次,其消耗空氣量約為(A)1.08(B)10.8(C)1. 19 79(D)17.9 N
。
34. 有一支雙動氣壓缸(
ψ
32×12×200st)在操作壓力為 5 kgf/cm
2
下往復一次,其消耗空氣量約為(A)1.08(B)10.8(C)1. 79(D)17.9 N
。
35. 電磁閥入口壓力與出口壓力之比值超過多少以上,其通過該閥之空氣流速為音速?(A)0.89(B)1.89(C)2.89(D)3.8 9。
36. 有一個有效斷面積 10mm
2
之電磁閥,其入口、出口壓力分別為 6 kgf/cm
2
與 2.5kgf/cm
2
,則通過該閥的流量約 為(A)704(B)680(C)780(D)880
/min(ANR)。
37. 有一個有效斷面積 10mm
2
之電磁閥,其入口、出口壓力分別為 6 kgf/cm
2
與 4 kgf/cm
2
,則通過該閥的流量約 為(A)704(B)680(C)780(D)880
/min(ANR)。
38. 下列何者不是於液壓系統中,發生致動器的出力降低現象可能的因素?(A)液壓泵的壓力上升不良(B)溢流閥的 壓力上升不良(C)致動器的內漏增大(D)外部負荷變動過大。
39. 下列何者不是於液壓系統中,發生致動器速度降低現象可能的因素?(A)液壓泵的容積效率降低(B)致動器配管 內混入空氣(C)出力不足的原因所引起(D)調速閥不良。
40. 下列何不是於液壓系統中,發生致動器的動作不平順現象可能的因素?(A)引導式止回閥的內漏增大(B)致動器 配管內混入空氣(C)外部負荷變動過大(D)壓力補償型流量控制閥的動作不良。
41. 如下圖為液壓雙泵迴路。設高壓小排量泵的輸出量為 3
/min,低壓大排量泵的輸出量為 20
/min,溢流閥的 設定壓力為 35 kgf/cm
2
,卸載閥的設定壓力為 12 kgf/cm
2
。若於快速進給階段,不考慮泵的容積效率,送往 液壓缸方向的最大流量是(A)3(B)13(C)20(D)23
/min。
42. 如下圖為液壓雙泵迴路。設高壓小排量泵的輸出量為 3
/
min ,低壓大排量泵的輸出量為 20
/min ,溢流閥 的設定壓力為 35 kgf/cm
2
,卸載閥的設定壓力為 12 kgf/cm
2
。若於切削進給階段,測得往液壓缸方向的壓力是 28 kgf/cm
2
,不考慮泵的容積效率,則輸出的流量是(A)3(B)13(C)20(D)23
/min 。
43. 如下圖氣壓迴路。當電磁閥 4 未激磁,氣壓缸 1 夾緊工件 2,調壓閥 3 的目的是(A)供應更高的壓力(B)供應固 定的壓力(C)供應更大的流量(D)供應固定的流量 來維持夾緊的力量。
44. 如下圖氣壓迴路。當電磁閥 4 激磁,氣壓缸 1 放鬆工件 2,供給 4 的壓力為 6 bar,其排氣口不接任何元件, 調壓閥 3 調整的壓力是 3 bar,則壓力表讀出的壓力是(A)3 bar(B)6 bar(C)小於 3 bar 且大於 0 bar(D)大於 3 bar 且小 於 6 bar。
45. 有一單桿雙動氣壓缸在摩擦係數為 0.2 的水平面移動 50kgf 的物體,移動的距離為 200mm,移動時間為 1 秒, 每分鐘做 15 次循環,工作壓力為 6 kgf/cm
2
。若以 30﹪與 70﹪的移動時間做等加速度與等速度,則等速度為 (A)23.5(B)235(C)78.4(D)784 cm/sec。
46. 有一單桿雙動氣壓缸在摩擦係數為 0.2 的水平面移動 50kgf 的物體,移動的距離為 200mm,移動時間為 1 秒, 每分鐘做 15 次循環,工作壓力為 6 kgf/cm
2
。若以 30﹪與 70﹪的移動時間做等加速度與等速度,則等加速度 為(A)23.5(B)235(C)78.4(D)784 cm/sec
2
。
47. 有一單桿雙動氣壓缸在摩擦係數為 0.2 的水平面移動 50kgf 的物體,移動的距離為 200mm,移動時間為 1 秒, 每分鐘做 15 次循環,工作壓力為 6 kgf/cm
2
。若以 30﹪與 70﹪的移動時間做等加速度與等速度。設負荷率為 50﹪,則氣壓缸出力應為(A)10(B)14.9(C)29.8(D)50 kgf。
48. 有一單桿雙動氣壓缸在摩擦係數為 0.2 的水平面移動 50kgf 的物體,移動的距離為 200mm,移動時間為 1 秒, 每分鐘做 15 次循環,工作壓力為 6 kgf/cm
2
。若以 30﹪與 70﹪的移動時間做等加速度與等速度。設負荷率為 50﹪,不考慮氣壓缸的出力效率,則應選用的氣壓缸活塞直徑為(A)20(B)25(C)30 或 32(D)40 mm。
49. 有一單桿雙動氣壓缸在摩擦係數為 0.2 的水平面移動 50kgf 的物體,移動的距離為 200mm,移動時間為 1 秒, 每分鐘做 15 次循環,工作壓力為 6 kgf/cm
2
。若以 30﹪與 70﹪的移動時間做等加速度與等速度。設負荷率為 50﹪,不考慮氣壓缸的出力效率,則其空氣消耗量為(忽略活塞桿的面積)(A)31.3(B)41.3(C)51.3(D)61.3 N
/ min。
50. 有一單桿雙動氣壓缸在摩擦係數為 0.2 的水平面移動 50kgf 的物體,移動的距離為 200mm,移動時間為 1 秒, 每分鐘做 15 次循環,工作壓力為 6 kgf/cm
2
。若以 30﹪與 70﹪的移動時間做等加速度與等速度。設負荷率為 50﹪,不考慮氣壓缸的出力效率,則接至氣壓缸的配管瞬間流量為(A)0.244(B)2.44(C)24.4(D)244 N
/min。
51. 有一單桿雙動液壓缸之活塞直徑 160mm,推力要求 5000kgf,活塞速度須為 3.8m/min,泵之全效率是 80﹪。 不考慮泵至液壓缸的壓力損失,則動力單元中的溢流閥所需設定的壓力要(A)15(B)25(C)35(D)45 kgf/cm
2
才足夠。
52. 有一單桿雙動液壓缸之活塞直徑 160mm,推力要求 5000kgf,活塞速度須為 3.8m/min,泵之全效率是 80﹪。 若泵至液壓缸的壓力損失為 10 kgf/cm
2
,則動力單元中的溢流閥所需設定的壓力要(A)15(B)25(C)35(D)45 kgf/c m
2
。
53. 有一單桿雙動液壓缸之活塞直徑 160mm,推力要求 5000kgf,活塞速度須為 3.8m/min,泵之全效率是 80﹪。 不考慮系統內外漏,則泵所送出的流量為(A)57(B)62(C)77(D)97 N /min 才足夠。
54. 有一單桿雙動液壓缸之活塞直徑 160mm,推力要求 5000kgf,活塞速度須為 3.8m/min,泵之全效率是 80﹪。 不考慮系統內外漏,但壓力損失為 15 kgf/cm2,則驅動泵的動力須為(A)3.1(B)3.9(C)5(D)6.3 KW 才足夠。
55. 液壓系統中若使用的液壓油黏度過高,會造成(A)增加內外漏的現象(B)泵的容積效率明顯升高(C)油溫上升(D)壓 力難以保持。
56. 液壓系統中若使用的液壓油黏度過低,會造成(A)機械效率降低(B)增加內外漏的現象(C)油溫上升(D)增加壓力損 失。
57. 液壓缸活塞面積 A 為 40cm
2
,垂直向上安裝,作用在活塞桿上之軸向負荷 F 為 1200kgf,進油量 Q=12 L/min, 則作用在 A 上之工作壓力 P 為(A)30(B)40(C)50(D)60 kgf/cm
2
。
58. 液壓缸活塞面積 A 為 40cm
2
,作用在活塞桿上之軸向負荷 F 為 1200kgf,進油量 Q=12 L/min,則活塞之前進 速度為(A)300(B)400(C)500(D)600 cm/min。
59. 一液壓系統,小活塞面積為 4cm
2
且受力 10kgf。大活塞面積為 20cm
2
,則大活塞上的受力為(A)50(B)80(C)100(D) 21 200 kgf。
60. 彈簧預載之單動氣壓缸直徑為 2cm 且行程 2cm。返回彈簧有 4 kgf/cm 的彈簧係數。使用的氣體壓力是 20 kgf /cm
2
。當氣壓缸於行程結束端提供給負荷的力量是(A)54.8(B)62.8(C)109.6(D)125.6 kgf。
61. 油壓馬達容量為 50 毫升/轉,速率為 1500 轉/分且壓降為 200 巴。使用容積效率 92%及機械效率 95%,則油 實際流入馬達之流率為(A)75(B)78.95(C)81.52(D)85.81 LPM。
62. 油壓馬達容量為 50 毫升/轉,速率為 1500 轉/分且壓降為 200 巴。輸入壓力 180 kgf/cm
2
,使用容積效率 92% 及機械效率 95%,則馬達實際產生的扭矩為(A)151.2(B)302.4(C)604.8(D)1209.6 N-m。
63. 如下圖純氣壓迴路,閥件 A 作為系統(A)單一或連續不同模式選擇(B)啟動系統運轉(C)緊急停止(D)停止系統運 轉 之功能操作用。
64. 如下圖純氣壓迴路,閥件 B 作為系統(A)單一或連續不同模式選擇(B)啟動系統運轉(C)緊急停止(D)停止系統運 轉 之功能操作用。
65. 如下圖純氣壓迴路,閥件 C 作為系統(A)單一或連續不同模式選擇(B)啟動系統運轉(C)緊急停止(D)停止系統運 轉 之功能操作用。
66. 如下圖純氣壓迴路,閥件 D 作為系統(A)單一或連續不同模式選擇(B)啟動系統運轉(C)緊急停止(D)停止系統運 轉 之功能操作用。
67. 如下圖純氣壓迴路在系統啟動後,僅切換閥件 C 系統會有(A)單一或連續不同模式互切有效(B)單一或連續不 同模式互切無效(C)單一切換有效、連續切換無效(D)單一切換無效、連續切換有效 之運轉功能。
68. 如下圖純氣壓迴路在系統啟動後,僅切換閥件 C 系統會有(A)單一或連續不同模式互切有效(B)單一或連續不 同模式互切無效(C)單一切換有效、連續切換無效(D)單一切換無效、連續切換有效 之循環運轉功能。
69. 如下圖為氣壓缸垂直向下驅動負載,以(A)FA:前法蘭型(B)FB:後法蘭型(C)FC:前法蘭加強型(D)FD:後法蘭 加強型 之安裝方式最符合機械安全又簡單的目的。
70. 如下圖為氣壓缸垂直向上驅動負載,以(A)CA:單山型(B)LB:軸向腳座型(C)FC:前法蘭加強型(D)FD:後法蘭 加強型 之安裝方式最符合機械安全又簡單的目的。
71. 如下圖為氣壓缸水平方向驅動負載,以(A)CB:雙吊耳型(B)FB:後法蘭型(C)LB:軸向腳座型(D)TB:後耳軸型 之安裝方式最符合機械安全又簡單的目的。
72. 如下圖為工件翻轉 90 度之機構,使用氣壓缸驅動之,以(A)CA:單山型(B)FA:前法蘭型(C)LB:腳座型(D)TA: 前耳軸型 之安裝方式最符合機械安全又簡單的目的。
73. 如下圖為負載搖擺機構,使用氣壓缸驅動之,以(A)CA:單山型(B)FA:前法蘭型(C)LB:腳座型(D)TA:前耳軸 型 之安裝方式最節省空間又符合機械安全的目的。
74.
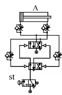
如左圖為(A)釋壓(B)變速(C)平衡(D)鎖固 迴路。
75.
如左圖為(A)釋壓(B)平衡(C)變速(D)鎖固 迴路。
76.
如左圖迴路,試問與下列何者迴路有相同之控制功能?(A)
(B)
(C)
(D)
。
77. 如左圖為(A)釋壓(B)變速(C)平衡(D)鎖固 迴路。
78.
如左圖為(A)鎖固(B)釋壓(C)變速(D)平衡 迴路。
79.
如左圖迴路,試問與下列何者迴路有相同之控制功能?(A)
(B)
(C)
(D)
。
80. 如下圖為氣壓缸(
ψ
50×20×200)之平衡迴路,若氣源壓力 P
1
=5 kgf/cm
2
、負載 W=50kgf,則 P
2
壓力為(A)1.29(B)1. 65(C)2.0(D)2.92 kgf/cm
2
可以使負載物停止於任意位置。
81. 如下圖為氣壓缸(ψ50×20×200)之平衡迴路,若氣源壓力 P
1
=5kgf/cm
2
、負載 W=50kgf,則 P
2
壓力為(A)1.29(B)1.6 5(C)2.0(D)2.92 kgf/cm
2
可以使負載物停止於任意位置。
82. 如下圖為氣壓缸(
ψ
63×20×200)之平衡迴路,若氣源壓力 P
1
=5kgf/cm
2
、負載 W=100kgf,則 P
2
壓力為(A)1.29(B)1. 65(C)2.0(D)2.92 kgf/cm
2
可以使負載物停止於任意位置。
83. 如下圖為氣壓缸(
ψ
63×20×200)之平衡迴路,若氣源壓力 P
1
=5kgf/cm
2
、負載 W=100kgf,則 P
2
壓力為(A)1.29(B)1. 65(C)2.0(D)2.92 kgf/cm
2
可以使負載物停止於任意位置。
84. 如下圖為高鐵車站某一部乘客使用之油壓電梯的機械結構圖,其電梯箱重量 W
1
=1000kgf、移動距離 S=6m、 平均移動時間 t=10sec、承載重量 W
2
=1625kgf;若忽略機械摩擦因素,則平衡電梯箱之配重塊重量需為(A)500 (B)1000(C)1500(D)2000 kgf。
85. 如下圖為高鐵車站某一部乘客使用之油壓電梯的機械結構圖,其電梯箱重量 W
1
=1000kgf、移動距離 S=6m、 移動時間 t=10sec、承載重量 W
2
=1625kgf,則油壓缸的平均移動速度為(A)30(B)40(C)50(D)60 cm/sec。
86. 如圖為高鐵車站某一部乘客使用之油壓電梯的機械結構圖,其電梯箱重量 W
1
=1000kgf、移動距離 S=6m、平 均移動時間 t=10sec、承載重量 W
2
=1625kgf;若忽略機械摩擦因素、供給壓油之壓力 P=58.5kgf/cm
2
、油壓缸 之桿徑為缸徑 0.4 倍、出力取 1.8 倍安全裕量,則驅動承載重量之油壓缸的缸徑為(A)100(B)125(C)140(D)150 m m 以上才有足夠之驅動力。
87. 如下圖為高鐵車站某一部乘客使用之油壓電梯的機械結構圖,其電梯箱重量 W1=1000kgf、移動距離 S=6m、 平均移動時間 t=10sec、承載重量 W
2
=1625kgf;若忽略機械摩擦因素、供給壓油之壓力 P=58.5kgf/cm
2
、油壓 缸之桿徑為缸徑 0.4 倍、出力取 1.8 倍安全裕量、油壓缸之負載效率為 0.9,則驅動承載重量之油壓缸的缸徑 為(A)100(B)125(C)140(D)150 mm 以上才有足夠之驅動力。
88. 如下圖為高鐵車站某一部乘客使用之油壓電梯的機械結構圖,其電梯箱重量 W
1
=1000kgf、移動距離 S=6m、 平均移動時間 t=10sec、承載重量 W
2
=1625kgf;若油壓缸之規格為
ψ
140×60,容積效率 1.0,則供給油壓缸的 流量 Q 為(A)277(B)292(C)307(D)322
/min 即足夠。
89. 如下圖為高鐵車站某一部乘客使用之油壓電梯的機械結構圖,其電梯箱重量 W
1
=1000kgf、移動距離 S=6m、 平均移動時間 t=10sec、承載重量 W
2
=1625kgf,若油壓缸之規格為 ψ140×60、容積效率 0.95,則供給油壓缸 的流量 Q 為(A)277(B)292(C)307(D)322
/min 即足夠。
90. 如下圖為高鐵車站某一部乘客使用之油壓電梯的機械結構圖,其電梯箱重量 W
1
=1000kgf、移動距離 S=6m、 平均移動時間 t=10sec、承載重量 W
2
=1625kgf,若忽略機械摩擦因素、油壓缸之規格為
ψ
125×50、供給壓油 之壓力 P=58.5kgf/cm
2
,則供給本系統使用之功率約為(A)15(B)18(C)21(D)25 kw 以上才足夠。
91. 如下圖為高鐵車站某一部乘客使用之油壓電梯的機械結構圖,其電梯箱重量 W1=1000kgf、移動距離 S=6m、 27 平均移動時間 t=10sec、承載重量 W
2
=1625kgf,若忽略機械摩擦因素、油壓缸之規格為
ψ
125×50、供給壓油 之壓力 P=58.5kgf/cm
2
、系統全效率ηt =0.85,則供給本系統使用之功率約為(A)15(B)18(C)21(D)25 kw 以上才足 夠。
92. 如下圖為自動鑽床的油壓迴路圖,在迴路圖中共有 4 個止回閥(A、B、C、D 四處),則 A 的順向開啟壓力(cr acking pressure)約為(A)0.3~0.5(B)3.5~5(C)8~10(D)20~30 kgf/cm
2
才能使迴路正常運作又可節省能源消耗。
93. 如下圖為自動鑽床的油壓迴路圖,在迴路圖中共有 4 個止回閥(A、B、C、D 四處),則 C 的順向開啟壓力(cr acking pressure)約為(A)0.3~0.5(B)3.5~5(C)8~10(D)20~30 kgf/cm
2
才能使迴路正常運作又可節省能源消耗。
94. 如下圖為自動鑽床的油壓迴路圖,在迴路圖中共有 4 個止回閥(A、B、C、D 四處),則 B 的順向開啟壓力(cr acking pressure)約為(A)0.3~0.5(B)3.5~5(C)8~10(D)20~30 kgf/cm
2
才能使迴路正常運作又可節省能源消耗。
95. 如下圖為自動鑽床的油壓迴路圖,在迴路圖中共有 4 個止回閥(A、B、C、D 四處),則 D 的順向開啟壓力(cr 28 acking pressure)約為(A)0.3~0.5(B)3.5~5(C)8~10(D)20~30 kgf/cm
2
才能使迴路正常運作又可節省能源消耗。
96. 下列元件在正負壓力下,皆可正常操作者為(A)
(B)
(C)
(D)
。
97. 下列迴路之引導壓力,何者必為外部引導型?(A)順序(B)卸載(C)減壓(D)抗衡 迴路。
98. 油壓馬達每轉容量 50 cc/rev、轉速:1000 rpm、壓降:120kgf/cm
2
、馬達的機械效率η
m
=0.96、容積效率η
v
=0. 92,馬達實際輸出扭矩 T 約(A)82(B)86(C)90(D)94 N-m。
99. 油壓馬達每轉容量 50 cc/rev、轉速:800 rpm、壓降:80kgf/cm
2
、馬達的機械效率 η
m
=0.92、容積效率η
v
=0.96, 馬達實際輸出扭矩 T 約(A)52(B)57(C)62(D)67 N-m。
100. 油壓馬達每轉容量 50 cc/rev、轉速:1000 rpm、壓降:120kgf/cm
2
、馬達的機械效率 η
m
=0.96、容積效率 η
v
=0. 92,馬達實際輸出功率 Pr 約(A)8.6(B)9.0(C)9.4(D)9.8 kW。
申論題 (0)
相關試卷
114年 - 17000 機電整合 乙級 工作項目 08:維修 1-68(2025/12/26 更新)#135806
114年 · #135806
114年 - 17000 機電整合 乙級 工作項目 07:試車與調整 1-65(2025/12/26 更新)#135805
114年 · #135805
114年 - 17000 機電整合 乙級 工作項目 06:控制器的使用 51-118(2025/12/26 更新)#135804
114年 · #135804
114年 - 17000 機電整合 乙級 工作項目 06:控制器的使用 1-50(2025/12/26 更新)#135803
114年 · #135803
114年 - 17000 機電整合 乙級 工作項目 05:電動機選用 101-141(2025/12/26 更新)#135802
114年 · #135802
114年 - 17000 機電整合 乙級 工作項目 05:電動機選用 51-100(2025/12/26 更新)#135801
114年 · #135801
114年 - 17000 機電整合 乙級 工作項目 05:電動機選用 1-50(2025/12/26 更新)#135800
114年 · #135800
114年 - 17000 機電整合 乙級 工作項目 04:電控、感測、轉換元件認識 51-98(2025/12/26 更新)#135799
114年 · #135799
114年 - 17000 機電整合 乙級 工作項目 04:電控、感測、轉換元件認識 1-50(2025/12/26 更新)#135798
114年 · #135798
114年 - 17000 機電整合 乙級 工作項目 03:氣壓、油壓系統、迴路設計 151-177(2025/12/26 更新)#135797
114年 · #135797