阿摩線上測驗
登入
首頁
>
技檢◆機電整合-乙級
> 105年 - 17000 機電整合 乙級 工作項目 04:電控、感測、轉換元件認#41010
105年 - 17000 機電整合 乙級 工作項目 04:電控、感測、轉換元件認#41010
科目:
技檢◆機電整合-乙級 |
年份:
105年 |
選擇題數:
95 |
申論題數:
0
試卷資訊
所屬科目:
技檢◆機電整合-乙級
選擇題 (95)
1. 確認塗料是否噴出,宜使用(A)透過型(B)反射型(C)電容型(D)影像識別 感測器。
2. 下列感測器何者是將力量信號轉換為電氣訊號?(A)應變規(B)LVDT(C)熱電偶(D)壓力規。
3. 下列感測器何者是將位移信號轉換為電氣訊號?(A)應變規(B)LVDT(C)熱電偶(D)壓力規。
4. LVDT 是一種(A)位移(B)速度(C)溫度(D)壓力 感測器。
5. 電位計是一種(A)位移(B)速度(C)溫度(D)壓力 感測器。
6. 共陰極七段顯示器一般使用何種 TTL IC 解碼?(A)7447(B)7448(C)7449(D)8051。
7. 共陽極七段顯示器一般使用何種 TTL IC 解碼?(A)7447(B)7448(C)7449(D)8051。
8. 使用 DC24V 電源時,要供應 TTL IC 解碼七段顯示器電源,應加裝何種穩壓器?(A)7447(B)7448(C)7805(D)7812。
9. 共陰極七段顯示器使用 7448 解碼輸入端為 1100,則七段顯示器顯示數字為(A)1(B)2(C)3(D)4。
10. 共陰極七段顯示器使用 7448 解碼輸入端為 1110,則七段顯示器顯示數字為(A)1(B)2(C)3(D)4。
11. 共陽極七段顯示器使用 7447 解碼輸入端為 0010,則七段顯示器顯示數字為(A)1(B)2(C)3(D)4。
12. 共陽極七段顯示器使用 7447 解碼輸入端為 0100,則七段顯示器顯示數字為(A)1(B)2(C)3(D)4。
13. 8255 晶片有(A)1 個(B)2 個(C)3 個(D)4 個 I/O 埠。
14. 下圖所示橋式整流電路,其中何者方向錯誤?(A)D1(B)D2(C)D3(D)D4。
15. 當以個人電腦直接擷取類比式感測器所量得之電氣訊號,需要(A)RS232(B)8255(C)DAC(D)ADC 介面。
16. 一個八位元的 ADC,其輸入電壓的範圍為±5 伏特,則其解析度(resolution)為(A)5/255(B)10/255(C)10/8(D)5/8 伏 特。
17. 12bit 的 A/D 轉換器若輸入電壓 10V,感測到的電壓 3.2V,數位值為(A)132(B)312(C)730(D)1310。
18. LED 的發光度(A)與順向電流成正比(B)與順向電流成反比(C)與逆向電壓成正比(D)與逆向電壓成反比。
19. 直流電源 24V 欲降低電壓成為 10V 供應 ADC 使用,適當的方法是(A)串聯電阻(B)並聯電阻(C)串聯電阻及電容 (D)使用 DC-DC 轉換器。
20. 應變計(strain gauge)可檢測(A)頻率(B)力量(C)轉速(D)速度 之變化。
21. 電位計是一種將何種現象轉換為電氣訊號輸出的裝置?(A)磁場變化(B)光度強弱(C)溫度高低(D)位置改變。
22. 近接開關是一種(A)位置(B)時間(C)壓力(D)扭矩 感測器。
23.
左圖之轉換是應用布林代數之(A)交換律(B)結合律(C)分配律(D)狄摩根定律。
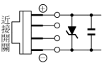
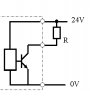
24. 三線式 NPN 型感測器用來驅動繼電器 R,下列接線何者正確?(A)
(B)
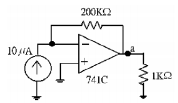
(C)
(D)
。
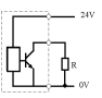
25. 三線式 PNP 型感測器用來驅動繼電器 R,下列接線何者正確?(A)
(B)
(C)
D)
。
26. 以應變規(strain gauge)測量工件拉力時,下列各圖之黏貼方式何者正確?(箭頭表示拉力方向)(A)
(B)
(C)
(D)
。
27. %RH 是代表何種物理量?(A)比重(B)比熱(C)相對溼度(D)絕對溼度。
28. 下列何種元件具有光隔離的效果?(A)SCR(B)SSR(C)TRIAC(D)DIAC。
29. 斷電延遲型計時器,其動作方式為(A)延時動作,瞬時復歸(B)瞬時動作,延時復歸(C)延時動作,延時復歸(D)瞬 時動作,瞬時復歸。
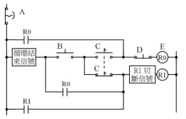
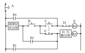
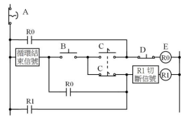
30. 氣壓缸中所謂 ISO 規格,是指(A)氣壓缸的出力(B)內部缸體的結構(C)外型尺寸(D)材料的規定。
31. 3/2 位閥在迴路控制中主要用途是(A)引導(B)開關(C)自保(D)記憶用。
32. 下圖為(A)變壓器(B)單刀雙擲開關(C)繼電器(D)電感器 之符號。
33. 若有一熱敏電阻的電阻與溫度關係為 RT=50+5T,其中 RT 為熱敏電阻的電阻值(單位 Ω),T 為溫度(單 位℃)。下圖中,若 Vo 電壓為 3 伏特,此時溫度應為(A)20(B)30(C)40(D)50 ℃。
34. 一般增量式旋轉編碼器有兩個相差 90 度之輸出訊號(A 相與 B 相),若各相輸出為方波訊號且每轉脈波數 為 1000(即 1000 pulse/rev),則經由解碼器後可得到之最佳解析度為(A)0.72°(B)0.36°(C)0.18°(D)0.09°。
35. 光學編碼器之那一相通常做為機械零點偵測用?(A)A(B)B(C)C 或 Z(D)A+B。
36. 光學編碼器之方向判別使用(A)A(B)B(C)C(D)A+B 相。
37. 光學編碼器之那幾相通常做為四倍頻計算用?(A)A(B)B(C)C(D)A+B。
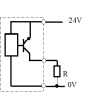
38. 有關固態繼電器 SSR(Solid State Relay)之敘述,下列何者不正確?(A)與繼電器一樣具機械式接點(B)具低電壓 驅動特性(C)使用壽命較繼電器長(D)具有訊號隔離功能。
39. 有關固態繼電器 SSR(Solid State Relay)之敘述,下列何者不正確?(A)為無機械接點元件(B)具低電壓驅動特性 (C)只適合控制直流負載(D)能控制交直流負載。
40. 下列有關光學編碼器之敘述何者不正確?(A)為常用之數位式感測元件(B)絕對式編碼器不受斷電影響感測(C) 編碼器之 A 相通常做為機械零點設定用(D)使用四倍頻可提升感測解析度。
41. 下列有關運算放大器的特性敘述何者不正確?(A)具高輸入阻抗(B)具低輸出阻抗(C)具有高增益的差動放大器 (D)電壓增益一定大於 1。
42. 光學編碼器之 AB 相通常相差(A)30(B)90(C)180(D)360 度。
43. 電位計的構造是採用(A)可變電阻(B)可變電容(C)可變電感(D)電晶體 原理設計的。
44. 下列何者不是理想放大器的特性?(A)電壓增益很大(B)輸入阻抗很大(C)輸出阻抗很小(D)CMRR 很小。
45. 下圖中,運算放大器的輸出點(a 點)的電壓應為(A)-0.01(B)0.01(C)-2(D)2 伏特。
46. 下列元件何者常做為控制器輸入訊號之電氣隔離用?(A)二極體(B)電晶體(C)電容器(D)光耦合器。
47. 下列元件何者常做為控制器之訊號輸出用?(A)二極體(B)電晶體(C)電容器(D)電感器。
48. 有一感測器的規格表說明它可以量測空氣壓力的範圍為-0.8kgf/cm
2
到 9.2kgf/cm
2
之間,感測器有 0.1 kgf/cm
2
的解析度,+/-0.3 kgf/cm
2
的現重率,+/-0.5 kgf/cm
2
的線性度。感測器的感測幅度為(A)10(B)9.2(C)8.4(D)5 kgf/cm
2
。
49. 有一感測器的規格表說明它可以量測空氣壓力的範圍為-0.8kgf/cm
2
到 9.2kgf/cm
2
之間,感測器有 0.1 gf/cm
2
的 解析度,+/-0.3 kgf/cm
2
的重現率,+/-0.5 kgf/cm
2
的線性度。若量測的壓力是 6kgf/cm
2
,則實際的壓力範圍是(A) 4.2~5.8(B)5.2~6.8(C)5.7~6.3(D)5.9~6.1 kgf/cm
2
。
50. 有一感測器的規格表說明它可以量測空氣壓力的範圍為-0.8kgf/cm
2
到 9.2kgf/cm
2
之間,感測器有 0.1 gf/cm
2
的 解析度,+/-0.3 kgf/cm
2
的重現率,+/-0.5 kgf/cm
2
的線性度。若不考慮線性度誤差時,對於 6kgf/cm
2
的輸入壓力, 可能的感測器輸出值範圍是(A)4.2~5.8(B)5.5~6.5(C)5.7~6.3(D)5.9~6.1 kgf/cm
2
。
51. 有關壓接端子之壓接處理,下列何者敘述正確?(A)一個端子可壓接三條以上的導線(B)可以用電工鉗來壓接(C) 用適合的壓接端子(D)端子的壓接面具有方向性。
52. 下列何者不是一般視覺系統常見的用途?(A)零件識別時,對色彩的辨識(B)零件運動速度或方向之判定(C)零件 識別時,對內部材質的分析(D)零件尺寸之檢測。
53. A/D 變換的解析度為 4000 時,+10V~-10V 類比電壓的最小解析度為(A)1(B)2.5(C)5(D)10 mV。
54. 9PinRS-232C 接頭的第 2 腳功能為何?(A)SD(B)RD(C)SG(D)FG。
55. RS-232C 的有效通訊距離為(A)15(B)50(C)150(D)200 公尺以內。
56. RS232 通訊協定"9600,E,7,1"所代表的意義是(A)通訊速率 9600bps,奇數同位位元,7 個資料位元,1 個停止位 元(B)通訊速率 9600bps,奇數同位位元,7 個停止位元,1 個資料位元(C)通訊速率 9600bps,偶數同位位元,7 個停止位元,1 個資料位元(D)通訊速率 9600bps,偶數同位位元,7 個資料位元,1 個停止位元。
57. 一般增量式旋轉編碼器(Rotary encoder )A 相與 B 相差 1/4 週期,主要目的是偵測馬達軸旋轉(A)轉數(B)方向(C) 速度(D)扭力。
58. 有一測溫用電阻體 pt-1000,在攝氏溫度 0℃時,其歐姆值為(A)0(B)50(C)100(D)1000。
59. 對一般型繼電器標示有線圈(Coil):DC24V、1.2W,接點(Contactor):5A,下列敘述何者最正確?(A)通 過接點的額定電壓為直流 24V(B)通過線圈的額定電流為 5A(C)通過接點的額定電流為交流或直流電 5A(D)通過 接點的額定電流為交流或直流電 1.2A。
60. 對一般型繼電器標示有線圈(Coil):DC24V、1.2W,接點(Contactor):5A,下列敘述何者有誤?(A)通過 接點的額定電壓為直流 24V(B)通過線圈的額定功率為 1.2W(C)通過接點的額定電流為交流或直流電 5A(D)通過 接點的電壓為交流或直流電 110V。
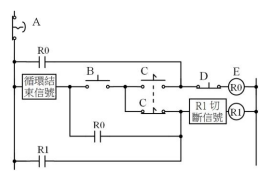
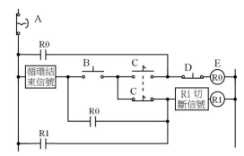
61. 如下圖電氣控制迴路,元件 A 作為系統(A)單一或連續不同模式選擇(B)啟動運轉(C)緊急停止(D)停止運轉 之 功能操作用。
62. 如下圖電氣控制迴路,元件 B 作為系統(A)單一或連續不同模式選擇(B)啟動運轉(C)緊急停止(D)停止運轉 之 功能操作用。
63. 如下圖電氣控制迴路,元件 C 作為系統(A)單一或連續不同模式選擇(B)啟動運轉(C)緊急停止(D)停止運轉 之 功能操作用。
64. 如下圖電氣控制壓迴路,元件 D 作為系統(A)單一或連續不同模式選擇(B)啟動運轉(C)緊急停止(D)停止運轉 之 功能操作用。
65. 如下圖電氣控制迴路在系統啟動後,僅切換元件 C 系統會有(A)單一或連續不同循環模式互切有效(B)單一或 連續不同循環模式互切無效(C)單一循環切換連續循環有效、連續循環切換單一循環無效(D)單一循環切換連續 循環無效、連續循環切換單一循環有效 之運轉功能。
66. 鏡面體光澤除去法(MSR)是配合(A)透過(B)擴散反射(C)迴歸反射(D)距離設定 型之光電開關使用。
67. 有關近接開關的描述,下列何者正確?(A)非隔離型近接開關之磁束集中在開關前端(B)檢測物體進入近接開關 動作區內,開關立即感應輸出,不延遲(C)近接開關對檢測物體的大小、形狀、材質幾乎不受限制(D)應答頻率 42 愈大,表示近接開關可檢測的 ON/OFF 反應愈快。
68. 有關近接開關的描述,下列何者錯誤?(A)檢測物由遠方緩慢靠近,當近接開關產生動作時,從開關前端面至 檢測物的距離稱為檢測距離(B)開關動作後檢測物緩慢遠離開關,當開關復歸時,從開關前端面至檢測物的距 離稱為復歸距離(C)一般近接開關檢測物件設定的距離,係以檢測距離之 70~80%為設定原則(D)一般近接開關 的檢測距離較復歸距離為長。
69. 近接開關要長時間排除有關突波的問題,下列接線圖何者正確?(A)
(B)
(C)
(D)
。
複選題
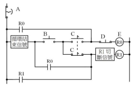
70. 如下圖所示,各元件之名稱,下列敘述哪些正確?(A)A 為緊急停止(B)B 為停止(C)C 為運轉模式切換(D)D 為啟 動 元件。
複選題
71. 如下圖所示,各元件之名稱,下列敘述哪些正確?(A)A 為運轉模式切換(B)B 為啟動(C)C 為緊急停止(D)D 為停 止 元件。
複選題
72. 如下圖所示,各元件之名稱,下列敘述哪些正確?(A)A 為緊急停止(B)B 為啟動(C)C 為停止(D)E 為連續循環保 持 元件。
複選題
73. 如下圖所示,各元件之名稱,下列敘述哪些正確?(A)A 為緊急停止(B)B 為運轉模式切換(C)C 為啟動(D)D 為一 般正常停止 用。
複選題
74. 如下圖所示,各閥件之功能,下列敘述哪些正確?(A)A 為一般正常停止(B)B 為啟動(C)C 為運轉模式切換(D)D 為緊急停止 用。
複選題
75. 如下圖所示,各元件之功能,下列敘述哪些正確?(A)A 為緊急停止(B)B 為啟動(C)C 為停止(D)E 為連續循環保 持 用。
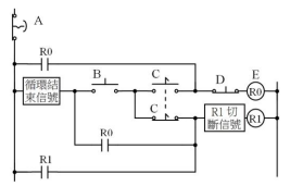
複選題
76. 如下圖所示,若按閥件 B 啟動後,在僅切換閥件 C 時,系統會有哪些功能,下列敘述是正確?(A)單一切換 至連續模式為動作中無效(B)連續切換至單一模式為動作中無效(C)單一切換連續有效、連續切換單一無效(D)單 一切換連續無效、連續切換單一有效。
複選題
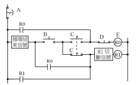
77. 有測溫用電阻體 pt100 與 pt1000,下列敘述哪些正確?(A)在攝氏溫度 0℃時,pt100 歐姆值約為 100(B)在攝氏 溫度 0℃時,pt1000 歐姆值約為 100(C)在攝氏溫度 100℃時, pt100 歐姆值大於 pt1000(D)在攝氏溫度 100℃時, pt100 歐姆值小於 pt1000。
複選題
78. 有測溫用電阻體 pt100 與 pt1000,下列敘述哪些正確?(A)在攝氏溫度 0℃時,pt100 歐姆值約為 100(B)在攝氏 溫度 0℃時,pt1000 歐姆值約為 1000(C)在攝氏溫度 100℃時,pt1000 歐姆值大於 pt100(D)在攝氏溫度 100℃時, pt1000 歐姆值小於 pt100。
複選題
79. 下列哪些元件屬接觸式感測器?(A)光遮斷器(B)電感式開關(C)微動開關(D)應變計。
複選題
80. 下列哪些元件屬非接觸式感測器?(A)光電式開關(B)電感式開關(C)微動開關(D)電容式開關。
複選題
81. 對一般型繼電器標示為線圈(Coil):DC24V、1.2W,接點(Contactor):5A,下列敘述哪些正確?(A)通過 接點的額定電壓為直流 24V(B)通過線圈的額定功率為 1.2W(C)通過接點的額定電流為交流或直流電 5A(D)通過 接點的電壓限定為直流電 24V。
複選題
82. 對一般型繼電器標示為線圈(Coil):DC24V、1.2W,接點(Contactor):5A,下列敘述哪些錯誤?(A)通過 44 接點的額定電壓為直流 24V(B)通過線圈的額定電流為 5A(C)通過接點的額定電流為交流或直流電 5A(D)通過接 點的額定電流為交流或直流電 1.2A。
複選題
83. 有關 ON-Delay Timer 的特性敘述,下列敘述哪些錯誤?(A)a 接點在線圈通電時延時閉合,線圈斷電時瞬時打 開(B)a 接點在線圈通電時延時閉合,線圈斷電時延時打開(C)a 接點在線圈通電時瞬時閉合,線圈斷電時延時 打開(D)a 接點在線圈通電時瞬時閉合,線圈斷電時瞬時打開。
複選題
84. 有關 OFF-Delay Timer 的特性敘述,下列敘述哪些錯誤?(A)a 接點在線圈通電時延時閉合,線圈斷電時瞬時打 開(B)a 接點在線圈通電時延時閉合,線圈斷電時延時打開(C)a 接點在線圈通電時瞬時閉合,線圈斷電時延時 打開(D)a 接點在線圈通電時瞬時閉合,線圈斷電時瞬時打開。
複選題
85. 下列元件符號哪些正確?(A)元件
表示電氣 a 接點亦即常開接點符號(B)元件
表示電氣 b 接點亦即常 閉接點符號(C)元件
表示 OFF 延遲型計時器的 b 接點(D)元件
表示 OFF 延遲型計時器的 a 接點。
複選題
86. 下列元件符號哪些正確?(A)元件
表示電氣 a 接點亦即常開接點符號(B)元件
表示電氣 b 接點亦即常 閉接點符號(C)元件
表示 ON 延遲型計時器的 b 接點(D)元件
表示 ON 延遲型計時器的 a 接點。
複選題
87. 有關感測器之敘述,下列哪些正確?(A)壓力開關是一種將電氣信號轉換為壓力的介面元件(B)壓力開關之符號 為
(C)電感式感測器一般用於金屬類物體感測(D)靜電容式感測器可用於非金屬類物體感測。
複選題
88. 有關感測器之敘述,下列哪些正確?(A)壓力開關是一種將壓力轉換為電氣信號的介面元件(B)扭力開關之符號 為
(C)電感式感測開關一般用於金屬類物體感測(D)靜電容式感測開關可用於辨別金屬與非金屬類物 體。
複選題
89. 使用繼電器時,下列敘述哪些正確?(A)直流繼電器之線圈只能用直流電(B)交流繼電器之線圈只能用交流電(C) 直流繼電器之接點可使用於交直流電(D)交流繼電器之接點可使用於交直流電。
複選題
90. 使用繼電器時,下列敘述哪些正確?(A)直流繼電器之線圈只能用直流電(B)交流繼電器之線圈只能用交流電(C) 直流繼電器之接點只能用於直流電(D)交流繼電器之接點可使用於交直流電。
複選題
91. 伺服馬達驅動之平台定位控制通常會加裝之感測器為(A)減速機(B)旋轉編碼器(C)加速器(D)光學尺。
複選題
92. 有關電阻器,下列敘述哪些正確?(A)NTC 熱敏電阻器之電阻值與溫度高低成正比(B)光敏電阻器之電阻值與 入射光線強弱成正比(C)CdS 為光敏電阻的一種(D)當光照度越高時,CdS 內阻越低。
複選題
93. 有關溫度感測器,下列敘述哪些正確?(A)正溫度係數熱敏電阻元件,當溫度升高時,電阻值會增加(B)熱電偶 是利用席貝克(seebeck)效應製成的(C)熱電偶冷接點可以省略不接(D)PT100 為溫度感測元件,100℃時電阻為 1 00 歐姆。
複選題
94. 有關感測開關,下列敘述哪些正確?(A)電感式近接開關之感測距離和待測物大小有關(B)電容式近接開關之感 測距離和待測物材質有關(C)開集極 NPN 電晶體電路可做為光電開關之輸出界面(D)反射式光電開關之感應距 離和待測物顏色無關。
複選題
95. 如下圖所示,在按閥件 B 啟動後,若僅切換閥件 C,系統會有下列哪些功能敘述是正確?(A)連續模式切換為 單一模式無效(B)連續模式切換為單一模式有效(C)單一模式切換為連續模式無效(D)單一模式切換為連續模式 有效。
申論題 (0)
相關試卷
114年 - 17000 機電整合 乙級 工作項目 08:維修 1-68(2025/12/26 更新)#135806
114年 · #135806
114年 - 17000 機電整合 乙級 工作項目 07:試車與調整 1-65(2025/12/26 更新)#135805
114年 · #135805
114年 - 17000 機電整合 乙級 工作項目 06:控制器的使用 51-118(2025/12/26 更新)#135804
114年 · #135804
114年 - 17000 機電整合 乙級 工作項目 06:控制器的使用 1-50(2025/12/26 更新)#135803
114年 · #135803
114年 - 17000 機電整合 乙級 工作項目 05:電動機選用 101-141(2025/12/26 更新)#135802
114年 · #135802
114年 - 17000 機電整合 乙級 工作項目 05:電動機選用 51-100(2025/12/26 更新)#135801
114年 · #135801
114年 - 17000 機電整合 乙級 工作項目 05:電動機選用 1-50(2025/12/26 更新)#135800
114年 · #135800
114年 - 17000 機電整合 乙級 工作項目 04:電控、感測、轉換元件認識 51-98(2025/12/26 更新)#135799
114年 · #135799
114年 - 17000 機電整合 乙級 工作項目 04:電控、感測、轉換元件認識 1-50(2025/12/26 更新)#135798
114年 · #135798
114年 - 17000 機電整合 乙級 工作項目 03:氣壓、油壓系統、迴路設計 151-177(2025/12/26 更新)#135797
114年 · #135797