所屬科目:專科學力鑑定◆專(一、二):電子學
3. 如圖(一)所示之電路,若E=12V,R=1kΩ,二極體D 之切入電壓Vt為0.7V,則二極體D 之消耗功率為何? (A) 3.20mW(B) 4.82mW (C) 5.62mW (D) 7.91mW
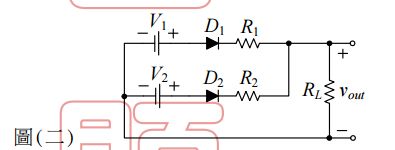
5. 如圖(二)所示之理想二極體電路,若V1=12V,V2=3V,R1=3.3kΩ,R2=2.2kΩ,RL=1.1kΩ, 則vout電壓為何? (A) 4V(B) 3.6V (C) 3V (D) 2.4V
6. 如圖(三)所示之理想二極體電路,若AC電源接於110Vrms市電,則Vout之電壓有效值為何? (A) 24V(B) 12V (C) 10.8V(D) 7.6V
10. 如圖(四)所示之理想二極體電路,vin=10sin ( 500 t),則此電路之特性曲線為何? (A) (B) (C) (D)
12. 如圖(五)所示之電路,齊納二極體之逆向崩潰電壓標示如圖,若VS = 12 V,RL = 120Ω, 則IL為何? (A) 22.5mA 圖(五) (B) 30.8mA (C) 37.5mA (D) 41.7mA
17. 如圖(六)所示之偏壓電路,VBB =3V,VCC =12V,RC =1.2 kΩ,β=200,欲調整RB使電路 得到最佳工作點,則RB約為何? (A) 92kΩ (B) 115kΩ (C) 133kΩ(D) 180kΩ
18. 如圖(七)所示之BJT電路,VBB = 3 V,VCC = 12 V,RB = 115 kΩ,RC = 2.7 kΩ,β = 200, 則IC =? (A) 3.2mA (B) 4.0mA (C) 5.0mA (D) 8.2mA
20. 如圖 ( 八 ) 所示之電路, V CC = 12 V, RB = 200 kΩ, RE = 1 kΩ, R C = 1.2 kΩ,β = 99, 切入電壓 VBE = 0.7 V,熱電壓 VT = 25 mV,則輸入阻抗 Zi為何? (A) 33kΩ(B) 67kΩ (C) 78kΩ (D) 98kΩ
24. 如圖(九)所示之電路,若JFET之gm =5mA/V,VDD =12V,RG =1MΩ,RS = 200Ω,則 輸出阻抗Zo約為何? (A) 100Ω(B) 160Ω (C) 180Ω (D) 200Ω
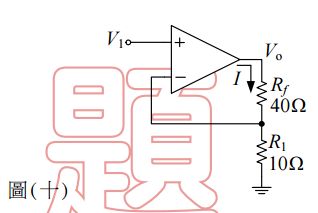
27. 如圖(十)所示之理想運算放大器電路,設V1=15mV,則輸出電流I 為多少mA? (A) 1.5(B) 2 (C) 2.5 (D) 3
28. 如圖(十一)所示之理想運算放大器電路,則Vo為多少V? (A) 0 (B) 0.2 (C) 0.4 (D) 1
29. 如圖(十二)所示之理想運算放大器電路,設V1=20mV,則電壓增益Av為何? (A) 5 (B) –5 (C) – 20 (D) – 50
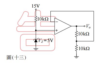
31. 如圖(十三)所示之理想運算放大器電路,其輸出電壓Vo之值為何? (A) 25V (B) 20V (C) 15V (D) 10V
32. 如圖 ( 十四 ) 所示理想運算放大器電路中,當輸入電壓 Vi為 – 2 V 時,則輸出電壓 Vo之值 為何? (A) –2V (B) 2V (C) – 12V (D) 0V
35. 如圖(十五)VCC =5V,則該電路為下列何種邏輯閘? (A) OR閘 (B) XOR閘 (C) AND閘 (D) NAND閘
36. 如圖(十六)所示之電路,A 和B 為輸入,F 為輸出,則此電路為下列何種邏輯閘? (A) OR閘 (B) NOR閘 (C) NAND閘 (D) AND閘
38. 如圖(十七)所示之電路,A、B為輸入,C、D為輸出,則此電路的功能為何? (A) 全減法器(B) 半減法器 (C) 全加法器 (D) 半加法器
39. 如圖(十八)所示,JK正反器經外部接線後變為下列何者正反器? (A) RS正反器 (B) D型正反器 (C) T型正反器 (D) JK正反器
42. 巴克豪生準則是放大器的增益 A 與回授衰減係數 β 的乘積即迴路增益 βA,必須為下列 何者條件才能振盪出正弦波? (A) βA= 1∠270 ° (B) βA= 1∠180 ° (C) βA= 1∠ 90 ° (D) βA= 1∠0 °
46. 如圖 ( 十九 ) 所示為 SCR 相位控制電路,假設 AC 交流電源之週期為 16 ms,若要使 SCR 觸發角在45°處觸發導通,則電阻R 應為何? (A) 200kΩ (B) 20kΩ (C) 200Ω (D) 20Ω